电脑桌面
添加小米粒文库到电脑桌面
安装后可以在桌面快捷访问

供电所低压工程施工技术规范VIP免费

供电所低压工程施工技术规范_第1页
1/10
供电所低压工程施工技术规范_第2页
2/10
供电所低压工程施工技术规范_第3页
3/10
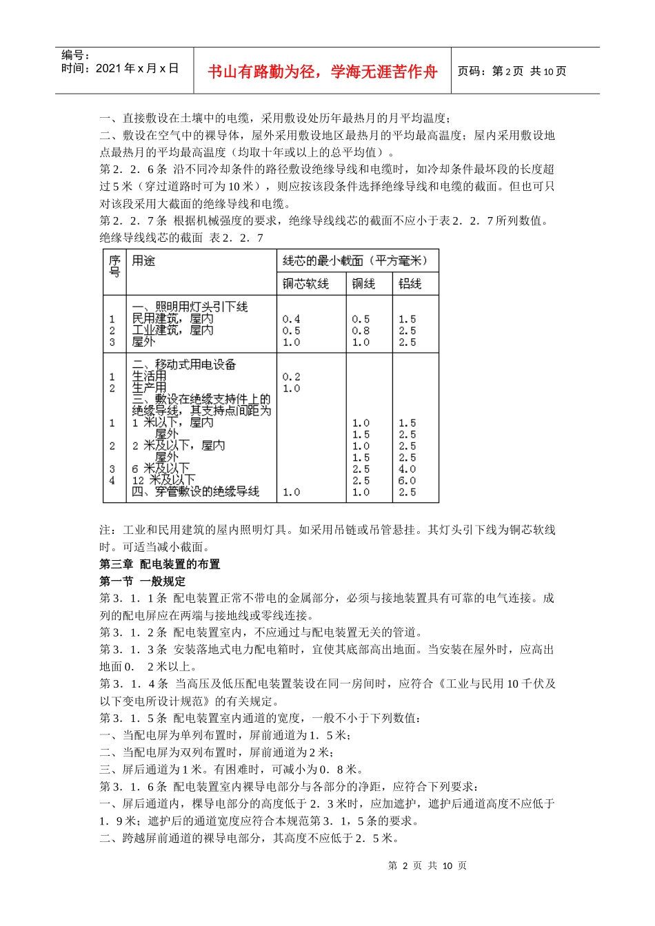
第1页共10页编号:时间:2021年x月x日书山有路勤为径,学海无涯苦作舟页码:第1页共10页第一章总则第1.0.1条低压配电装置及线路设计必须认真执行国家的技术经济政策,并应做到保障人身安全、供电可靠、电能质量合格、技术先进和经济合理。第1.0.2条低压配电装置及线路的设计,应做到安装、维护方便。第l.0.3条低压配电装置及线路的设计,应节约有色金属,并应认真贯彻以铝代铜的技术政策。第1.0.4条本规范适用于新建工程的1000伏以下的配电装置及线路设计。第1.0.5条低压配电装置及线路设计,尚应符合现行的有关国家标准和规范的规定。第二章电器和导体的选择第一节电器的选择第2.1.1条选择低压电器时,应符合下列要求;一、符合工作电压、电流、频率、准确等级和使用环境的要求;二、配电电器应尽量满足在短路条件下的动稳定和热稳定;三、断开短路电流用的电器,应尽量满足在短路条件下的通断能力。第2.1.2条验算电器在短路时的通断能力,应采用短路电流的周期分量有效值,并应考虑电动机的反馈影响。第2.1.3条确定短路电流时所采用的计算接线方式,应为可能发生最大短路电流的正常接线方式。同时。可只计及高压系统阻抗、变压器阻抗和低压线路阻抗,且考虑短路时低压侧短路电流不衰减。第二节导体的选择第2.2.1条绝缘导体和电缆的型号,应按工作电压和使用环境等要求选择。第2.2.2条选择导体截面时,应符合下列要求:一、导体的允许载流量不应小于线路的负荷计算电流;二、从变压器低压侧母线至用电设备受电端的线路电压损失,一般不超过用电设备额定电压的5%;三、绝缘导线线芯的最小截面,应符合本规范第2,2.7条的规定。第2.2.3条三相四线制中零线的允许载流量不应小于线路中最大的不平衡负荷电流,同时还应符合本规范第4.0.3、4.0.4条的规定。用于接零保护的零线,其电导不应小于该线路中相线电导的50%。第2.2.4条导体的允许载流量,应根据敷设处的环境温度进行校正。温度校正系数应按下式确定:式中k一温度校正系数;t1-导体最高工作温度(℃);t。-敷设处的实际环境温度(℃);t2-载流量数据中采用的环境温度(℃)。此处,还应根据导体并列敷设根数进行校正。第2.2.5条导体敷设处的环境温度,应采用下列温度值:第2页共10页第1页共10页编号:时间:2021年x月x日书山有路勤为径,学海无涯苦作舟页码:第2页共10页一、直接敷设在土壤中的电缆,采用敷设处历年最热月的月平均温度;二、敷设在空气中的裸导体,屋外采用敷设地区最热月的平均最高温度;屋内采用敷设地点最热月的平均最高温度(均取十年或以上的总平均值)。第2.2.6条沿不同冷却条件的路径敷设绝缘导线和电缆时,如冷却条件最坏段的长度超过5米(穿过道路时可为10米),则应按该段条件选择绝缘导线和电缆的截面。但也可只对该段采用大截面的绝缘导线和电缆。第2.2.7条根据机械强度的要求,绝缘导线线芯的截面不应小于表2.2.7所列数值。绝缘导线线芯的截面表2.2.7注:工业和民用建筑的屋内照明灯具。如采用吊链或吊管悬挂。其灯头引下线为铜芯软线时。可适当减小截面。第三章配电装置的布置第一节一般规定第3.1.1条配电装置正常不带电的金属部分,必须与接地装置具有可靠的电气连接。成列的配电屏应在两端与接地线或零线连接。第3.1.2条配电装置室内,不应通过与配电装置无关的管道。第3.1.3条安装落地式电力配电箱时,宜使其底部高出地面。当安装在屋外时,应高出地面0.2米以上。第3.1.4条当高压及低压配电装置装设在同一房间时,应符合《工业与民用10千伏及以下变电所设计规范》的有关规定。第3.1.5条配电装置室内通道的宽度,一般不小于下列数值:一、当配电屏为单列布置时,屏前通道为1.5米;二、当配电屏为双列布置时,屏前通道为2米;三、屏后通道为1米。有困难时,可减小为0.8米。第3.1.6条配电装置室内裸导电部分与各部分的净距,应符合下列要求:一、屏后通道内,棵导电部分的高度低于2.3米时,应加遮护,遮护后通道高度不应低于1.9米;遮护后的通道宽度应符合本规范第3.1,5条的要求。二、跨越屏前通道的裸导电部分,其高度不应低于2....

1、当您付费下载文档后,您只拥有了使用权限,并不意味着购买了版权,文档只能用于自身使用,不得用于其他商业用途(如 [转卖]进行直接盈利或[编辑后售卖]进行间接盈利)。
2、本站所有内容均由合作方或网友上传,本站不对文档的完整性、权威性及其观点立场正确性做任何保证或承诺!文档内容仅供研究参考,付费前请自行鉴别。
3、如文档内容存在违规,或者侵犯商业秘密、侵犯著作权等,请点击“违规举报”。

碎片内容

供电所低压工程施工技术规范

确认删除?
VIP
微信客服
  • 扫码咨询
会员Q群
  • 会员专属群点击这里加入QQ群
客服邮箱
回到顶部