电脑桌面
添加小米粒文库到电脑桌面
安装后可以在桌面快捷访问

后锚固锚栓抗震性能检测技术研究与结果分析 VIP免费

后锚固锚栓抗震性能检测技术研究与结果分析 _第1页
1/5
后锚固锚栓抗震性能检测技术研究与结果分析 _第2页
2/5
后锚固锚栓抗震性能检测技术研究与结果分析 _第3页
3/5
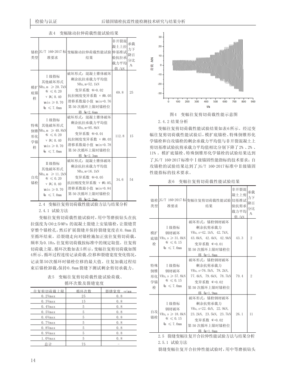
12第30卷第2期中国建材科技2021年4月0引言地震时非结构构件破坏会造成较严重的人员伤亡和巨大的财产损失。非结构构件包含建筑构件、固定装置、吊顶、幕墙和建筑附属设备等,大多数非结构构件需要通过锚栓与主体结构固定连接,地震时锚栓将受到由主体结构位移产生的拉力与剪力作用,后锚固锚栓的抗震性能对地震时确保人员安全和减小地震造成的财产损失至关重要。因此,后锚固锚栓的抗震性能是否符合标准要求是地震区工程安全选用的重要技术指标。欧美规范只要通过其指定的测试,各种锚栓都能用于相关应用场合;我国规范对用于非结构构件连接的锚栓的适用范围做了规定,根据锚栓受力状态、锚栓类型、锚栓是否适用于开裂混凝土以及建筑抗震设防类别等进行选用。表1为各国后锚固规范介绍[1]。1后锚固锚栓抗震性能相关规定现行规范JGJ145-2013《混凝土结构后锚固技术规程》[2]明确规定在抗震设防区用于结构构件连接时不允许使用位移控制式膨胀锚栓。后扩底锚栓和特殊倒锥形锚栓应用范围限制在抗震设防烈度8度(0.2g)及以下。化学锚栓抗震性能试验应符合现行标准JG/T160-2017《混凝土用机械锚栓》[3]的规定。现行规范GB50367-2013《混凝土结构加固设计规范》[4]明确规定,在抗震设防区的结构中,以及直接承受动力荷载的构件中,不得使用膨胀锚栓作为承重结构的连接件。当在抗震设防区承重结构中使用锚栓时,应采用后扩底锚栓或特殊倒锥形胶粘锚栓,且仅允许用于设防烈度不高于8度并建于Ⅰ、Ⅱ类场地的建筑物。用于抗震设防区承后锚固锚栓抗震性能检测技术研究与结果分析Researchandresultanalysisofseismicperformancedetectiontechnologyforrearanchorbolts臧凡周俊钧刘占清任建兴李泽文鲍亚楠郭庆杰(中国建材检验认证集团股份有限公司,北京,100024)ZANGFan,ZHOUJunjun,LIUZhanqing,RENJianxing,LIZewen,BAOYanan,GUOQingjie(ChinaBuildingMaterialsTest&CertificationGroupCo.,Ltd.,Beijing100024)摘要:后锚固锚栓是通过相关锚固技术将被连接件连接到已有结构上的连接件,包含机械锚栓和化学锚栓。不同类型锚栓的工作原理、地震荷载作用下的性能及抗震承载能力均有不同。本文根据抗震性能试验结果研究提出了后锚固锚栓在地震区工程科学安全选用的建议。关键词:后锚固锚栓;机械锚栓;化学锚栓;地震作用;抗震性能Abstract:Post-anchorageanchor,includingmechanicalanchorandchemicalanchor,isconnectorthatconnectstheconnectedpiecetotheexistingstructurethroughrelatedanchoringtechniques.Differenttypesofanchorshavedifferentworkingprinciples,performanceunderseismicloadsandaseismicbearingcapacity.Basedontheresearchofseismicperformancetestresults,thispaperputsforwardsuggestionsforthescientificandsafeselectionofpost-anchoranchorsinearthquakeareas.Keywords:post-anchorageanchor;mechanicalanchors;chemicalanchors;earthquakeaction;aseismicperformance中图分类号:TU375;TU352.1+1文献标志码:A文章编号:1003-8965(2021)02-0012-05重结构或承受动力作用的锚栓,其性能应通过现行标准JG/T160-2017的低周反复荷载作用或疲劳荷载作用的检验。现行规范JG/T160-2017中锚栓适用条件明确规定机械锚栓只有S类锚栓是可承受地震作用的锚栓,S类锚栓需通过本标准的抗震性能专项试验。以上规范明确规定了应用到抗震设防区承受地震作用的化学锚栓和机械锚栓的抗震性能均需通过JG/T160-2017的抗震性能专项试验。2后锚固锚栓抗震性能专项试验方案2.1试验用锚栓本次试验方案选用模扩底锚栓、特殊倒锥形化学锚栓表1各国后锚固规范介绍规范名称颁发部门颁发国AC308《混凝土用化学锚栓的检验标准》美国国际规范协会(ICC)美国AC193《混凝土用机械锚栓的检验标准》ACI318《结构混凝土建筑规范要求》美国混凝土协会(ACI)ACI355.4《混凝土用后置粘结锚栓的判定标准》ACI355.2《混凝土用后置机械锚栓的判定标准》EOTATR018《特殊倒锥形锚栓》欧洲技术认可组织(EOTA)欧洲EOTATR045《锚栓的抗震设计》EOTATR029《化学锚栓》AnnexC《锚栓的设计方法》AnnexE《锚栓的...

1、当您付费下载文档后,您只拥有了使用权限,并不意味着购买了版权,文档只能用于自身使用,不得用于其他商业用途(如 [转卖]进行直接盈利或[编辑后售卖]进行间接盈利)。
2、本站所有内容均由合作方或网友上传,本站不对文档的完整性、权威性及其观点立场正确性做任何保证或承诺!文档内容仅供研究参考,付费前请自行鉴别。
3、如文档内容存在违规,或者侵犯商业秘密、侵犯著作权等,请点击“违规举报”。

碎片内容

后锚固锚栓抗震性能检测技术研究与结果分析

您可能关注的文档

确认删除?
VIP
微信客服
  • 扫码咨询
会员Q群
  • 会员专属群点击这里加入QQ群
客服邮箱
回到顶部