电脑桌面
添加小米粒文库到电脑桌面
安装后可以在桌面快捷访问

果冻生产许可证审查细则VIP免费

果冻生产许可证审查细则_第1页
1/5
果冻生产许可证审查细则_第2页
2/5
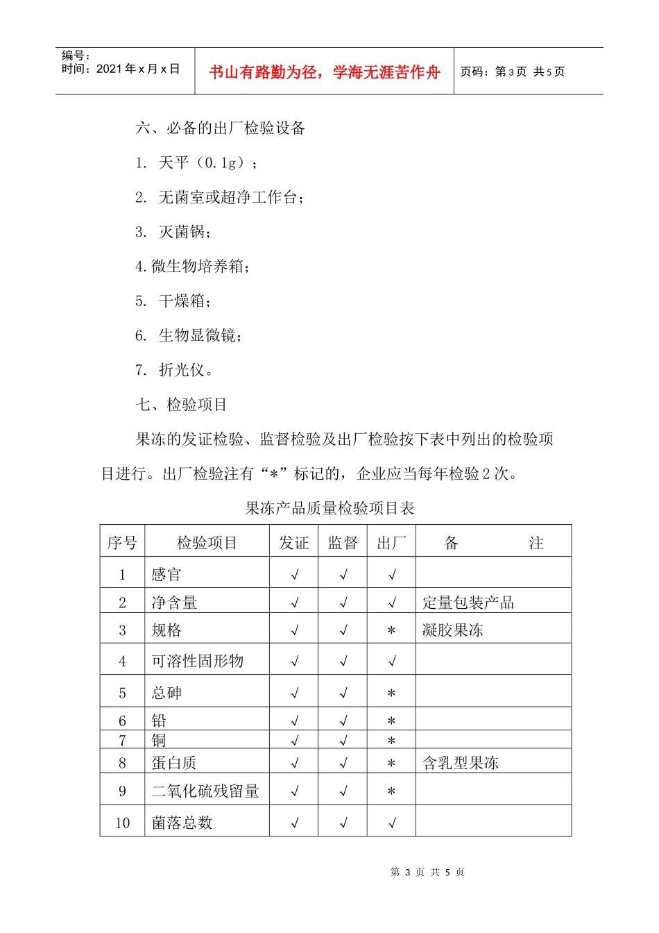
果冻生产许可证审查细则_第3页
3/5
第1页共5页编号:时间:2021年x月x日书山有路勤为径,学海无涯苦作舟页码:第1页共5页果冻生产许可证审查细则(国质检食监〔2006〕365号发布,2006年9月1日起施行)一、发证产品范围实施食品生产许可证管理的果冻产品是指以水、食糖和增稠剂等为原料,经溶胶、调配、灌装、杀菌、冷却等工序加工而成的胶冻食品。申证单元为1个,即果冻。生产许可证上应注明获证产品名称即果冻。果冻生产许可证有效期为3年,其产品类别编号为1302。二、基本生产流程及关键控制环节(一)基本生产流程。基本生产流程包括化糖、溶胶、过滤、调配、灌装、封口、杀菌、冷却、风干、包装等过程。(二)关键控制环节。1.原辅材料及包装材料的控制。2.生产场所卫生管理。3.管道设备清洗控制。4.灌装、封口控制。5.杀菌工序控制。(三)容易出现的质量安全问题。第2页共5页第1页共5页编号:时间:2021年x月x日书山有路勤为径,学海无涯苦作舟页码:第2页共5页1.微生物污染。2.超范围、超限量使用食品添加剂。3.标签标识不规范。4.凝胶果冻的规格不符合标准要求。5.含乳型果冻蛋白质含量不合格。三、必备的生产资源(一)生产场所。生产果冻的企业应具备原辅料仓库、成品仓库、生产车间、包装车间等生产场所。灌装车间相对独立,配备有效的消毒设施(如紫外灯、熏蒸、臭氧等消毒方式)。生产车间进口处配备清洗消毒设施(手清洗消毒、鞋靴消毒)。(二)必备的生产设备。1.煮料罐;2.灌装、封口设备;3.杀菌设备;4.冷却设施(如水冷、风冷);5.生产日期/批号标注设施。四、产品相关标准GB19299-2003《果冻卫生标准》;GB19883-2005《果冻》;备案有效的企业标准。五、原辅料的有关要求企业生产果冻所用的原辅材料必须符合国家标准、行业标准以及有关规定。如使用的原辅材料为实施生产许可证管理的产品,必须选用获得生产许可证企业生产的产品。第3页共5页第2页共5页编号:时间:2021年x月x日书山有路勤为径,学海无涯苦作舟页码:第3页共5页六、必备的出厂检验设备1.天平(0.1g);2.无菌室或超净工作台;3.灭菌锅;4.微生物培养箱;5.干燥箱;6.生物显微镜;7.折光仪。七、检验项目果冻的发证检验、监督检验及出厂检验按下表中列出的检验项目进行。出厂检验注有“*”标记的,企业应当每年检验2次。果冻产品质量检验项目表序号检验项目发证监督出厂备注1感官√√√2净含量√√√定量包装产品3规格√√*凝胶果冻4可溶性固形物√√√5总砷√√*6铅√√*7铜√√*8蛋白质√√*含乳型果冻9二氧化硫残留量√√*10菌落总数√√√第4页共5页第3页共5页编号:时间:2021年x月x日书山有路勤为径,学海无涯苦作舟页码:第4页共5页序号检验项目发证监督出厂备注11大肠菌群√√√12致病菌√√*13霉菌√√*14酵母√√*15苯甲酸√√*16山梨酸√√*17甜蜜素√√*18糖精钠√√*19安赛蜜√√*20着色剂√√*根据色泽选择测定21标签√√注:1.标签应根据原料的不同标示分类名称。产品使用“布丁”名称时,应同时标示“含乳型果冻”;果汁型果冻应标示原果汁含量;果肉型果冻应标示果肉含量。2.凝胶果冻应在外包装和最小食用包装的醒目位置处,用白底(或黄底)红字标示安全警示语和食用方法,且文字高度应不小于3mm。八、抽样方法根据企业所申请产品品种,抽取1种产品进行发证检验,按照以下第5页共5页第4页共5页编号:时间:2021年x月x日书山有路勤为径,学海无涯苦作舟页码:第5页共5页顺序抽样:含乳型果冻、果肉型果冻、果汁型果冻、果味型果冻、其它型果冻。在企业成品库内随机抽取发证检验产品。所抽样品须为同一批次并在保质期内的产品,抽取基数不少于50kg,随机抽取2kg。样品分成2份,每份样品1kg,1份用于检验,1份备查。样品确认无误后,由核查组抽样人员与被抽查单位在抽样单上签字、签章,当场封存样品,并加贴封条。封条上应有抽样人员签名、抽样单位盖章及抽样日期。抽样单上应注明产品类型。

1、当您付费下载文档后,您只拥有了使用权限,并不意味着购买了版权,文档只能用于自身使用,不得用于其他商业用途(如 [转卖]进行直接盈利或[编辑后售卖]进行间接盈利)。
2、本站所有内容均由合作方或网友上传,本站不对文档的完整性、权威性及其观点立场正确性做任何保证或承诺!文档内容仅供研究参考,付费前请自行鉴别。
3、如文档内容存在违规,或者侵犯商业秘密、侵犯著作权等,请点击“违规举报”。

碎片内容

果冻生产许可证审查细则

您可能关注的文档

确认删除?
VIP
微信客服
  • 扫码咨询
会员Q群
  • 会员专属群点击这里加入QQ群
客服邮箱
回到顶部