电脑桌面
添加小米粒文库到电脑桌面
安装后可以在桌面快捷访问

2021高考化学一轮复习课练32实验方案的设计与评价含解析_图文VIP免费

2021高考化学一轮复习课练32实验方案的设计与评价含解析_图文_第1页
1/21
2021高考化学一轮复习课练32实验方案的设计与评价含解析_图文_第2页
2/21
2021高考化学一轮复习课练32实验方案的设计与评价含解析_图文_第3页
3/21
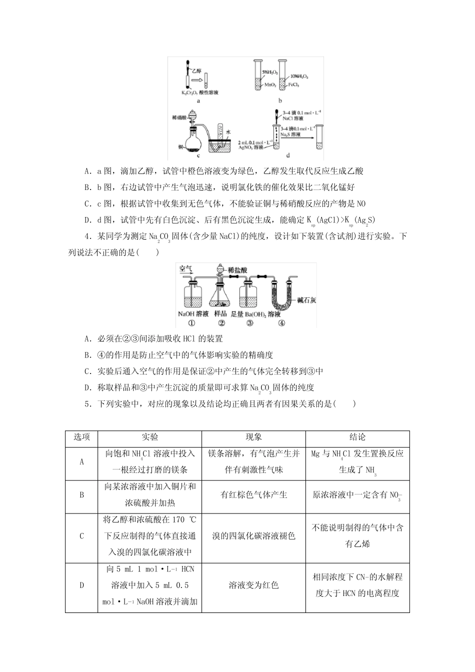
课练32实验方案的设计与评价————————[狂刷小题夯基础]——————————[练基础]1.下列实验操作不能达到实验目的的是()选项实验目的实验操作A除去酯化反应后乙酸乙酯中的杂质向实验后的混合液中加入饱和Na2CO3溶液,振荡,分液B验证Mg(OH)2的溶解向盛有少量Mg(OH)2固体的试管中加入NH4Cl溶液C观察Fe(OH)2白色絮状沉淀生成向含有铁粉的FeSO4溶液中加入NaOH溶液D检验阿司匹林片剂中含有淀粉将浓硝酸滴到阿司匹林片上2.下列由实验得出的结论正确的是()选项实验结论A将乙烯通入KMnO4溶液中,产生黑色沉淀乙烯将KMnO4氧化为MnO2B向乙酸乙酯中加入足量NaOH溶液,充分振荡,得到无色透明溶液乙酸乙酯易溶于水C向蔗糖中加入浓硫酸并搅拌,逐渐产生气体并得到黑色固体蔗糖水解生成焦炭D将苯与浓硝酸、浓硫酸混合,在55℃下充分反应,产物倒入水中,底部有油状液体生成的硝基苯难溶于水,密度比水大3.下列实验“操作和现象”与“结论”对应关系正确的是()A.a图,滴加乙醇,试管中橙色溶液变为绿色,乙醇发生取代反应生成乙酸B.b图,右边试管中产生气泡迅速,说明氯化铁的催化效果比二氧化锰好C.c图,根据试管中收集到无色气体,不能验证铜与稀硝酸反应的产物是NOD.d图,试管中先有白色沉淀、后有黑色沉淀生成,能确定Ksp(AgCl)>Ksp(Ag2S)4.某同学为测定Na2CO3固体(含少量NaCl)的纯度,设计如下装置(含试剂)进行实验。下列说法不正确的是()A.必须在②③间添加吸收HCl的装置B.④的作用是防止空气中的气体影响实验的精确度C.实验后通入空气的作用是保证②中产生的气体完全转移到③中D.称取样品和③中产生沉淀的质量即可求算Na2CO3固体的纯度5.下列实验中,对应的现象以及结论均正确且两者有因果关系的是()选项实验现象结论A向饱和NH4Cl溶液中投入一根经过打磨的镁条镁条溶解,有气泡产生并伴有刺激性气味Mg与NH4Cl发生置换反应生成了NH3B向某浓溶液中加入铜片和浓硫酸并加热有红棕色气体产生原浓溶液中一定含有NO-3C将乙醇和浓硫酸在170℃下反应制得的气体直接通入溴的四氯化碳溶液中溴的四氯化碳溶液褪色不能说明制得的气体中含有乙烯D向5mL1mol·L-1HCN溶液中加入5mL0.5mol·L-1NaOH溶液并滴加溶液变为红色相同浓度下CN-的水解程度大于HCN的电离程度2~3滴酚酞溶液6.由下列实验操作和现象得出的结论正确的是()选项实验操作实验现象结论A向Co2O3中滴入浓盐酸产生黄绿色气体氧化性:Cl2>Co2O3B白铁皮(镀锌铁)出现刮痕后浸泡在饱和食盐水中,一段时间后滴入几滴K3[Fe(CN)6]溶液无明显现象该过程未发生氧化还原反应C向Na2S溶液中滴加盐酸产生臭鸡蛋气味气体非金属性:Cl>SD将10mL2mol·L-1的KI溶液与1mL1mol·L-1FeCl3溶液混合充分反应后滴加KSCN溶液溶液颜色变红KI与FeCl3的反应有可逆性7.为了探究铁、铜及其化合物的性质,某同学设计并进行了如下实验。下列说法错误的是()A.高温加热装置中发生的反应为3Fe+4H2O(g)=====高温Fe3O4+4H2B.虚线框处宜选择的装置是甲C.实验时将螺旋状铜丝加热,变黑后再趁热迅速伸入试管中,可观察到铜丝由黑色变为红色D.实验后,可用铝粉在高温下还原玻璃管中的固体获得铁单质8.(多选)某无色溶液中可能含有Na+、K+、NH+4、Mg2+、Cu2+、SO2-4、SO2-3、Cl-、Br-、CO2-3中的若干种,离子浓度都为0.1mol·L-1。往该溶液中加入过量的BaCl2和盐酸的混合溶液,无白色沉淀生成。某同学另取少量原溶液,设计并完成如下实验:则关于原溶液的判断正确的是()A.若步骤中Ba(NO3)2和HNO3溶液改用BaCl2和盐酸的混合溶液,则对溶液中离子的判断无影响B.无法确定原溶液中是否存在Cl-C.肯定存在的离子是SO2-3、Br-,是否存在Na+、K+需要通过焰色反应来确定D.肯定不存在的离子是Mg2+、Cu2+、SO2-4、CO2-3、Cl-[练高考]1.[2016·全国卷Ⅱ]下列实验操作能达到实验目的的是()实验目的实验操作A制备Fe(OH)3胶体将NaOH浓溶液滴加到饱和FeCl3溶液中B由MgCl2溶液制备无水MgCl2将MgCl2溶液加热蒸干C除去Cu粉中混有的CuO加入稀硝酸溶解,过滤、洗涤、干燥D比较水与乙醇中氢的活泼性分别将少量钠投入到盛有水和乙醇的烧杯中2.[2019·...

1、当您付费下载文档后,您只拥有了使用权限,并不意味着购买了版权,文档只能用于自身使用,不得用于其他商业用途(如 [转卖]进行直接盈利或[编辑后售卖]进行间接盈利)。
2、本站所有内容均由合作方或网友上传,本站不对文档的完整性、权威性及其观点立场正确性做任何保证或承诺!文档内容仅供研究参考,付费前请自行鉴别。
3、如文档内容存在违规,或者侵犯商业秘密、侵犯著作权等,请点击“违规举报”。

碎片内容

2021高考化学一轮复习课练32实验方案的设计与评价含解析_图文

您可能关注的文档

文达天下+ 关注
实名认证
内容提供者

各类试题、文摘、指南、行业规范

相关文档

确认删除?
VIP
微信客服
  • 扫码咨询
会员Q群
  • 会员专属群点击这里加入QQ群
客服邮箱
回到顶部