电脑桌面
添加小米粒文库到电脑桌面
安装后可以在桌面快捷访问

焊接工艺评定报告HP-25VIP免费

焊接工艺评定报告HP-25_第1页
1/9
焊接工艺评定报告HP-25_第2页
2/9
焊接工艺评定报告HP-25_第3页
3/9
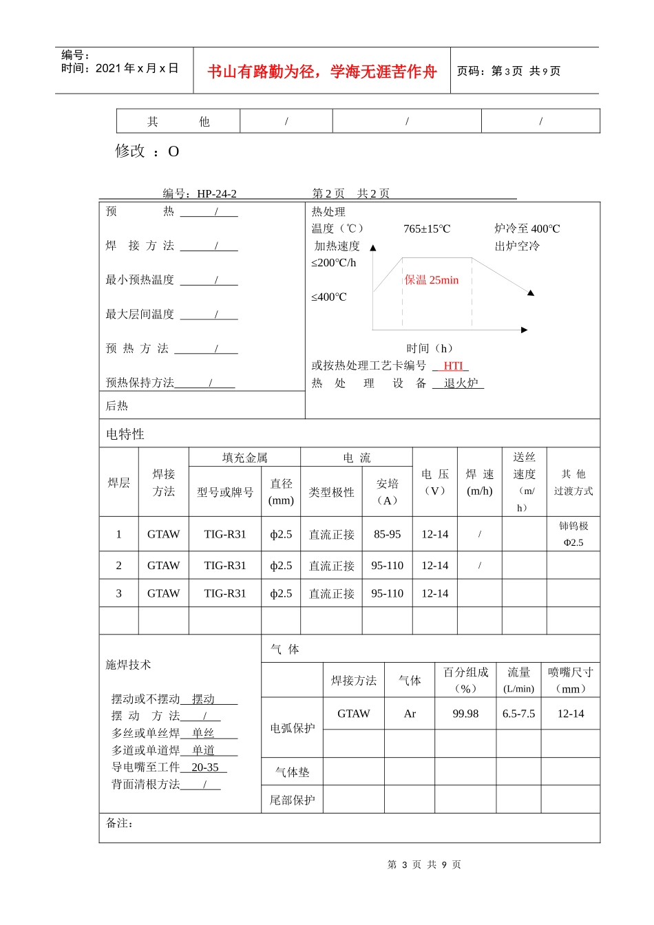
第1页共9页编号:时间:2021年x月x日书山有路勤为径,学海无涯苦作舟页码:第1页共9页焊接工艺评定任务书任务书编号:HP-25任务来源焊接工艺申请单编号产品名称/产品令号/部(组)件名称/部(组)件图号/零件名称集箱焊接方法GTAW被评接头母材钢号母材类组别规格接头型式12Cr2MoWVTiBⅣФ38*5.512Cr1MoVGⅢФ38*5.5母材机械性能钢号试件规格屈服强度(MPa)抗拉强度(MPa)冲击功(AkvJ)延伸率(%)收缩率(%)冷弯角D=3S标准产品试件12Cr2MoWVTiBФ38*5.5345540-73518/GB531012Cr1MoVGФ38*5.5255470-64021/GB5310评定标准:《蒸汽锅炉安全技术监察规程》附录I;JB1613-1993;JB1614-1993试件无损检查项目:√外观□MT□PT√RT□UT试件理化性能试验项目项目拉伸弯曲冲击金相硬度化学分析接头全焊缝面弯背弯侧弯宏观微观试样数量1/22//1///补充试验项目(不作参考)性能试验合格标准(按试件母材):1VE:按JB1613-1993《锅炉受压元件焊接技术条件》第9.3,9.4条;2RT:按GB3323-87《钢熔化焊对接接头焊缝射线照相和质量分级》照相质量≥AB级焊缝质量Ⅱ级;3拉伸:按JB1614-1993《锅炉受压元件焊接接头力学性能试验方法》第4.3条;4弯曲:按JB1614-1993《锅炉受压元件焊接接头力学性能试验方法》第7.3条;5金相:按JB/T2636《锅炉受压元件焊接金相和断口检验方法》要求完成日期:第2页共9页第1页共9页编号:时间:2021年x月x日书山有路勤为径,学海无涯苦作舟页码:第2页共9页制订日期校对日期修改:O焊接工艺评定指导书第1页共2页工艺评定指导书编号:HP-25日期:2004年5月30日工艺评定试件号;HP-25工艺评定任务书编号:HP-25焊接方法:GTAW自动化程度:手工接头(1)C焊缝宽窄差≤±3母材焊接位置坡口焊缝位置平焊角焊缝位置/立焊方向/钢号类、组别规格标准12Cr2MoWVTiBⅣФ38*5.5GB531012Cr1MoVGⅢФ38*5.5GB5310焊接材料焊接方法GTAW//型号或牌号TIG-R31//规格Ф2.5//焊缝金属厚度///焊剂牌号//保护气Ar//第3页共9页第2页共9页编号:时间:2021年x月x日书山有路勤为径,学海无涯苦作舟页码:第3页共9页其他///修改:O编号:HP-24-2第2页共2页预热/焊接方法/最小预热温度/最大层间温度/预热方法/预热保持方法/热处理温度(℃)765±15℃炉冷至400℃加热速度出炉空冷≤200/h℃保温25min≤400℃时间(h)或按热处理工艺卡编号HTI热处理设备退火炉后热电特性焊层焊接方法填充金属电流电压(V)焊速(m/h)送丝速度(m/h)其他过渡方式型号或牌号直径(mm)类型极性安培(A)1GTAWTIG-R31ф2.5直流正接85-9512-14/铈钨极Φ2.52GTAWTIG-R31ф2.5直流正接95-11012-14/3GTAWTIG-R31ф2.5直流正接95-11012-14施焊技术摆动或不摆动摆动摆动方法/多丝或单丝焊单丝多道或单道焊单道导电嘴至工件20-35背面清根方法/气体焊接方法气体百分组成(%)流量(L/min)喷嘴尺寸(mm)电弧保护GTAWAr99.986.5-7.512-14气体垫尾部保护备注:第4页共9页第3页共9页编号:时间:2021年x月x日书山有路勤为径,学海无涯苦作舟页码:第4页共9页编制日期校对日期批准日期修改:O工艺评定报告(PQR)第1页共2页工艺评定报告编号PQRNOHP-25日期2010年4月20日工艺评定指导书HP-25工艺评定任务书编号HP-25焊接方法:GTAW自动化程度√手工□机械□半自动□自动母材试件接头简图钢号类组别规格标准检验号12Cr2MoWVTiBⅣФ38*5.5GB5310G10-06-2212Cr1MoVGⅢФ38*5.5GB5310G10-06-07焊接位置坡口焊缝位置平焊角焊缝位置/立焊方向□向上□向下焊接材料气体焊接方法GTAW//焊接方法气体百分组成%流量L/min型号或牌号TIG-R31//电弧保护GTAWAr99.986.5-7.5规格Φ2.5//焊缝金属厚度///气体垫焊剂牌号///尾部保护焊剂型号///施焊技术无摆动或摆动焊/摆动方法/多丝焊或单丝焊单丝多道焊或单道焊单道焊检验号H10-07-03//预热焊接方法:预热温度:层间温度:预热方法:焊后热处理加热速度≤200℃/h保温时间25min保温温度765±15℃热处理设备退火炉冷却方法炉冷至400℃出炉空冷环境温度:相对温度:焊焊接填充金属电流电压焊接速度流量其他第5页共9页第4页共9页编号:时间:2021年x月x日书山有路勤为径,学海无涯苦作舟页码:第5页共9页层方...

1、当您付费下载文档后,您只拥有了使用权限,并不意味着购买了版权,文档只能用于自身使用,不得用于其他商业用途(如 [转卖]进行直接盈利或[编辑后售卖]进行间接盈利)。
2、本站所有内容均由合作方或网友上传,本站不对文档的完整性、权威性及其观点立场正确性做任何保证或承诺!文档内容仅供研究参考,付费前请自行鉴别。
3、如文档内容存在违规,或者侵犯商业秘密、侵犯著作权等,请点击“违规举报”。

碎片内容

焊接工艺评定报告HP-25

您可能关注的文档

确认删除?
VIP
微信客服
  • 扫码咨询
会员Q群
  • 会员专属群点击这里加入QQ群
客服邮箱
回到顶部