电脑桌面
添加小米粒文库到电脑桌面
安装后可以在桌面快捷访问

高考化学综合题专练∶化学反应速率与化学平衡附答案VIP免费

高考化学综合题专练∶化学反应速率与化学平衡附答案_第1页
1/19
高考化学综合题专练∶化学反应速率与化学平衡附答案_第2页
2/19
高考化学综合题专练∶化学反应速率与化学平衡附答案_第3页
3/19
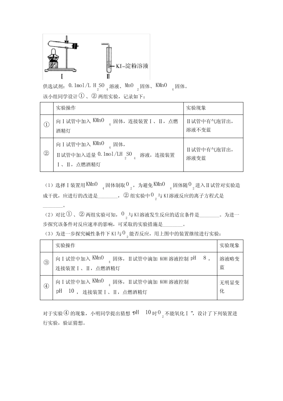
高考化学综合题专练∶化学反应速率与化学平衡附答案一、化学反应速率与化学平衡1.研究不同pH时CuSO4溶液对H2O2分解的催化作用。资料:a.Cu2O为红色固体,难溶于水,能溶于硫酸,生成Cu和Cu2+。b.CuO2为棕褐色固体,难溶于水,能溶于硫酸,生成Cu2+和H2O2。c.H2O2有弱酸性:H2O2H++HO2-,HO2-H++O22-。编号实验现象Ⅰ向1mLpH=2的1mol·L−1CuSO4溶液中加入0.5mL30%H2O2溶液出现少量气泡Ⅱ向1mLpH=3的1mol·L−1CuSO4溶液中加入0.5mL30%H2O2溶液立即产生少量棕黄色沉淀,出现较明显气泡Ⅲ向1mLpH=5的1mol·L−1CuSO4溶液中加入0.5mL30%H2O2溶液立即产生大量棕褐色沉淀,产生大量气泡(1)经检验生成的气体均为O2,Ⅰ中CuSO4催化分解H2O2的化学方程式是__。(2)对Ⅲ中棕褐色沉淀的成分提出2种假设:ⅰ.CuO2,ⅱ.Cu2O和CuO2的混合物。为检验上述假设,进行实验Ⅳ:过滤Ⅲ中的沉淀,洗涤,加入过量硫酸,沉淀完全溶解,溶液呈蓝色,并产生少量气泡。①若Ⅲ中生成的沉淀为CuO2,其反应的离子方程式是__。②依据Ⅳ中沉淀完全溶解,甲同学认为假设ⅱ不成立,乙同学不同意甲同学的观点,理由是__。③为探究沉淀中是否存在Cu2O,设计如下实验:将Ⅲ中沉淀洗涤、干燥后,取ag固体溶于过量稀硫酸,充分加热。冷却后调节溶液pH,以PAN为指示剂,向溶液中滴加cmol·L−1EDTA溶液至滴定终点,消耗EDTA溶液VmL。V=__,可知沉淀中不含Cu2O,假设ⅰ成立。(已知:Cu2++EDTA=EDTA-Cu2+,M(CuO2)=96g·mol−1,M(Cu2O)=144g·mol−1)(3)结合方程式,运用化学反应原理解释Ⅲ中生成的沉淀多于Ⅱ中的原因__。(4)研究Ⅰ、Ⅱ、Ⅲ中不同pH时H2O2分解速率不同的原因。实验Ⅴ:在试管中分别取1mLpH=2、3、5的1mol·L−1Na2SO4溶液,向其中各加入0.5mL30%H2O2溶液,三支试管中均无明显现象。实验Ⅵ:__(填实验操作和现象),说明CuO2能够催化H2O2分解。(5)综合上述实验,Ⅰ、Ⅱ、Ⅲ中不同pH时H2O2的分解速率不同的原因是__。【答案】2H2O2O2↑+2H2OH2O2+Cu2+=CuO2↓+2H+CuO2与H+反应产生的H2O2具有强氧化性,在酸性条件下可能会氧化Cu2O或Cu,无法观察到红色沉淀Cu1000a96c溶液中存在H2O2H++HO2-,HO2-H++O22-,溶液pH增大,两个平衡均正向移动,O22-浓度增大,使得CuO2沉淀量增大将Ⅲ中沉淀过滤,洗涤,干燥,称取少量于试管中,加入30%H2O2溶液,立即产生大量气泡,反应结束后,测得干燥后固体的质量不变CuO2的催化能力强于Cu2+;随pH增大,Cu2+与H2O2反应生成CuO2增多【解析】【分析】【详解】(1)由题意可知,在硫酸铜做催化剂作用下,双氧水分解生成水和氧气,反应的化学方程式为2H2O2O2↑+2H2O,故答案为:2H2O2O2↑+2H2O;(2)①若Ⅲ中生成的沉淀为CuO2,说明双氧水与铜离子反应生成过氧化铜和水,反应的离子方程式为H2O2+Cu2+=CuO2↓+2H+,故答案为:H2O2+Cu2+=CuO2↓+2H+;②由题意可知,过氧化铜能与溶液中氢离子反应生成双氧水,双氧水具有强氧化性,在酸性条件下可能会氧化氧化亚铜或铜,无法观察到红色沉淀,说明假设ⅱ可能成立,乙同学的观点正确,故答案为:CuO2与H+反应产生的H2O2具有强氧化性,在酸性条件下可能会氧化Cu2O或Cu,无法观察到红色沉淀Cu;③ag过氧化铜的物质的量为ag96g/mol,由方程式可得如下关系:CuO2—Cu2+—EDTA,则有ag96g/mol=cmol/L×V×10—3L,解得V=1000a96cml,故答案为:1000a96c;(3)由题意可知,双氧水溶液中存在如下电离平衡H2O2H++HO2-、HO2-H++O22-,溶液pH增大,氢离子浓度减小,两个平衡均正向移动,过氧根浓度增大,使得过氧化铜沉淀量增大,故答案为:溶液中存在H2O2H++HO2-,HO2-H++O22-,溶液pH增大,两个平衡均正向移动,O22-浓度增大,使得CuO2沉淀量增大;(4)若过氧化铜能够催化过氧化氢分解,过氧化氢分解速率加快,催化剂过氧化铜的组成和质量不会发生变化,则实验操作和现象为将Ⅲ中沉淀过滤,洗涤,干燥,称取少量于试管中,加入30%H2O2溶液,立即产生大量气泡,反应结束后,测得干燥后固体的质量不变,故答案为:将Ⅲ中沉淀过滤,洗涤,干燥,称取少量于试管中,加入30%H2O2溶液,立即产生大量气泡,反...

1、当您付费下载文档后,您只拥有了使用权限,并不意味着购买了版权,文档只能用于自身使用,不得用于其他商业用途(如 [转卖]进行直接盈利或[编辑后售卖]进行间接盈利)。
2、本站所有内容均由合作方或网友上传,本站不对文档的完整性、权威性及其观点立场正确性做任何保证或承诺!文档内容仅供研究参考,付费前请自行鉴别。
3、如文档内容存在违规,或者侵犯商业秘密、侵犯著作权等,请点击“违规举报”。

碎片内容

高考化学综合题专练∶化学反应速率与化学平衡附答案

您可能关注的文档

确认删除?
VIP
微信客服
  • 扫码咨询
会员Q群
  • 会员专属群点击这里加入QQ群
客服邮箱
回到顶部