电脑桌面
添加小米粒文库到电脑桌面
安装后可以在桌面快捷访问

【生产运营】IE部分第二章运转分析VIP免费

【生产运营】IE部分第二章运转分析_第1页
1/11
【生产运营】IE部分第二章运转分析_第2页
2/11
【生产运营】IE部分第二章运转分析_第3页
3/11
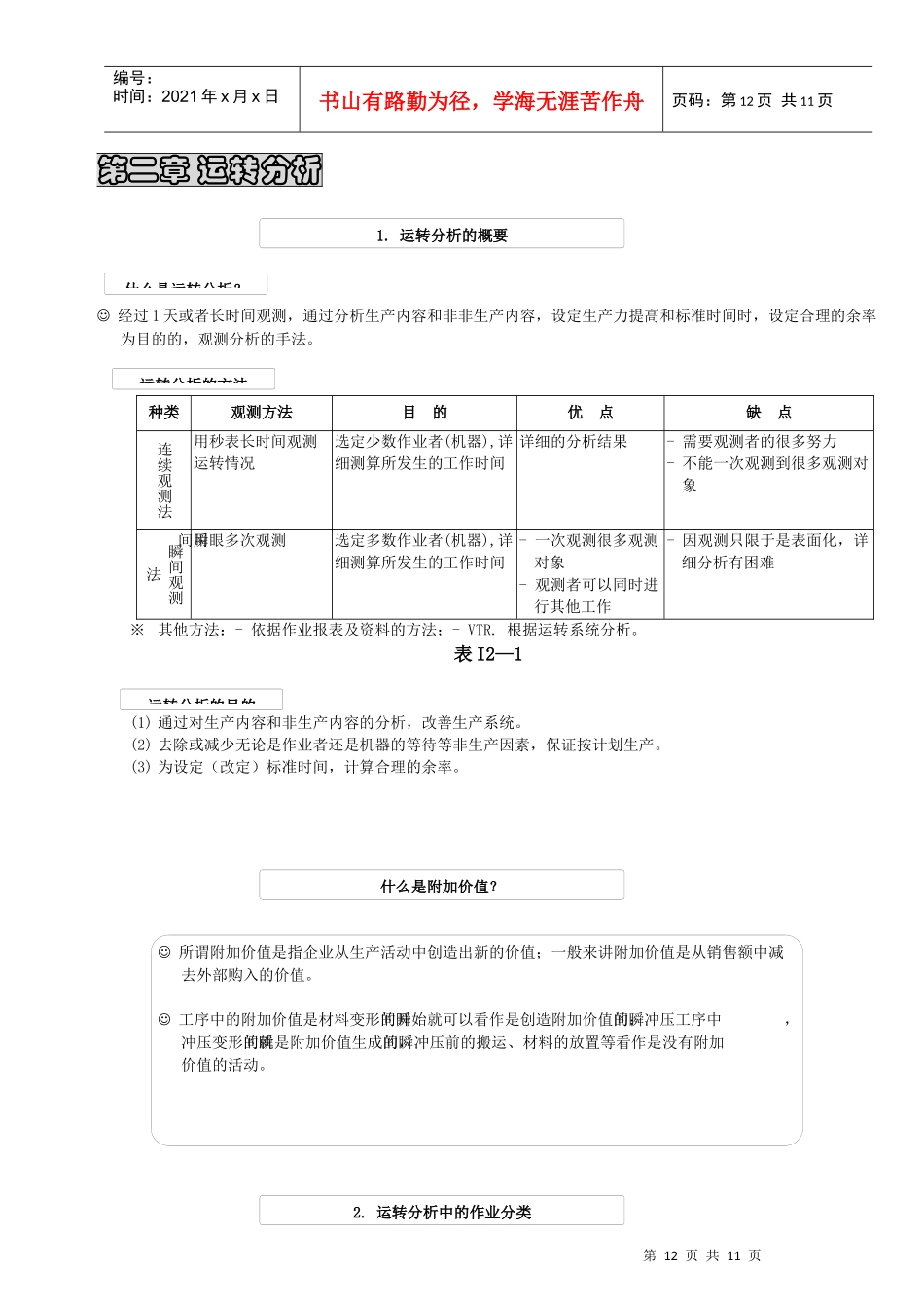
第12页共11页编号:时间:2021年x月x日书山有路勤为径,学海无涯苦作舟页码:第12页共11页第二章运转分析经过1天或者长时间观测,通过分析生产内容和非非生产内容,设定生产力提高和标准时间时,设定合理的余率为目的的,观测分析的手法。种类观测方法目的优点缺点连续观测法用秒表长时间观测运转情况选定少数作业者(机器),详细测算所发生的工作时间详细的分析结果-需要观测者的很多努力-不能一次观测到很多观测对象瞬间观测法瞬间用眼多次观测选定多数作业者(机器),详细测算所发生的工作时间-一次观测很多观测对象-观测者可以同时进行其他工作-因观测只限于是表面化,详细分析有困难※其他方法:-依据作业报表及资料的方法;-VTR.根据运转系统分析。表I2—1(1)通过对生产内容和非生产内容的分析,改善生产系统。(2)去除或减少无论是作业者还是机器的等待等非生产因素,保证按计划生产。(3)为设定(改定)标准时间,计算合理的余率。1.运转分析的概要什么是运转分析?运转分析的方法运转分析的目的2.运转分析中的作业分类什么是附加价值?所谓附加价值是指企业从生产活动中创造出新的价值;一般来讲附加价值是从销售额中减去外部购入的价值。工序中的附加价值是材料变形的瞬间开始就可以看作是创造附加价值的瞬间;冲压工序中,冲压变形的瞬间就是附加价值生成的瞬间,冲压前的搬运、材料的放置等看作是没有附加价值的活动。第13页共11页第12页共11页编号:时间:2021年x月x日书山有路勤为径,学海无涯苦作舟页码:第13页共11页运转最重要的目的是创造附加价值;为了分析运转情况对下面作业分成有附加价值的作业和没有附加价值的作业是很重要的。区分大分类中分类项目(事例)运转主作业主体作业切削加工,加工,铝焊,组装,插入零件辅助作业检查,包装,材料的粘贴及剥离,工件尺寸检测,引线切割作业准备图纸取放,零件整理,工器具取放,机种交换非运转作业空闲工具研削,机器加油,废料处理,不定期材料搬运时间空闲清扫,起重机闲置,产品等待,教育,QC疲劳空闲个人休息,规定休息,重物搬运生理空闲上厕所,闲谈,喝水,擦汗非作业机器故障,停电,计划等待,材料短缺,作业时间未遵守表I2—2图I2—1为了分析运转损失,有必要注意生产现场投入的工时是在进行什么工作;在生产现场给作业分类的话,可以分成如下几类:作业的分类准备作业主作业作业主体作业直接材料,部品的变形,变质等,直接投入创造出附加价值的作业辅助作业辅助主体作业,虽然每个循环都发生,但是,是间接投入的作业准备作业为主作业(准备,收尾,搬运)而进行作业,每一个或者几个循环定期发生一次的作业作业空闲的分类作业空闲虽然是必要的作业要素,但不规则,是偶然发生的要素(主要原因是:机器,工具,材料等物质性要素)时间空闲主要与作业本身无关以管理为目的所发生延迟生理空闲主要是为了满足人的生理要求发生的要素疲劳空闲指为了恢复在恶劣的作业环境造成的疲劳而发生延迟要素,因无法在其他时间恢复疲劳,造成作业量下降非作业非作业有因管理职责任的非作业和作业者责任的非作业两种主体作业第14页共11页第13页共11页编号:时间:2021年x月x日书山有路勤为径,学海无涯苦作舟页码:第14页共11页图I2—2所谓工作抽样就是指对人或者机器的运转状态及种类等进行瞬间观测,对此结果进行整理、汇总,应用观测项目的时间构成比率、运转率(或者非运转率)、统计学对抽样的理论进行调查分析的方法。作业时间正规作业非正规作业主作业准备前后作业辅助作业人性空闲疲劳空闲生理空闲非人性空闲作业空闲现场空闲信息收集的要领假如你认为有必要收集信息的话,首先,看一下你自己的工作方式,担任了新的工作,首先有必要准备情报目录,然后再次对此目录进行“必要的”情报和“没有也没什么问题的”的情报分类。然后,把此目录给与业务有关的人员看,听一听意见,最后,必要的信息目录完成后,在最短的时间内制订信息收集计划并进行信息收集工作。3.工作抽样的概要什么是工作抽样?第15页共11页第14页共11页编号:时间:2021年x月x日书山有路勤为径,学海无涯苦作舟页码:第15页共11页...

1、当您付费下载文档后,您只拥有了使用权限,并不意味着购买了版权,文档只能用于自身使用,不得用于其他商业用途(如 [转卖]进行直接盈利或[编辑后售卖]进行间接盈利)。
2、本站所有内容均由合作方或网友上传,本站不对文档的完整性、权威性及其观点立场正确性做任何保证或承诺!文档内容仅供研究参考,付费前请自行鉴别。
3、如文档内容存在违规,或者侵犯商业秘密、侵犯著作权等,请点击“违规举报”。

碎片内容

【生产运营】IE部分第二章运转分析

中小学文库+ 关注
实名认证
内容提供者

精品资料应用尽有

确认删除?
VIP
微信客服
  • 扫码咨询
会员Q群
  • 会员专属群点击这里加入QQ群
客服邮箱
回到顶部