电脑桌面
添加小米粒文库到电脑桌面
安装后可以在桌面快捷访问

高考化学化学反应速率与化学平衡综合题及答案解析VIP免费

高考化学化学反应速率与化学平衡综合题及答案解析_第1页
1/16
高考化学化学反应速率与化学平衡综合题及答案解析_第2页
2/16
高考化学化学反应速率与化学平衡综合题及答案解析_第3页
3/16
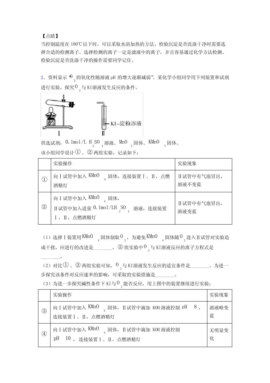
高考化学化学反应速率与化学平衡综合题及答案解析一、化学反应速率与化学平衡1.碳酸镁晶须是一种新型的吸波隐形材料中的增强材料。(1)合成该物质的步骤如下:步骤1:配制0.5mol·L-1MgSO4溶液和0.5mol·L-1NH4HCO3溶液。步骤2:用量筒量取500mLNH4HCO3溶液于1000mL三颈烧瓶中,开启搅拌器。温度控制在50℃。步骤3:将250mLMgSO4溶液逐滴加入NH4HCO3溶液中,1min内滴加完后,用氨水调节溶液pH到9.5。步骤4:放置1h后,过滤,洗涤。步骤5:在40℃的真空干燥箱中干燥10h,得碳酸镁晶须产品(MgCO3·nH2On=1~5)。①步骤2控制温度在50℃,较好的加热方法是_________。②步骤3生成MgCO3·nH2O沉淀的化学方程式为__________。③步骤4检验沉淀是否洗涤干净的方法是__________。(2)测定生成的MgCO3·nH2O中的n值。称量1.000碳酸镁晶须,放入如图所示的广口瓶中加入适量水,并滴入稀硫酸与晶须反应,生成的CO2被NaOH溶液吸收,在室温下反应4~5h,反应后期将温度升到30℃,最后将烧杯中的溶液用已知浓度的盐酸滴定,测得CO2的总量;重复上述操作2次。①图中气球的作用是_________。②上述反应后期要升温到30℃,主要目的是______。③测得每7.8000g碳酸镁晶须产生标准状况下CO2为1.12L,则n值为_______。(3)碳酸镁晶须可由菱镁矿获得,为测定某菱镁矿(主要成分是碳酸镁,含少量碳酸亚铁、二氧化硅)中铁的含量,在实验室分别称取12.5g菱镁矿样品溶于过量的稀硫酸并完全转移到锥形瓶中,加入指示剂,用0.010mol/LH2O2溶液进行滴定。平行测定四组。消耗H2O2溶液的体积数据如表所示。实验编号1234消耗H2O2溶液体积/mL15.0015.0215.6214.98①H2O2溶液应装在_________(填“酸式”或“碱式”)滴定管中。②根据表中数据,可计算出菱镁矿中铁元素的质量分数为_________%(保留小数点后两位)。【答案】水浴加热MgSO4+NH4HCO3+NH3▪H2O+(n-1)H2OMgCO3·nH2O↓+(NH4)2SO4取最后一次洗涤液少许于试管中,加入稀盐酸,无明显现象,然后加入BaCl2溶液,若无白色沉淀,则沉淀已经洗涤干净缓冲压强(或平衡压强),还可以起到封闭体系的作用使广口瓶中溶解的CO2充分逸出,并被NaOH溶液充分吸收4酸式0.13【解析】【分析】本实验题分为合成碳酸镁晶须、测定MgCO3·nH2O中n值、测定菱镁矿中铁的含量三部分。合成碳酸镁晶须是利用MgSO4溶液和NH4HCO3溶液、氨水反应生成。测定MgCO3·nH2O中n值,采用的是加稀硫酸,和MgCO3·nH2O反应,测定产生的CO2的体积,可以通过计算确定MgCO3·nH2O中n值。测定菱镁矿中铁的含量的原理是将菱镁矿中的铁转化为Fe2+,用H2O2溶液滴定,根据消耗的H2O2的物质的量以及电子守恒即可计算出菱镁矿中铁的含量。【详解】(1)①步骤2控制温度在50℃,当温度不超过100℃时,较好的加热方法是水浴加热。水浴加热既可均匀加热,又可以很好地控制温度。②MgSO4溶液和NH4HCO3溶液、氨水反应生成MgCO3·nH2O沉淀的同时还得到(NH4)2SO4,化学方程式为:MgSO4+NH4HCO3+NH3▪H2O+(n-1)H2OMgCO3·nH2O↓+(NH4)2SO4。③步骤4检验沉淀是否洗涤干净,可以检验洗涤液中的SO42-,方法是取最后一次洗涤液少许于试管中,加入稀盐酸,无明显现象,然后加入BaCl2溶液,若无白色沉淀,则沉淀已经洗涤干净。(2)①图中气球可以缓冲压强(或平衡压强),还可以起到封闭体系的作用。②上述反应后期要升温到30℃,主要目的是使广口瓶中溶解的CO2充分逸出,并被NaOH溶液充分吸收。③标准状况下1.12LCO2的物质的量为0.05mol,根据碳守恒,有7.8000g(84+18n)g/mol=0.05mol,解得n=4。(3)①H2O2溶液有强氧化性和弱酸性,应装在酸式滴定管中。②四次实验数据,第3次和其他三次数据偏离较大,舍去,计算出三次实验消耗H2O2溶液体积的平均值为15.00mL。n(H2O2)=0.015L×0.010mol/L=1.5×10-4mol,在H2O2和Fe2+的反应中,H2O2做氧化剂,-1价氧的化合价降低到-2价,Fe2+中铁的化合价升高到+3价,根据电子守恒,n(Fe2+)=2(H2O2)=3×10-4mol,则m(Fe)=3×10-4mol×56g/mol=0.0168g,实验菱镁矿中铁元素的质量分数为0.016812.5×100%=0.13%。【点睛】当控制温度在100℃以下时,可以采取水浴加热的方法。检...

1、当您付费下载文档后,您只拥有了使用权限,并不意味着购买了版权,文档只能用于自身使用,不得用于其他商业用途(如 [转卖]进行直接盈利或[编辑后售卖]进行间接盈利)。
2、本站所有内容均由合作方或网友上传,本站不对文档的完整性、权威性及其观点立场正确性做任何保证或承诺!文档内容仅供研究参考,付费前请自行鉴别。
3、如文档内容存在违规,或者侵犯商业秘密、侵犯著作权等,请点击“违规举报”。

碎片内容

高考化学化学反应速率与化学平衡综合题及答案解析

您可能关注的文档

确认删除?
VIP
微信客服
  • 扫码咨询
会员Q群
  • 会员专属群点击这里加入QQ群
客服邮箱
回到顶部