电脑桌面
添加小米粒文库到电脑桌面
安装后可以在桌面快捷访问

高考化学 化学反应速率与化学平衡 综合题及答案VIP免费

高考化学 化学反应速率与化学平衡 综合题及答案_第1页
1/17
高考化学 化学反应速率与化学平衡 综合题及答案_第2页
2/17
高考化学 化学反应速率与化学平衡 综合题及答案_第3页
3/17
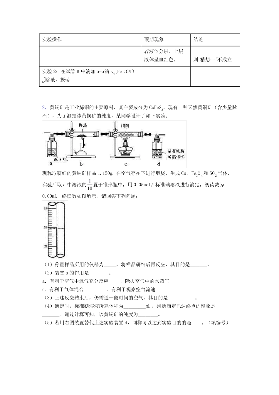
高考化学化学反应速率与化学平衡综合题及答案一、化学反应速率与化学平衡1.为了证明化学反应有一定的限度,进行了如下探究活动:步骤1:取8mL0.11molL的KI溶液于试管,滴加0.11molL的FeCl3溶液5~6滴,振荡;请写出步骤1中发生的离子反应方程式:_________________步骤2:在上述试管中加入2mLCCl4,充分振荡、静置;步骤3:取上述步骤2静置分层后的上层水溶液少量于试管,滴加0.11molL的KSCN溶液5~6滴,振荡,未见溶液呈血红色。探究的目的是通过检验Fe3+,来验证是否有Fe3+残留,从而证明化学反应有一定的限度。针对实验现象,同学们提出了下列两种猜想:猜想一:KI溶液过量,Fe3+完全转化为Fe2+,溶液无Fe3+猜想二:Fe3+大部分转化为Fe2+,使生成Fe(SCN)3浓度极小,肉眼无法观察其颜色为了验证猜想,在查阅资料后,获得下列信息:信息一:乙醚比水轻且微溶于水,Fe(SCN)3在乙醚中的溶解度比在水中大。信息二:Fe3+可与46[()]FeCN反应生成蓝色沉淀,用K4[Fe(CN)6]溶液检验Fe3+的灵敏度比用KSCN更高。结合新信息,请你完成以下实验:各取少许步骤2静置分层后的上层水溶液于试管A、B中,请将相关的实验操作、预期现象和结论填入下表空白处:实验操作预期现象结论实验1:在试管A加入少量乙醚,充分振荡,静置_________________________实验2:__________________________若产生蓝色沉淀则“猜想二”成立【答案】322222FeIFeI若液体分层,上层液体呈血红色。则“猜想一”不成立在试管B中滴加5-6滴K4[Fe(CN)6]溶液,振荡【解析】【分析】【详解】(1)KI溶液与FeCl3溶液离子反应方程式322222FeIFeI;(2)①由信息信息一可得:取萃取后的上层清液滴加2-3滴K4[Fe(CN)6]溶液,产生蓝色沉淀,由信息二可得:往探究活动III溶液中加入乙醚,充分振荡,乙醚层呈血红色,实验操作预期现象结论若液体分层,上层液体呈血红色。则“猜想一”不成立实验2:在试管B中滴加5-6滴K4[Fe(CN)6]溶液,振荡2.黄铜矿是工业炼铜的主要原料,其主要成分为CuFeS2,现有一种天然黄铜矿(含少量脉石),为了测定该黄铜矿的纯度,某同学设计了如下实验:现称取研细的黄铜矿样品1.150g,在空气存在下进行煅烧,生成Cu、Fe3O4和SO2气体,实验后取d中溶液的置于锥形瓶中,用0.05mol/L标准碘溶液进行滴定,初读数为0.00mL,终读数如图所示。请回答下列问题:(1)称量样品所用的仪器为_____,将样品研细后再反应,其目的是_______。(2)装置a的作用是________。a.有利于空气中氧气充分反应b.除去空气中的水蒸气c.有利于气体混合d.有利于观察空气流速(3)上述反应结束后,仍需通一段时间的空气,其目的是___________。(4)滴定时,标准碘溶液所耗体积为_________mL。判断滴定已达终点的现象是_______。通过计算可知,该黄铜矿的纯度为________。(5)若用右图装置替代上述实验装置d,同样可以达到实验目的的是____。(填编号)(6)若将原装置d中的试液改为Ba(OH)2,测得的黄铜矿纯度误差为+1%,假设实验操作均正确,可能的原因主要有____________________。【答案】电子天平使原料充分反应、加快反应速率b、d使反应生成的SO2全部进入d装置中,使结果精确20.10mL溶液恰好由无色变成浅蓝色,且半分钟内不褪色80.4%②空气中的CO2与Ba(OH)2反应生成BaCO3沉淀;BaSO3被氧化成BaSO4【解析】【分析】(1)根据称量黄铜矿样品1.150g,选择精确度较高的仪器;将样品研细,增大了接触面积;(2)浓硫酸可以将水除去,还可以根据冒出气泡的速率来调节空气流速;(3)反应产生的二氧化硫应该尽可能的被d装置吸收;(4)根据滴定管的读数方法读出消耗碘溶液的体积,根据反应结束时的颜色变化判断滴定终点;先找出黄铜矿和二氧化硫及碘单质的关系式CuFeS2~2SO2~2I2,再根据题中数据进行计算;(5)图2中的②中通入二氧化硫,反应生成了硫酸钡沉淀,可以根据硫酸钡的质量计算二氧化硫的量;(6)Ba(OH)2溶液能吸收空气的CO2,另外BaSO3易被空气中氧气氧化,这些原因均能引起测定误差。【详解】(1)由于称量黄铜矿样品1.150g,精确度达到了千分之一,应该选用电子天平进行称量,把黄铜...

1、当您付费下载文档后,您只拥有了使用权限,并不意味着购买了版权,文档只能用于自身使用,不得用于其他商业用途(如 [转卖]进行直接盈利或[编辑后售卖]进行间接盈利)。
2、本站所有内容均由合作方或网友上传,本站不对文档的完整性、权威性及其观点立场正确性做任何保证或承诺!文档内容仅供研究参考,付费前请自行鉴别。
3、如文档内容存在违规,或者侵犯商业秘密、侵犯著作权等,请点击“违规举报”。

碎片内容

高考化学 化学反应速率与化学平衡 综合题及答案

您可能关注的文档

确认删除?
VIP
微信客服
  • 扫码咨询
会员Q群
  • 会员专属群点击这里加入QQ群
客服邮箱
回到顶部