电脑桌面
添加小米粒文库到电脑桌面
安装后可以在桌面快捷访问

控制器使用说明书VIP免费

控制器使用说明书_第1页
1/11
控制器使用说明书_第2页
2/11
控制器使用说明书_第3页
3/11
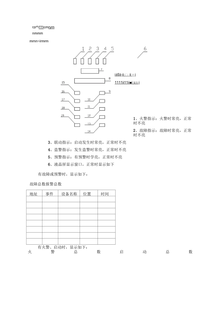
JB-TB-BK8000智能型火灾报警控制器(联动型)本系统中的控制器采取模块化、积木式结构设计,使打印机、大屏幕汉显液晶屏、PC机、联动控制板、回路板可与主控板任意组合,32台控制器可构成大型网络,每台控制器其软件、硬件构成方式和带载能力完全相同,因此,即可成为主控机(集中机)又可做从机(区域机)使用。系统采用两总线、无极性、模拟量信号传输方式,总线上可并接所有的输入/输出模块及探测器。其性能符合国际GB4717-93和GB16806-1997的要求。一、主要功能1、故障报警当检测点由于某种原因发生故障时,控制器面板上的黄色发光管点亮,液晶上显示总数及探测点的地址、位置、名称、时间等信息,并伴随有喇叭报警声。若回路发生故障时,液晶屏的地址位置显示“_路”。主、从机若通讯有故障时,液静晶屏的地址位置显示“—从机”。2、预警报警2.1监测点由于长期使用或者在调试过程中出现重码等原因引起模拟值偏高,系统将其作为预警处理,面板上的预警灯被点亮,液晶显示预警总数及监测点的地址、位置、名称、时间等信息,并伴随有喇叭报警声。2.2监测点接收到早期异常情况,但未达到报警点,系统须作进一步判断,系统将预警和故障作为同一级别处理,因而在液晶上采用同屏显示。3、火警、启动当监测点发生火灾时,面板火警被点亮,且面板上的首火警地址,液晶屏上显示火警总数及监测点的地址、名称、位置、时间等信息,并伴随有喇叭报警声;不管在手动或自动状态下,系统发出启动指令后,面板上联动灯被点亮;如果联动设备有回答信号时,液晶显示联动设备的地址,名称、位置、时间等信息,并伴随有喇叭报警声。以上各种报警信息均可采用快捷键进行查询。4、火警优先在任何情况下,火警、启动为最高级别,优先于故障、预警。5、消音键任何报警引起的喇叭均利用消音键进行消音。6、电源转换系统采用了主电与备电两种供电方式,并具有自识别能力,能对主电的过压、欠压或失压以及备电低于额定的电压值时,失压等进行声与光的报警。7、手动与自动系统设有自动与手动的转换功能,通过自动与手动转换键完成。8、复位当火警、启动等状态发生后,系统具有保持功能,通过复位键可以使系统进行复位操作,从机可接受主机的复位信号。9、关机记忆系统对火警、启动几开、关机的时间具有记忆功能,以供随时查询。10、时钟系统采用了工作在InteL总线方式的实时时钟,有闰年补偿功能,内含锂电池,具有掉电保护功能,从而保证了显示的时间都是当前时间。11、打印功能系统可以自动识别打印机是否在线,若打印机在线,可对发生的火警、启动、故障、预警等事件的地址和时间以及设备名称,进行自动打印。12、火警继电器继电器的常开触头,在发生火警时,能自动吸合进行动作。13、中央外控继电器的常开触点,在发生火警时,按照事先设定好;的逻辑关系进行动作,同时也通过面板上的手动按钮启动或停止任一中央外控设备,中央外控面板上有各个外控设备所对应的启动、停止按键和相应的状态指示灯。14、灵敏度调整系统对灵敏度的调整即可按时间段进行调整(白天段与夜晚段),也可进行手动设置。15、屏蔽、释放、登记系统可以进行自动登记所连接的检测点的地址,也可以通过手动进行监测地址的登记,还可以完成对特定监测地址的屏蔽与释放操作二、技术指标1、容量由于本系统采用了积木式结构,因此系统可任意组合,每一回路可接127个检测点,每台可接8个回路,每台集中机可接31台区域机,主,从机之间采用标准RS-485联接,最长距离可达1500M。2、线制两总线制,所有探测器输入模块和输出模块(须另加两根电源线)可并接在总线上,不分极性。两总线可采用消防专用平行线、双绞线。主、从机连接线可采用双交线或同轴电缆线。3、使用环境温度:0°C—40°C相对湿度:W95%(40±2°C)4、工作电压:AC220V±15%50HZDC24V7AH(15AH)5、功耗:监控功耗W50W额定功耗W100W6、结构形式壁挂式;立柜式琴台式三、显示介绍3.1面板分布如下:rzr^ITTIcmryrnnmmmmrnn~irmrmiiii$ii-ii匚」ii畀i1111ii11ii■i复位i1、火警指示:火警时常亮,正常时不亮2、故障指示:故障时常亮,正常时不亮3、联动指示:启动发生时常亮,正常时不...

1、当您付费下载文档后,您只拥有了使用权限,并不意味着购买了版权,文档只能用于自身使用,不得用于其他商业用途(如 [转卖]进行直接盈利或[编辑后售卖]进行间接盈利)。
2、本站所有内容均由合作方或网友上传,本站不对文档的完整性、权威性及其观点立场正确性做任何保证或承诺!文档内容仅供研究参考,付费前请自行鉴别。
3、如文档内容存在违规,或者侵犯商业秘密、侵犯著作权等,请点击“违规举报”。

碎片内容

控制器使用说明书

您可能关注的文档

确认删除?
VIP
微信客服
  • 扫码咨询
会员Q群
  • 会员专属群点击这里加入QQ群
客服邮箱
回到顶部