电脑桌面
添加小米粒文库到电脑桌面
安装后可以在桌面快捷访问

水利工程项目划分范例VIP免费

水利工程项目划分范例_第1页
1/9
水利工程项目划分范例_第2页
2/9
水利工程项目划分范例_第3页
3/9
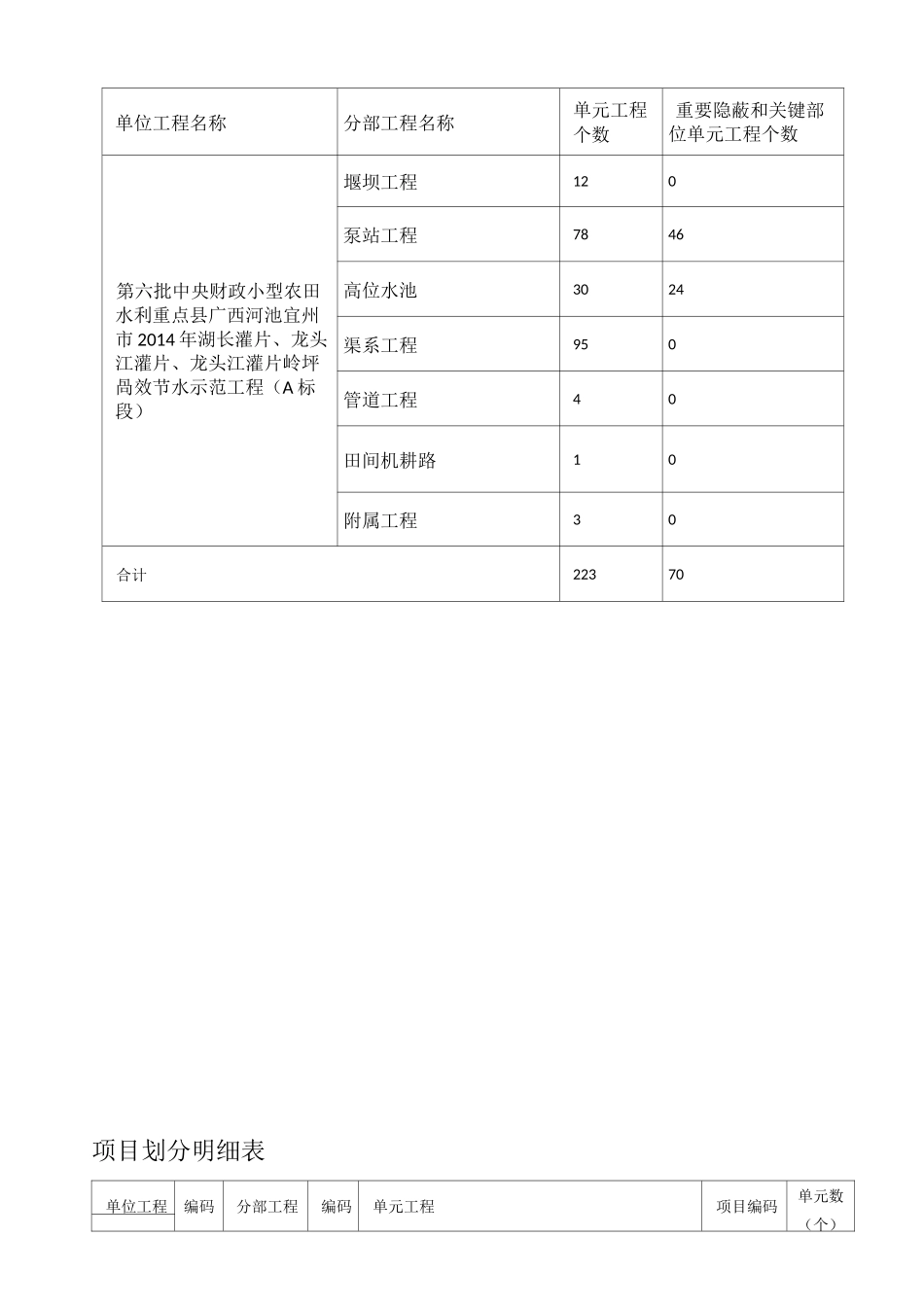
第六批中央财政小型农田水利重点县广西河池宜州市2014年湖长灌片、龙头江灌片、龙头江灌片岭坪高效节水示范工程(A标段)项目划分表编制审核:审批广西鸿志建设工程有限公司2015年11月编制说明1、工程概况第六批中央财政小型农田水利重点县广西河池宜州市2014年湖长灌片、龙头江灌片、龙头江灌片岭坪高效节水示范工程,设计灌溉面积万亩,恢复灌面积万亩,改善灌溉面积万亩。新建电灌溉泵站13座,高位水池6座,改造堰坝3座。渠道工程改建。2、单元划分依据《水利水电工程施工质量检验与评定规程》(SL176-2007)《水利水电工程工程单元工程施工质量验收评定标准》(SL631-637-2012)《水利水电建设工程验收规程》(SL223-2008)3、划分原则(1)单位工程划分原则以整个第六批中央财政小型农田水利重点县广西河池宜州市2014年湖长灌片、龙头江灌片、龙头江灌片岭坪高效节水示范工程A标段为一个单位工程。(2)分部工程划分原则本工程以某一类型的的工程为分部工程,分为堰坝工程、泵站工程、高位水池工程、渠系工程、管网工程、田间机耕路和附属工程。(3)单元工程划分原则对照《单元工程评定标准》和《填表说明与示例》然后根据工程情况和施工计划等因素确定单元工程量的大小,进而确定单元工程数量。项目划分统计表单位工程名称分部工程名称单元工程个数重要隐蔽和关键部位单元工程个数第六批中央财政小型农田水利重点县广西河池宜州市2014年湖长灌片、龙头江灌片、龙头江灌片岭坪咼效节水示范工程(A标段)堰坝工程120泵站工程7846高位水池3024渠系工程950管道工程40田间机耕路10附属工程30合计22370项目划分明细表单位工程编码分部工程编码单元工程项目编码单元数(个)下羊1#堰坝C20砼护坦下羊2#堰坝基础开挖下羊2#堰坝浆砌石护岸下羊2#堰坝坝体下羊2#堰坝C20砼护坦中村堰坝基础开挖中村堰坝浆砌石护岸△堰坝工程A-YB下羊2#堰坝中村堰坝下羊1#堰坝C20砼护坦下羊2#堰坝基础开挖下羊2#堰坝浆砌石护岸下羊2#堰坝坝体下羊2#堰坝C20砼护坦中村堰坝基础开挖中村堰坝浆砌石护岸A-YB-4A-YB-5A-YB-6A-YB-7A-YB-8A-YB-9A-YB-10中村堰坝坝体A-YB-11中村堰坝C20砼护坦A-YB-12广西河池宜州市2014年湖长灌片高效节水示范工程(A标段)厂上泵站厂上二级泵站△泵站工程A-BZ五七泵站大湾泵站▲泵站基础开挖▲泵房基础底板砼▲操作层及以下塔体砼操作层以上柱梁板砼操作层以上砖墙砌筑★设备安装▲泵站基础开挖泵站基础砼泵站墙体砌筑泵站屋面梁板砼★设备安装前池池体浇筑及盖板▲泵站基础开挖▲泵房基础底板砼▲操作层及以下塔体砼操作层以上柱梁板砼操作层以上砖墙砌筑★设备安装▲泵站基础开挖▲泵房基础底板砼▲操作层及以下塔体砼操作层以上柱梁板砼操作层以上砖墙砌筑★设备安装A-BZ-1A-BZ-2A-BZ-3A-BZ-4A-BZ-5A-BZ-6A-BZ-7A-BZ-8A-BZ-9A-BZ-10A-BZ-11A-BZ-12A-BZ-13A-BZ-14A-BZ-15A-BZ-16A-BZ-17A-BZ-18A-BZ-19A-BZ-20A-BZ-21A-BZ-22A-BZ-23A-BZ-24说明:△为主要分部工程,▲为重要隐蔽单元工程,★为关键部位单元工程项目划分明细表(续)24单位工程编码分部工程编码单元工程项目编码单元数(个)广西河A△泵站工A-BZ木棉泵站▲泵站基础开挖A-BZ-2536池宜州市2014年湖长灌片高效节水示范工程(A标段)▲泵房基础底板砼A-BZ-26▲操作层及以下塔体砼A-BZ-27操作层以上柱梁板砼A-BZ-28操作层以上砖墙砌筑A-BZ-29★设备安装A-BZ-30盘龙泵站▲泵站基础开挖A-BZ-31▲泵房基础底板砼A-BZ-32▲操作层及以下塔体砼A-BZ-33操作层以上柱梁板砼A-BZ-34操作层以上砖墙砌筑A-BZ-35★设备安装A-BZ-36湖长泵站▲泵站基础开挖A-BZ-37▲泵房基础底板砼A-BZ-38▲操作层及以下塔体砼A-BZ-39操作层以上柱梁板砼A-BZ-40操作层以上砖墙砌筑A-BZ-41★设备安装A-BZ-42岸口泵站▲泵站基础开挖A-BZ-43▲泵房基础底板砼A-BZ-44▲操作层及以下塔体砼A-BZ-45操作层以上柱梁板砼A-BZ-46操作层以上砖墙砌筑A-BZ-47★设备安装A-BZ-48江口1#泵站▲泵站基础开挖A-BZ-49▲泵房基础底板砼A-BZ-50▲操作层及以下塔体砼A-BZ-51操作层以上柱梁板砼A-BZ-52操作层以上砖墙砌筑A-BZ-53★设备安装A-BZ-54江口2#泵站▲泵站基础开挖A-BZ-55泵站基础...

1、当您付费下载文档后,您只拥有了使用权限,并不意味着购买了版权,文档只能用于自身使用,不得用于其他商业用途(如 [转卖]进行直接盈利或[编辑后售卖]进行间接盈利)。
2、本站所有内容均由合作方或网友上传,本站不对文档的完整性、权威性及其观点立场正确性做任何保证或承诺!文档内容仅供研究参考,付费前请自行鉴别。
3、如文档内容存在违规,或者侵犯商业秘密、侵犯著作权等,请点击“违规举报”。

碎片内容

水利工程项目划分范例

您可能关注的文档

确认删除?
VIP
微信客服
  • 扫码咨询
会员Q群
  • 会员专属群点击这里加入QQ群
客服邮箱
回到顶部