电脑桌面
添加小米粒文库到电脑桌面
安装后可以在桌面快捷访问

光伏发电技术及应用试卷及答案F VIP免费

光伏发电技术及应用试卷及答案F _第1页
1/10
光伏发电技术及应用试卷及答案F _第2页
2/10
光伏发电技术及应用试卷及答案F _第3页
3/10
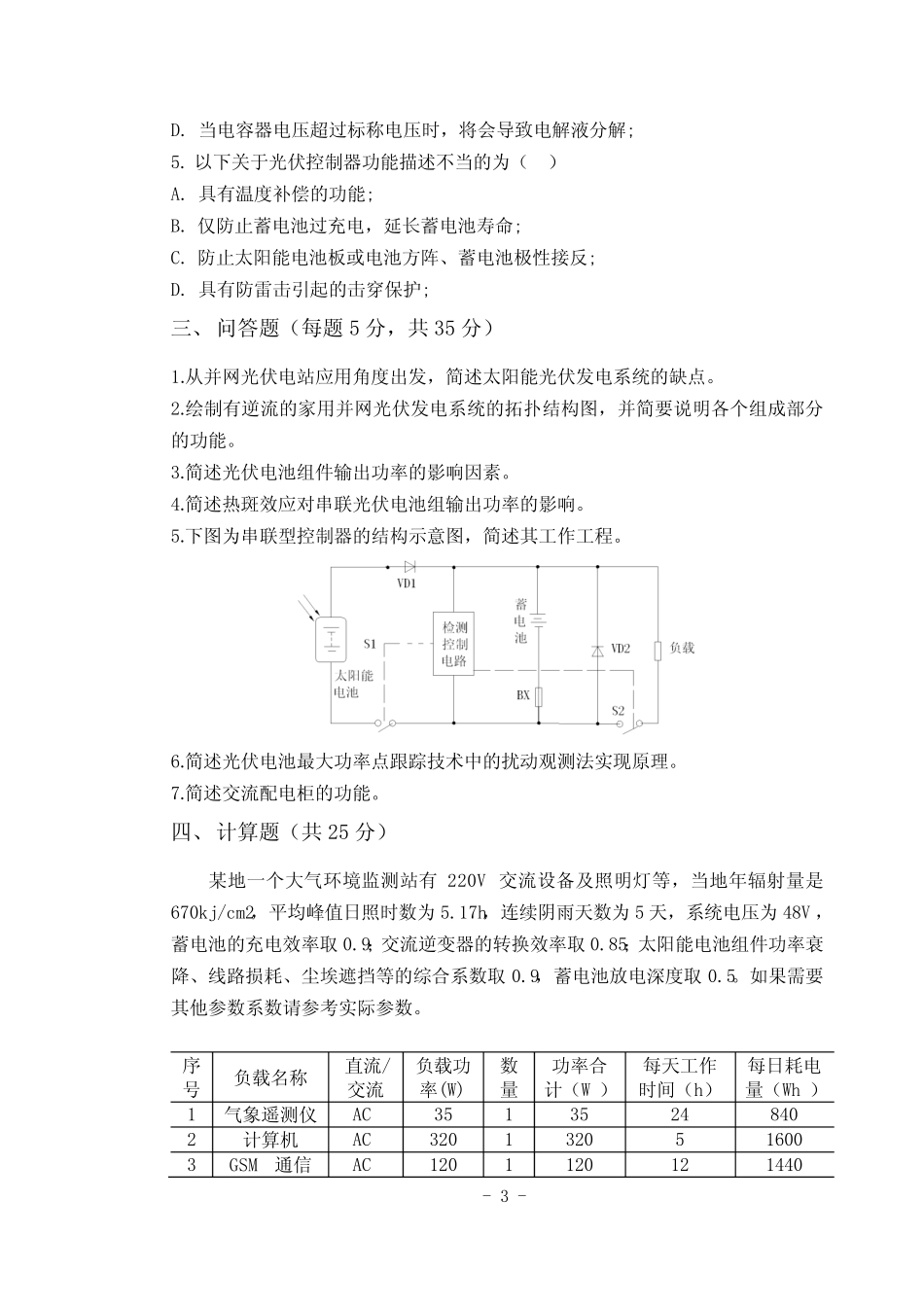
-1-《光伏发电技术及应用》期末试卷(F)注:所有答案填写在答题纸中。一、判断题(每题2分,共30分)题号1234567891011121314151.2010年,我国太阳能电池产量达到10GW,约占全球光伏电池产量的一半。目前,我国光伏发电的应用市场处于起步阶段。从当前光伏发电应用领域来看,现主要广泛应用于工业、农业、科技、国防及人们生活方面。2.建筑与光伏系统相结合(BAPV)是光伏与建筑相结合的第一步,是将现成的平板式光伏组件安装在建筑物的屋顶等处,引出端经过逆变器和控制器装置与电网联接,由光伏系统和电网并联向用户供电,多余电力向电网反馈。3.根据“太阳能发电发展“十二五”规划”,重点在中东部地区建设与建筑结合的分布式光伏发电系统,建成分布式光伏发电总装机容量2000万千瓦。4.太阳能能辐射量单位有卡(cal)、焦耳(J)、瓦(W)等,1千瓦时(kWh)=3.6兆焦(MJ)。1千瓦时/米2(kWh/m2)=3.6兆焦/米2(MJ/rm2)=3.6千焦/厘米2(kj/cm2)。5.日照时间是影响地面太阳辐射度的一个重要因素。日照时间越长,地面所获得的太阳总辐射量就越多。6.当前规格单体太阳能电池的输出电压、电流和功率都很小,工作电压只有0.48~0.5V,由于受硅片材料尺寸限制,单体电池片输出功率最大也只有3~4W。7.太阳能电池的峰值电压Um也叫最大工作电压或最佳工作电压。峰值电压是指太阳能电池片的最大工作电压,峰值电压的单位是V。8.放电深度和电池循环使用次数关系很大,放电深度越大,循环使用次数越大;放电深度越小,循环使用次数越小。9.在表示蓄电池容量C时,会在其下角处标明放电时率,如C10表明是10小时率的放电容量,C60表明是60小时率的放电容量。10.蓄电池自放电率是指蓄电池在开路状态下的储存期内,由于自放电而引起活题号一二三四五六七八九十总分分数适用专业光伏应用技术考试方式(闭卷)考试时间为120分钟2性物质损耗,每天或每月容量降低的百分数称为自放电率。自放电率指标可衡量蓄电池的储存性能。11.超级电容器的储能过程和铅酸蓄电池一样,属于化学反应,并且这种储能过程是可逆的。12.控制器的电路自身损耗也叫空载损耗(静态电流)或最大自消耗电流。其最大自身损耗不得超过其额定充电电流的1%或0.4W。13.逆变器额定输出容量是指当输出功率因数为l(即纯感性负载)时,逆变器额定输出电压和额定输出电流的乘积,单位是kVA或kW。14.逆变器过载能力是要求逆变器在特定的输出功率条件下能持续工作一定的时间,当输入电压与输出功率为额定值的150%时,逆变器应连续可靠工作l0s以上。15.一个小时的峰值日照就叫做峰值日照小时。峰值日照小时数是一个描述太阳辐射的单位,单位为W/㎡。二、单选题(每题2分,共10分)题号12345答案1.光伏组件倾斜面电池所接受到的辐射量TTTTRDSQ,TQ为倾斜面接收到的总辐射量;TS为倾斜面接收到的直接辐射;TD为倾斜面接收到的散射辐射量;TR为()A.地面收到的地面反射;B.倾斜面接收到的地面反射;C.倾斜面接收到的折射;D.水平面接收到的地面反射;2.有一铅酸蓄电池型号为QA-120,表示该电池的容量为()。A.120小时率额定容量为1Ah;B.120小时率额定容量为10Ah;C.20小时率额定容量为1Ah;D.20小时率额定容量为120Ah;3.蓄电池过充电保护电压也叫充满断开或过压关断电压,一般可根据需要及蓄电池类型的不同,例如一个12V系统的蓄电池过充电保护电压为()A.14.1V;B.4.6V;C.2.2V;D.28.8V;4.以下关于超级电容器使用事项描述不当的为()A.超级电容器具有固定的极性;B.外界环境温度对于超级电容器的寿命有着重要的影响,电容器应尽量远离热源;C.超级电容器的存放不受温度、湿度的影响;-3-D.当电容器电压超过标称电压时,将会导致电解液分解;5.以下关于光伏控制器功能描述不当的为()A.具有温度补偿的功能;B.仅防止蓄电池过充电,延长蓄电池寿命;C.防止太阳能电池板或电池方阵、蓄电池极性接反;D.具有防雷击引起的击穿保护;三、问答题(每题5分,共35分)1.从并网光伏电站应用角度出发,简述太阳能光伏发电系统的缺点。2.绘制有逆流的家用并网光伏发电系统的拓扑结构图,并简要说明各个组成部分的功能。3.简述光伏电池组件输出功率的影响因素。4.简述热斑...

1、当您付费下载文档后,您只拥有了使用权限,并不意味着购买了版权,文档只能用于自身使用,不得用于其他商业用途(如 [转卖]进行直接盈利或[编辑后售卖]进行间接盈利)。
2、本站所有内容均由合作方或网友上传,本站不对文档的完整性、权威性及其观点立场正确性做任何保证或承诺!文档内容仅供研究参考,付费前请自行鉴别。
3、如文档内容存在违规,或者侵犯商业秘密、侵犯著作权等,请点击“违规举报”。

碎片内容

光伏发电技术及应用试卷及答案F

您可能关注的文档

文达天下+ 关注
实名认证
内容提供者

各类试题、文摘、指南、行业规范

相关文档

确认删除?
VIP
微信客服
  • 扫码咨询
会员Q群
  • 会员专属群点击这里加入QQ群
客服邮箱
回到顶部