电脑桌面
添加小米粒文库到电脑桌面
安装后可以在桌面快捷访问

地基基础课程设计指导书+任务书(同名5083)VIP免费

地基基础课程设计指导书+任务书(同名5083)_第1页
1/11
地基基础课程设计指导书+任务书(同名5083)_第2页
2/11
地基基础课程设计指导书+任务书(同名5083)_第3页
3/11
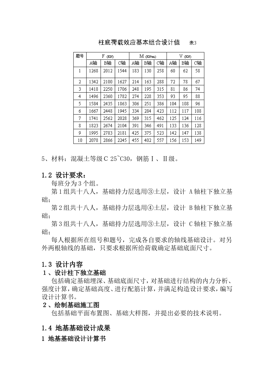
《土力学与地基基础》课程设计任务书题目:柱下钢筋混凝土独立基础1.1设计资料1.地形:拟建建筑场地平整2.工程地质资料:自上而下依次为:①杂填土:厚约0.5m,含部分建筑垃圾;②粉质粘土:厚1.2m,软塑,潮湿,承载力特征值=130;③粘土:厚1.5m,可塑,稍湿,承载力特征值=180;④全风化砂质泥岩:厚2.7m,承载力特征值=240⑤强风化砂质泥岩:厚3.0m,承载力特征值=300⑥中风化砂质泥岩:厚4.0m,承载力特征值=6203、水文资料为:地下水对混凝土无侵蚀性。地下水位深度:位于地表下1.5m。4、上部结构资料:上部结构为多层全现浇框架结构,室外地坪标高同自然地面,室内外高差450mm。柱网布置见下图:上部结构作用在柱底的荷载标准值见表2:上部结构作用在柱底的荷载效应基本组合设计值见表3:5、材料:混凝土等级C25~C30,钢筋Ⅰ、Ⅱ级。1.2设计要求:每班分为3个组。第1组共十八人,基础持力层选用③土层,设计A轴柱下独立基础;第2组共十八人,基础持力层选用④土层,设计B轴柱下独立基础;第3组共十八人,基础持力层选用③土层,设计C轴柱下独立基础;每人根据所在组号和题号,完成各自要求的轴线基础设计。对另外两根轴线的基础,只要求根据所给荷载确定基础底面尺寸。1.3设计内容1、设计柱下独立基础包括确定基础埋深、基础底面尺寸,对基础进行结构的内力分析、强度计算,确定基础高度、进行配筋计算,并满足构造设计要求,编写设计计算书。2、绘制基础施工图包括基础平面布置图、基础大样图,并提出必要的技术说明。1.4地基基础设计成果1地基基础设计计算书(1)设计计算书封面封面上应写明设计题目、学生姓名、专业、年级、指导教师姓名、完成日期(2)目录及正文格式(格式另见附属文件)。2设计图纸设计要求:绘制比例为1:100或1:200A3图纸打印稿《土力学与地基基础》课程设计指导书地基基础设计是土木工程结构设计的重要组成部分,必须根据上部结构条件(建筑物的用途和安全等级、建筑布置、上部结构类型等)和工程地质条件(建筑场地、地基岩土和气候条件等),结合考虑其他方面的要求(工期、施工条件、造价和节约资源等),合理选择地基基础方案,因地制宜,精心设计,以确保建筑物和构筑物的安全和正常使用。基础设计可按下列步骤进行:(1)选择基础的材料、类型,进行基础平面布置;。(2)选择地基持力层;(3)地基承载力验算,确定基础底面尺寸;(4)地基变形验算;(5)基础结构设计;(6)基础施工图绘制,并提出必要的技术说明。1.1柱下独立基础设计1、地基承载力特征值的确定:确定地基承载力特征值的方法有以下儿种:(1)按载荷试验确定(2)按野外鉴别结果确定(3)按物理力学指标确定。(4)按原位测试结果确定(5)根据地基土的抗剪强度指标,按理论公式确定(6)应用地区建筑经验,采取工程地质类比法确定2、地基承载力特征值的修正当基础宽度大于3m或埋置深度大于0.5m时,从载荷试验或其他原位测试、经验值等方法确定的地基承载力特征值,尚应按下式修正:)5.0()3(dbffmdbaka式中:af——修正后的地基承载力特征值KPa;akf——地基承载力特征值KPa;b、d——基础宽度和埋深的地基承载力修正系数,按基底下土的类别查教材表4——基底以下土的重度,地下水位以下取浮重度'(3/mkN);m——基底以上土的加权平均重度,地下水位以下取浮重度(3/mkN);b——基础底面宽度(m);当宽度小于3m按3m取值,大于6m按6m取值;d——基础埋置深度(m);当埋深小于0.5m时按0.5m取值,一般自室外地面标高算起。在填方整平地区,可自填土地面标高算起,但填土在上部结构施工后完成时,应从天然地面标高算起。对于地下室,如采用箱形基础或筏基时,基础埋置深度自室外地面标高算起;当采用独立基础或条形基础时.应从室内地面标高算起。承载力修正系数表4土的类别bd淤泥和淤泥质土01.0人工填土e或LI大于等于0.85的粘性土01.0红粘土含水比8.0W含水比8.0W00.151.21.4大面积压实填土压实系数大于0.95、粘粒含量%10c的粉土最大干密度大于2.1t/m³的级配砂石001.52.0粉土粘粒含量%10c的粉土粘粒含量%10c的粉土0.30.51.52.0e...

1、当您付费下载文档后,您只拥有了使用权限,并不意味着购买了版权,文档只能用于自身使用,不得用于其他商业用途(如 [转卖]进行直接盈利或[编辑后售卖]进行间接盈利)。
2、本站所有内容均由合作方或网友上传,本站不对文档的完整性、权威性及其观点立场正确性做任何保证或承诺!文档内容仅供研究参考,付费前请自行鉴别。
3、如文档内容存在违规,或者侵犯商业秘密、侵犯著作权等,请点击“违规举报”。

碎片内容

地基基础课程设计指导书+任务书(同名5083)

您可能关注的文档

确认删除?
VIP
微信客服
  • 扫码咨询
会员Q群
  • 会员专属群点击这里加入QQ群
客服邮箱
回到顶部