电脑桌面
添加小米粒文库到电脑桌面
安装后可以在桌面快捷访问

地基基础课程设计指导书+任务书VIP免费

地基基础课程设计指导书+任务书_第1页
1/13
地基基础课程设计指导书+任务书_第2页
2/13
地基基础课程设计指导书+任务书_第3页
3/13
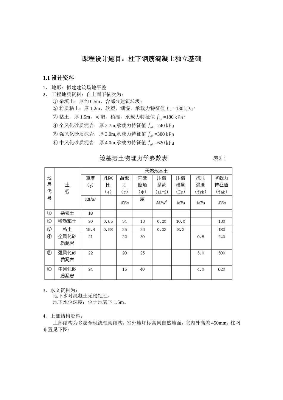
地基基础课程设计任务书课程设计题目:柱下钢筋混凝土独立基础1.1设计资料1、地形:拟建建筑场地平整2、工程地质资料:自上而下依次为:①杂填土:厚约0.5m,含部分建筑垃圾;②粉质粘土:厚1.2m,软塑,潮湿,承载力特征值=130;③粘土:厚1.5m,可塑,稍湿,承载力特征值=180;④全风化砂质泥岩:厚2.7m,承载力特征值=240⑤强风化砂质泥岩:厚3.0m,承载力特征值=300⑥中风化砂质泥岩:厚4.0m,承载力特征值=6203、水文资料为:地下水对混凝土无侵蚀性。地下水位深度:位于地表下1.5m。4、上部结构资料:上部结构为多层全现浇框架结构,室外地坪标高同自然地面,室内外高差450mm。柱网布置见下图:上部结构作用在柱底的荷载标准值见表2:上部结构作用在柱底的荷载效应基本组合设计值见表3:5、材料:混凝土等级C25~C30,钢筋Ⅰ、Ⅱ级。1.2设计要求:每班分为3个组。第1组共十人,基础持力层选用③土层,设计A轴柱下独立基础;第2组共十人,基础持力层选用④土层,设计B轴柱下独立基础;第3组共十人,基础持力层选用③土层,设计C轴柱下独立基础;每人根据所在组号和题号,完成各自要求的轴线基础设计。对另外两根轴线的基础,只要求根据所给荷载确定基础底面尺寸。1.3设计内容1、设计柱下独立基础包括确定基础埋深、基础底面尺寸,对基础进行结构的内力分析、强度计算,确定基础高度、进行配筋计算,并满足构造设计要求,编写设计计算书。2、绘制基础施工图包括基础平面布置图、基础大样图,并提出必要的技术说明。1.4地基基础设计成果1地基基础设计计算书(1)设计计算书封面封面上应写明设计题目、学生姓名、专业、年级、指导教师姓名、完成日期(2)目录及正文格式(格式另见附属文件)。2设计图纸设计要求:绘制比例为1:100或1:200A3图纸打印稿地基基础课程设计指导书地基基础设计是土木工程结构设计的重要组成部分,必须根据上部结构条件(建筑物的用途和安全等级、建筑布置、上部结构类型等)和工程地质条件(建筑场地、地基岩土和气候条件等),结合考虑其他方面的要求(工期、施工条件、造价和节约资源等),合理选择地基基础方案,因地制宜,精心设计,以确保建筑物和构筑物的安全和正常使用。基础设计可按下列步骤进行:(1)选择基础的材料、类型,进行基础平面布置;。(2)选择地基持力层;(3)地基承载力验算,确定基础底面尺寸;(4)地基变形验算;(5)基础结构设计;(6)基础施工图绘制,并提出必要的技术说明。1.1柱下独立基础设计1、地基承载力特征值的确定:确定地基承载力特征值的方法有以下儿种:(1)按载荷试验确定(2)按野外鉴别结果确定(3)按物理力学指标确定。(4)按原位测试结果确定(5)根据地基土的抗剪强度指标,按理论公式确定(6)应用地区建筑经验,采取工程地质类比法确定2、地基承载力特征值的修正当基础宽度大于3m或埋置深度大于0.5m时,从载荷试验或其他原位测试、经验值等方法确定的地基承载力特征值,尚应按下式修正:)5.0()3(dbffmdbaka式中:af——修正后的地基承载力特征值KPa;akf——地基承载力特征值KPa;b、d——基础宽度和埋深的地基承载力修正系数,按基底下土的类别查教材表4——基底以下土的重度,地下水位以下取浮重度'(3/mkN);m——基底以上土的加权平均重度,地下水位以下取浮重度(3/mkN);b——基础底面宽度(m);当宽度小于3m按3m取值,大于6m按6m取值;d——基础埋置深度(m);当埋深小于0.5m时按0.5m取值,一般自室外地面标高算起。在填方整平地区,可自填土地面标高算起,但填土在上部结构施工后完成时,应从天然地面标高算起。对于地下室,如采用箱形基础或筏基时,基础埋置深度自室外地面标高算起;当采用独立基础或条形基础时.应从室内地面标高算起。承载力修正系数表4土的类别bd淤泥和淤泥质土01.0人工填土01.0e或LI大于等于0.85的粘性土红粘土含水比8.0W含水比8.0W00.151.21.4大面积压实填土压实系数大于0.95、粘粒含量%10c的粉土最大干密度大于2.1t/m³的级配砂石001.52.0粉土粘粒含量%10c的粉土粘粒含量%10c的粉土0.30.51.52.0e或LI均小于0.85的粘性...

1、当您付费下载文档后,您只拥有了使用权限,并不意味着购买了版权,文档只能用于自身使用,不得用于其他商业用途(如 [转卖]进行直接盈利或[编辑后售卖]进行间接盈利)。
2、本站所有内容均由合作方或网友上传,本站不对文档的完整性、权威性及其观点立场正确性做任何保证或承诺!文档内容仅供研究参考,付费前请自行鉴别。
3、如文档内容存在违规,或者侵犯商业秘密、侵犯著作权等,请点击“违规举报”。

碎片内容

地基基础课程设计指导书+任务书

您可能关注的文档

确认删除?
VIP
微信客服
  • 扫码咨询
会员Q群
  • 会员专属群点击这里加入QQ群
客服邮箱
回到顶部