电脑桌面
添加小米粒文库到电脑桌面
安装后可以在桌面快捷访问

地库顶板后浇带加固施工方案VIP免费

地库顶板后浇带加固施工方案_第1页
1/13
地库顶板后浇带加固施工方案_第2页
2/13
地库顶板后浇带加固施工方案_第3页
3/13
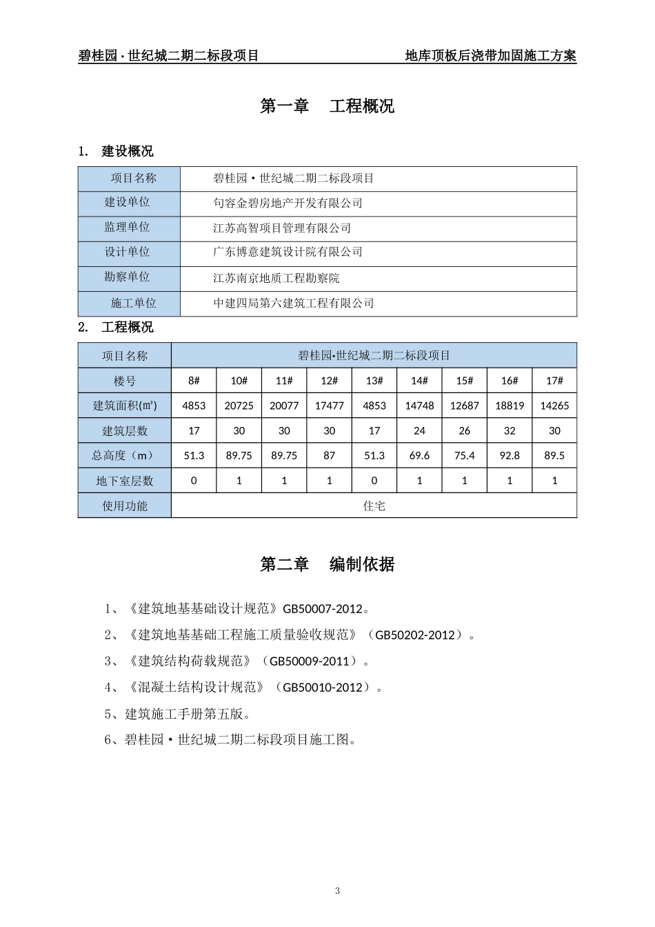
碧桂园·世纪城二期二标段项目地库顶板后浇带加固施工方案碧桂园·世纪城二期二标段项目地库顶板后浇带加固施工方案编制人:审核人:批准人:1编号:SJL.BGY-碧桂园·世纪城二期二标段项目地库顶板后浇带加固施工方案目录第一章工程概况.........................................................31.建设概况......................................................32.工程概况......................................................3第二章编制依据.........................................................3第三章施工方法.........................................................4第四章计算书...........................................................51.参数信息......................................................52.模板面板计算..................................................63.模板支撑方木的计算............................................74.木方支撑钢管计算..............................................95.扣件抗滑移的计算.............................................106.模板支架立杆荷载设计值(轴力).................................107.立杆的稳定性计算.............................................112碧桂园·世纪城二期二标段项目地库顶板后浇带加固施工方案第一章工程概况1.建设概况项目名称碧桂园·世纪城二期二标段项目建设单位句容金碧房地产开发有限公司监理单位江苏高智项目管理有限公司设计单位广东博意建筑设计院有限公司勘察单位江苏南京地质工程勘察院施工单位中建四局第六建筑工程有限公司2.工程概况项目名称碧桂园·世纪城二期二标段项目楼号8#10#11#12#13#14#15#16#17#建筑面积(㎡)4853207252007717477485314748126871881914265建筑层数173030301724263230总高度(m)51.389.7589.758751.369.675.492.889.5地下室层数011101111使用功能住宅第二章编制依据1、《建筑地基基础设计规范》GB50007-2012。2、《建筑地基基础工程施工质量验收规范》(GB50202-2012)。3、《建筑结构荷载规范》(GB50009-2011)。4、《混凝土结构设计规范》(GB50010-2012)。5、建筑施工手册第五版。6、碧桂园·世纪城二期二标段项目施工图。3碧桂园·世纪城二期二标段项目地库顶板后浇带加固施工方案第三章施工方法碧桂园•世纪城二期二标段项目在14#~17#楼地库底板和顶板范围内,有一条宽800mm后浇带,详见下图1。根据现场施工部署该堆场作为本工程后期主体及装修阶段的施工通道。为确保该区域地下车库顶板作为施工通道使用期间的结构安全,特编制地库顶板加固专项施工方案指导施工。为保证结构安全,考虑不确定因素,计算时取活荷载取值为2.0kN/m2。在后浇带两侧2m范围内分别搭设满堂架(各搭设两跨)。支撑体系钢管体系采用钢管48×3.5mm,离地200mm在立杆上加设纵横扫地杆,立杆间距纵横向均为800mm,步距1500mm。在外侧周圈应设由下至上的竖向连续式剪刀撑,架体内部隔跨设置竖向剪刀撑,并在每步设置水平剪刀撑。剪刀撑斜杆与地面的倾角45o~60o,梁下均需设置立杆。木方采用50×100,具体搭设方法详见图2、3。待地下室地板上后浇带混凝土达到设计强度时,开始支设脚手架,保证上部荷载均匀传递到底板上。4碧桂园·世纪城二期二标段项目地库顶板后浇带加固施工方案图1后浇带平面布置图第四章计算书支撑架的计算依据《建筑施工扣件式钢管脚手架安全技术规范》(JGJ130-2011)、《混凝土结构设计规范》(GB50010-2012)、《建筑结构荷载规范》(GB50009-2011)、《钢结构设计规范》(GB50017-2013)等规范编制。1.参数信息1.1.模板支架参数横向间距或排距:0.8m;纵距:0.8m;步距:1.50m;立杆上端伸出至模板支撑点长度:0.10m;模板支架搭设高度:4.9m;采用的钢管(mm):Φ48×3.5;板底支撑连接方式:方木支撑;立杆承重连接方式:双扣件,考虑扣件的保养情况,扣件抗滑承载力系数:0.80;1.2.荷载参数模板与木板自重:0.35kN/m2;混凝土与钢筋自重:25.0kN/m3;施工均布荷载标准值:2.0kN/m2;1.3.材料参数面板采用胶合面板,厚度为15mm;...

1、当您付费下载文档后,您只拥有了使用权限,并不意味着购买了版权,文档只能用于自身使用,不得用于其他商业用途(如 [转卖]进行直接盈利或[编辑后售卖]进行间接盈利)。
2、本站所有内容均由合作方或网友上传,本站不对文档的完整性、权威性及其观点立场正确性做任何保证或承诺!文档内容仅供研究参考,付费前请自行鉴别。
3、如文档内容存在违规,或者侵犯商业秘密、侵犯著作权等,请点击“违规举报”。

碎片内容

地库顶板后浇带加固施工方案

您可能关注的文档

确认删除?
VIP
微信客服
  • 扫码咨询
会员Q群
  • 会员专属群点击这里加入QQ群
客服邮箱
回到顶部