电脑桌面
添加小米粒文库到电脑桌面
安装后可以在桌面快捷访问

地下室防水效果检查记录表VIP免费

地下室防水效果检查记录表_第1页
1/32
地下室防水效果检查记录表_第2页
2/32
地下室防水效果检查记录表_第3页
3/32
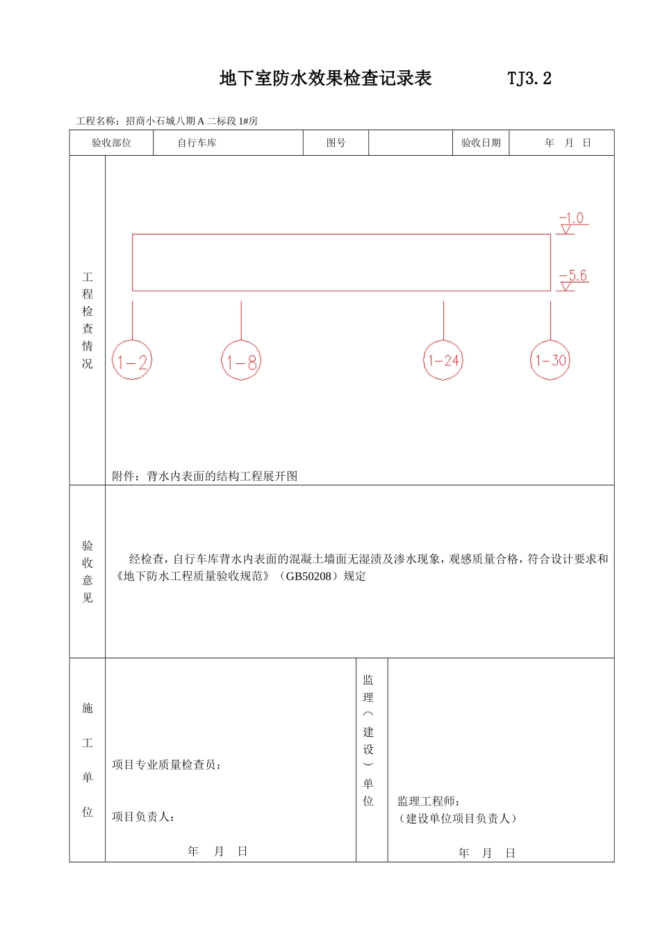
地下室防水效果检查记录表TJ3.2工程名称:招商小石城八期A二标段人防地下车库验收部位自行车库图号验收日期年月日工程检查情况附件:背水内表面的结构工程展开图验收意见经检查,自行车库背水内表面的混凝土墙面无湿渍及渗水现象,观感质量合格,符合设计要求和《地下防水工程质量验收规范》(GB50208)规定施工单位项目专业质量检查员:项目负责人:监理⌒建设︶单位监理工程师:(建设单位项目负责人)年月日年月日地下室防水效果检查记录表TJ3.2工程名称:招商小石城八期A二标段1#房验收部位自行车库图号验收日期年月日工程检查情况附件:背水内表面的结构工程展开图验收意见经检查,自行车库背水内表面的混凝土墙面无湿渍及渗水现象,观感质量合格,符合设计要求和《地下防水工程质量验收规范》(GB50208)规定施工单位项目专业质量检查员:项目负责人:年月日监理⌒建设︶单位监理工程师:(建设单位项目负责人)年月日地下室防水效果检查记录表TJ3.2工程名称:招商小石城八期A二标段1#房验收部位自行车库图号验收日期年月日工程检查情况附件:背水内表面的结构工程展开图验收意见经检查,自行车库背水内表面的混凝土墙面无湿渍及渗水现象,观感质量合格,符合设计要求和《地下防水工程质量验收规范》(GB50208)规定施工单位项目专业质量检查员:项目负责人:年月日监理⌒建设︶单位监理工程师:(建设单位项目负责人)年月日地下室防水效果检查记录表TJ3.2工程名称:招商小石城八期A二标段1#房验收部位自行车库图号验收日期年月日工程检查情况附件:背水内表面的结构工程展开图验收意见经检查,自行车库背水内表面的混凝土墙面无湿渍及渗水现象,观感质量合格,符合设计要求和《地下防水工程质量验收规范》(GB50208)规定施工单位项目专业质量检查员:项目负责人:年月日监理⌒建设︶单位监理工程师:(建设单位项目负责人)年月日地下室防水效果检查记录表TJ3.2工程名称:招商小石城八期A二标段3#房验收部位自行车库图号验收日期年月日工程检查情况附件:背水内表面的结构工程展开图验收意见经检查,自行车库背水内表面的混凝土墙面无湿渍及渗水现象,观感质量合格,符合设计要求和《地下防水工程质量验收规范》(GB50208)规定施工单位项目专业质量检查员:项目负责人:年月日监理⌒建设︶单位监理工程师:(建设单位项目负责人)年月日地下室防水效果检查记录表TJ3.2工程名称:招商小石城八期A二标段3#房验收部位自行车库图号验收日期年月日工程检查情况附件:背水内表面的结构工程展开图验收意见经检查,自行车库背水内表面的混凝土墙面无湿渍及渗水现象,观感质量合格,符合设计要求和《地下防水工程质量验收规范》(GB50208)规定施工单位项目专业质量检查员:项目负责人:年月日监理⌒建设︶单位监理工程师:(建设单位项目负责人)年月日地下室防水效果检查记录表TJ3.2工程名称:招商小石城八期A一标段8#房验收部位地下室西立面图号验收日期年月日工程检查情况附件:背水内表面的结构工程展开图验收意见经检查,自行车库背水内表面的混凝土墙面无湿渍及渗水现象,观感质量合格,符合设计要求和《地下防水工程质量验收规范》(GB50208)规定施工单位项目专业质量检查员:项目技术负责人:年月日监理⌒建设︶单位监理工程师:(建设单位项目负责人)年月日地下室防水效果检查记录表TJ3.2工程名称:招商小石城八期A一标段8#房验收部位地下室南立面图号验收日期年月日工程检查情况附件:背水内表面的结构工程展开图验收意见经检查,自行车库背水内表面的混凝土墙面无湿渍及渗水现象,观感质量合格,符合设计要求和《地下防水工程质量验收规范》(GB50208)规定施工单位项目专业质量检查员:项目技术负责人:年月日监理⌒建设︶单位监理工程师:(建设单位项目负责人)年月日地下室防水效果检查记录表TJ3.2工程名称:招商小石城八期A一标段8#房验收部位地下室北立面图号验收日期年月日工程检查情况附件:背水内表面的结构工程展开图验收意见经检查,自行车库背水内表面的混凝土墙面无湿渍及渗水现象,观感质量合格,符合设计要求和《地下防水工程质量验收规范》(GB5020...

1、当您付费下载文档后,您只拥有了使用权限,并不意味着购买了版权,文档只能用于自身使用,不得用于其他商业用途(如 [转卖]进行直接盈利或[编辑后售卖]进行间接盈利)。
2、本站所有内容均由合作方或网友上传,本站不对文档的完整性、权威性及其观点立场正确性做任何保证或承诺!文档内容仅供研究参考,付费前请自行鉴别。
3、如文档内容存在违规,或者侵犯商业秘密、侵犯著作权等,请点击“违规举报”。

碎片内容

地下室防水效果检查记录表

您可能关注的文档

确认删除?
VIP
微信客服
  • 扫码咨询
会员Q群
  • 会员专属群点击这里加入QQ群
客服邮箱
回到顶部