电脑桌面
添加小米粒文库到电脑桌面
安装后可以在桌面快捷访问

建筑质量检查表VIP免费

建筑质量检查表_第1页
1/13
建筑质量检查表_第2页
2/13
建筑质量检查表_第3页
3/13
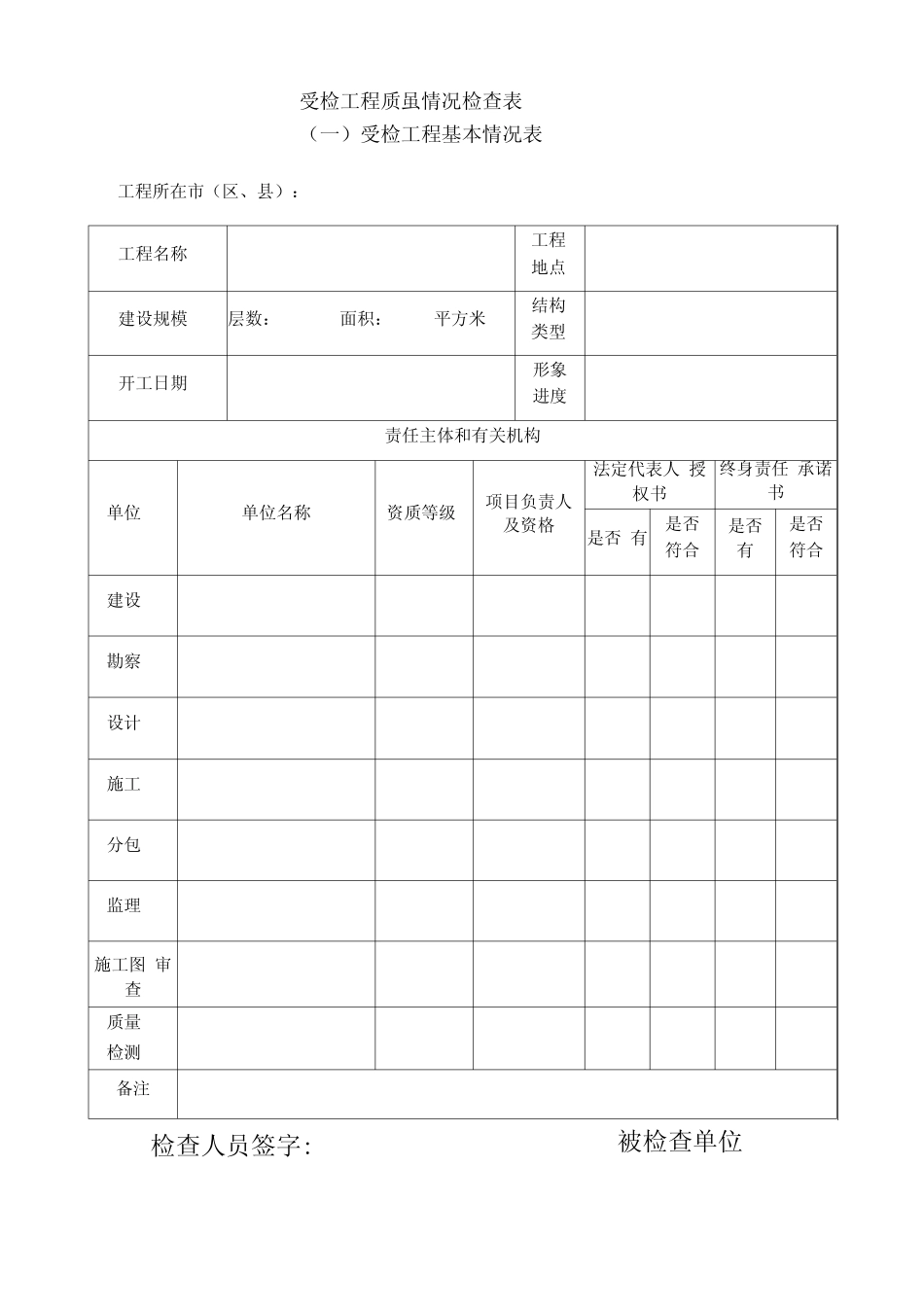
建筑质量检查表受检工程质虽情况检查表(一)受检工程基本情况表工程所在市(区、县):工程名称工程地点建设规模层数:面积:平方米结构类型开工日期形象进度责任主体和有关机构单位单位名称资质等级项目负责人及资格法定代表人授权书终身责任承诺书是否有是否符合是否有是否符合建设勘察设计施工分包监理施工图审查质量检测备注检查人员签字:被检查单位(一)原材料、成品、半成品、构配件12345-687K泥及外加剂、掺钢筋及钢筋焊接、砖、砌块、填充墙预拌混凝上、砂浆钢结构用钢材及焊防水材料-----------地基强度或承载力块周崖醴(二)施工试验报告-41111砂、石试验报告--钢结构连接(焊接)填土检验报告沉降观测记录----建设工程施工质量检查表(二)工程建设强制性标准执行情况检查表检查项目检查内容评价备注符合不符合、工程资料签字:检查日期:16水泥及外加剂、混凝土及砂浆、钢筋及连接接头、砖、砌块、防水材料、钢结构用钢材、焊接材料、紧固件等进场验收记录及见证取样和送检记录工任」基试花、成柜记1混凝土施工记录、_L2预制构件、钢构件2钢结构整体垂直度2琪羌塘砌伸fiS朋记23录、锚固力检测报结构实体检验记录24地基验槽记录2桩位偏差、桩顶标5高验收记录26隐蔽工程验收记录(三)施工记录(四)质量验收记录27检验批、分项、分部(子分部)验收记录28工程质量问题处理及验收记录一、工程实体(五)钢筋工程29钢]规靳品种、级别、溶和数量:对照工图检查30钢筋代换:检查钢筋的品种、级别或规格变更是否办理设计变更文件3钢筋加工制作:检3/[J一曲泳携绑热嫉雄_33受;钢筋位簪和混凝土保护层厚度:检查作业面上的受力钢筋间距、固定措施,节点部位的箍筋间距,混凝土保护层厚度(六)混凝土工程3混凝土试块留置:435擒羸遴券谏赧置和尺寸偏差:检查混凝土外观质量,抽查混凝土构件尺寸偏差(七)砌体工程_2_砌筑砂浆强度和试3砌块质量____________3墙体车专角处、交接89满度4构造柱、圈梁和拉(八)实体质量抽测041游标卡尺现场抽测直径42钢筋位瘴保护层隹钢筋扫主测L数量、言度:使用告仪现场抽43混凝土构件强度:使用混凝土回弹仪现场抽测44楼板厚度:使用厚度检测仪或钻孔现场抽测(九)其他45预制承重构件安装46钢结构安装47施工荷载控制:观察检查楼层及堆载情况结果符合项不符合统计I项检查人员签字:被检查单位签字:检查日期:建设工程施工质量检查表(三)工程建设有关责任主体和机构质虽行为检查表检查项目检查内容施工前办理质量监兼主停竦强施工图设计文件审查情况检查监督注册登记检查施工图设计文件审查资料设3施工前办理施工许检查施工许可证□符4拜(^Wh所况橙1H[耨宥制定的会符单51雷赛导坝H扇甫H将理俸命施工单位会符位旦按规定委托监理情检查监理合同□符7冲-----------------舞织图纸会审、设—^-4、—、,按规定组织r--LA—-IirtA|—tAt—r0符8刷灌强更审-PT~T>-U~Zt,1r-------------------------------0符9改、变动的,施工箪位资质情况奉靛毓合相应0符项目负责人资格和...................—颠沓经理资格符合0符施10履责情况相应要求,且按规合项目部人员配备及碰智mH键岗位人□符11工到位情况员配备齐全,资格合12施工组织设计或施H底暴辛批且按规□符13曲所批会一0符M________甲施工现场施工操作祖叫艘仃父底0符14技术规程及国家有未按规定配置合砰15位通病(常见问题)检查施工组织设计□符16融我翻醴岫瞻费麒•:士后~r=r安-----------------0符八___17HIM射藉0治理技术U符1f二_________________殳氐2耳关资料工程技术标准及审查合格的施工图设saw故处理情况监理规划、监理实施细则的编制、审对施工组织设计、专项施工方案的审通扁(常见何题)治理列入监理规划审查专项通病(常趾回题理您术通病(常见问题)旁站、巡视、平行充材料、构配件、设备投入使用或安对分包单位的资质进行核查情况-----按照工程技术标准及审查合格的施工期麒"怏施有效______单位资质符合相应要求_______________总监理工程师资格符合相应要求,且位人员配备齐全,瓣棚求瀛未按规定编制、―按规定进行审查未按规定进行审查检查监理规划针对质量常见问题防治li...

1、当您付费下载文档后,您只拥有了使用权限,并不意味着购买了版权,文档只能用于自身使用,不得用于其他商业用途(如 [转卖]进行直接盈利或[编辑后售卖]进行间接盈利)。
2、本站所有内容均由合作方或网友上传,本站不对文档的完整性、权威性及其观点立场正确性做任何保证或承诺!文档内容仅供研究参考,付费前请自行鉴别。
3、如文档内容存在违规,或者侵犯商业秘密、侵犯著作权等,请点击“违规举报”。

碎片内容

建筑质量检查表

您可能关注的文档

确认删除?
VIP
微信客服
  • 扫码咨询
会员Q群
  • 会员专属群点击这里加入QQ群
客服邮箱
回到顶部