电脑桌面
添加小米粒文库到电脑桌面
安装后可以在桌面快捷访问

地下室外墙水泥基渗透结晶型防水涂料涂刷施工工法VIP专享VIP免费

地下室外墙水泥基渗透结晶型防水涂料涂刷施工工法_第1页
1/6
地下室外墙水泥基渗透结晶型防水涂料涂刷施工工法_第2页
2/6
地下室外墙水泥基渗透结晶型防水涂料涂刷施工工法_第3页
3/6
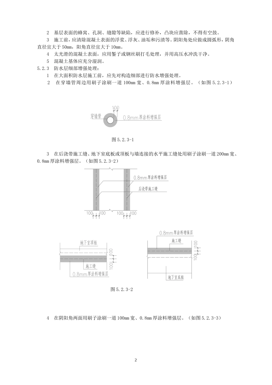
地下室外墙水泥基渗透结晶型防水涂料涂刷施工工法工法编号:RJGF(闽)—30—2008完成单位:福建恒亿建设集团有限公司主要完成人:柯斯基、连瑞环1前言随着经济发展,对建筑地下室在防水抗渗方面的质量标准、耐久年限要求越来越高,地下室外墙采用水泥基渗透结晶型防水涂料,具有防水能力强、耐久年限长、符合环保要求、施工工艺稳定易于控制、经济性佳等优点,有效地解决了部分防水材料自身的抗污染性差、易老化、使用寿命短等缺陷。通过多项工程实践,总结形成本工法。2工法特点2.1施工快捷,结构基层处理简便不需找平、干燥,节省工期。2.2防水层做好后不需做保护层,节约成本。2.3具有二次抗渗功能,在表面受损的情况下,仍能保持良好的防水性。2.4无毒无味,符合环保要求,有较好的社会效益。3适用范围本工法适用于一般工业和民用建筑地下室外墙混凝土结构对防水无特殊要求的工程。4工艺原理地下室外墙水泥基渗透结晶型防水涂料的涂层中含有活性化学物质,通过水载体向混凝土内部渗透,在混凝土中形成不溶于水的结晶体,堵塞毛细孔道,渗透结晶后涂层与基层混凝土成为一体,形成整体、长久的刚性防水层。5施工工艺流程及操作要点5.1施工工艺流程5.2操作要点5.2.1施工准备:1施工前审核图纸,编制防水工程施工方案,并进行技术交底;必须由专业队施工,持证上岗。2地下室外墙采用的防水涂料必须符合设计要求,材料进场时应有出厂合格证明和型式检验报告,并按规定进行现场抽样送检,合格后方可使用。3准备好施工机具、劳力和工作面。5.2.2基层处理:1地下室外墙混凝土面如有发现裂缝应进行处理:对于无害裂缝,可用防水胶泥调配的浆料直接把裂缝封闭;对于有渗透的裂缝,必须进行灌缝封闭处理,处理应另行编制处理方案。基层处理防水层施工施工准备养护防水层细部增强处理12基层表面的蜂窝、孔洞、缝隙等缺陷,应进行修补,凸块应凿除,不得有空鼓。3施工前,应清除混凝土表面的浮浆、浮灰、油垢和污渍等。阴阳角处应做成圆弧形,阴角直径宜大于50mm,阳角直径宜大于10mm。4太光滑的混凝土表面,应用錾子或钢丝刷打毛处理,并用高压水冲洗干净。5混凝土基体应充分湿润。5.2.3防水层细部增强处理:1在大面积防水层施工前,应先对构造细部进行防水增强处理。2在穿墙管周边用刷子涂刷一道100mm宽、0.8mm厚涂料增强层。(如图5.2.3-1)图5.2.3-13在后浇带施工缝、地下室底板或顶板与墙连接的水平施工缝处用刷子涂刷一道200mm宽、0.8mm厚涂料增强层。(如图5.2.3-2)图5.2.3-24在阴阳角两面用刷子涂刷一道100mm宽、0.8mm厚涂料增强层。(如图5.2.3-3)2图5.2.3-35.2.4防水层施工:1按设计规定的涂层厚度,并根据产品说明书来确定材料的单位面积用量和施工遍数。2不同厂家渗透结晶型防水涂料中的活性化学物质含量不同,应严格按产品说明书提供的配合比控制用水量。配料采用机械搅拌器搅拌,配制好的材料应色泽均匀,无结块、粉团。3控制好每次拌和的材料量,拌制好的防水材料,从加水起计算,材料应在20min内用完。在施工过程中,应不时地搅拌混合物。不得向已经混合好的粉料中另外加水。4防水层施工采用刷子涂刷,至少涂刷两遍。5多遍涂刷时,应交替改变涂刷方向。6每遍涂层施工完成后应按照产品说明书规定的间隔时间进行第二遍作业。7防水涂层施工缝搭接宽度≥100mm。8地下室底板与地下室外墙防水层交接处,做一道与底板防水材料相同材料的增强层。(如图5.2.4)图5.2.45.2.5养护:涂刷12小时涂层终凝后开始养护作业,一般情况下,只需每天在涂刷过水泥基渗透结晶型防水涂料表面喷洒清水三次,养护3至5天,如果水分蒸发过快,则需要每天多喷洒几次水,不得采用蓄水或浇水养护。35.3劳力组织:应挑选有施工经验的人员进行施工,基本人员配置如表5.3。表5.3基本人员配置序号工种人数1防水材料涂刷工22普工23合计46材料与设备6.1材料及要求6.1.1采用的粉状渗透结晶型防水涂料应为无杂质、无结块的粉末。6.1.2粉状渗透结晶型防水涂料的物理力学性能应符合表6.1.2的要求。表6.1.26.2主要机具设备錾子、喷水器、钢丝刷、硬毛刷子、电动搅拌器。7质量控制7.1工程质量控制标准7.1.1渗透结晶型...

1、当您付费下载文档后,您只拥有了使用权限,并不意味着购买了版权,文档只能用于自身使用,不得用于其他商业用途(如 [转卖]进行直接盈利或[编辑后售卖]进行间接盈利)。
2、本站所有内容均由合作方或网友上传,本站不对文档的完整性、权威性及其观点立场正确性做任何保证或承诺!文档内容仅供研究参考,付费前请自行鉴别。
3、如文档内容存在违规,或者侵犯商业秘密、侵犯著作权等,请点击“违规举报”。

碎片内容

地下室外墙水泥基渗透结晶型防水涂料涂刷施工工法

您可能关注的文档

确认删除?
VIP
微信客服
  • 扫码咨询
会员Q群
  • 会员专属群点击这里加入QQ群
客服邮箱
回到顶部