电脑桌面
添加小米粒文库到电脑桌面
安装后可以在桌面快捷访问

地铁车站雨季防汛施工方案VIP免费

地铁车站雨季防汛施工方案_第1页
1/7
地铁车站雨季防汛施工方案_第2页
2/7
地铁车站雨季防汛施工方案_第3页
3/7
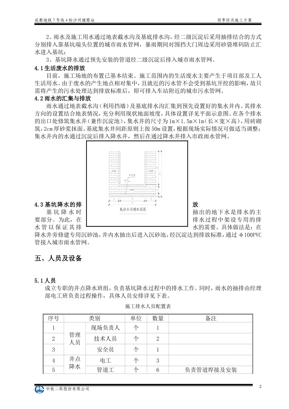
目录一、编制依据................................................................................................................................................................1二、防汛施工编制总则................................................................................................................................................12.1编制目的..............................................................................12.2适用范围..............................................................................12.3工作原则..............................................................................1三工程概况...................................................................................................................................................................1四、施工范围内排水总体安排...................................................................................................................................24.1生活废水的排放........................................................................24.2雨水的汇集与排放......................................................................24.3基坑降水的排放........................................................................2五、人员及设备............................................................................................................................................................35.1人员..................................................................................35.2降水设备材料配置......................................................................3六、防洪防汛预案........................................................................................................................................................46.1防汛抢险指导思想与原则................................................................46.2防汛抢险组织机构......................................................................56.3防洪、防汛值班人员安排................................................................66.4指挥调度程序和抢险步骤................................................................66.5防汛重点部位及措施....................................................................6成都地铁7号线4标沙河铺路站雨季防汛施工方案雨季防汛施工方案一、编制依据⑴、成都地铁7号线沙河铺路站综合管线图(雨污水管线图)⑵、成都地铁7号线沙河铺路站初步设计图⑶、相关规范及产权单位提供有效排水位置交底二、防汛施工编制总则2.1编制目的为了确保成都地铁7号线沙河铺路站施工现场的雨季防洪安全,做好各类雨季灾害突发事件防范与处置工作,保证雨季灾害处于可控状态,提高对暴雨期间、突发事件应急快速反应和应急处理能力,保证防洪抢险救灾工作高效有序进行,维护人民的正常生活运行。2.2适用范围本施工方案适用于突发性暴雨灾害的预防和应急处置。汛情发生时根据险情启动相应级别的该预案。2.3工作原则防汛工作实行项目经理负责制,统一指挥,分级分部门负责。实时监控,以数据分析为前提,提供防汛除涝安全保证为首要目标。统一领导,分级负责,以人为本,安全第一,关注生命,常备不懈,以防为主,防抗结合的原则。三工程概况沙河铺站为成都地铁7号线工程的中间站,车站位于锦绣大道与金沙江路交汇处。主体与锦绣大道成45°交角,呈东西方向布置。本站为地下二层(局部三层)三跨岛式车站,站台宽度为12m岛式站台。车站全长177.5m,标准段宽21.1m,车站建筑总面积约12300㎡。本工程在雨季汛期存在以下危险源:1、汛情较严重时引起土体失稳、滑坡、坍塌等事故。易导致人员受伤、被埋等险情。2、由雨水引起的漏电、电气...

1、当您付费下载文档后,您只拥有了使用权限,并不意味着购买了版权,文档只能用于自身使用,不得用于其他商业用途(如 [转卖]进行直接盈利或[编辑后售卖]进行间接盈利)。
2、本站所有内容均由合作方或网友上传,本站不对文档的完整性、权威性及其观点立场正确性做任何保证或承诺!文档内容仅供研究参考,付费前请自行鉴别。
3、如文档内容存在违规,或者侵犯商业秘密、侵犯著作权等,请点击“违规举报”。

碎片内容

地铁车站雨季防汛施工方案

您可能关注的文档

确认删除?
VIP
微信客服
  • 扫码咨询
会员Q群
  • 会员专属群点击这里加入QQ群
客服邮箱
回到顶部