电脑桌面
添加小米粒文库到电脑桌面
安装后可以在桌面快捷访问

地铁钢支撑技术交底VIP免费

地铁钢支撑技术交底_第1页
1/14
地铁钢支撑技术交底_第2页
2/14
地铁钢支撑技术交底_第3页
3/14
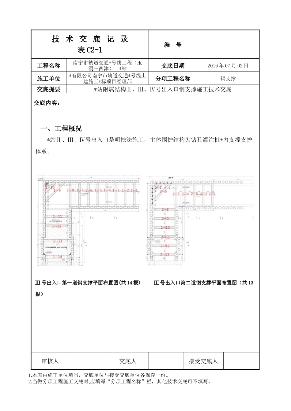
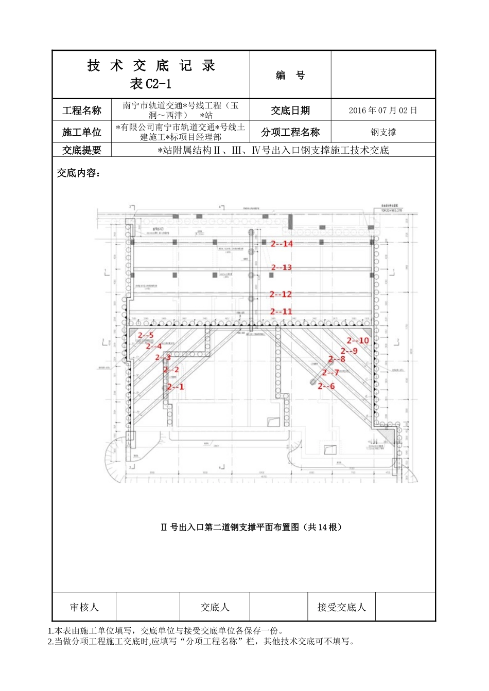
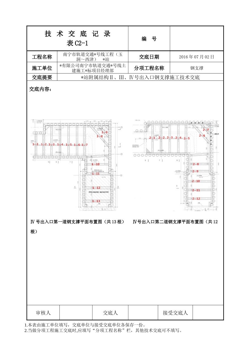
技术交底记录表C2-1编号工程名称南宁市轨道交通*号线工程(玉洞~西津)*站交底日期2016年07月02日施工单位*有限公司南宁市轨道交通*号线土建施工*标项目经理部分项工程名称钢支撑交底提要*站附属结构Ⅱ、Ⅲ、Ⅳ号出入口钢支撑施工技术交底交底内容:审核人交底人接受交底人1.本表由施工单位填写,交底单位与接受交底单位各保存一份。2.当做分项工程施工交底时,应填写“分项工程名称”栏,其他技术交底可不填写。一、工程概况*站Ⅱ、Ⅲ、Ⅳ号出入口是明挖法施工,主体围护结构为钻孔灌注桩+内支撑支护体系。Ⅲ号出入口第一道钢支撑平面布置图(共14根)Ⅲ号出入口第二道钢支撑平面布置图(共13根)技术交底记录表C2-1编号工程名称南宁市轨道交通*号线工程(玉洞~西津)*站交底日期2016年07月02日施工单位*有限公司南宁市轨道交通*号线土建施工*标项目经理部分项工程名称钢支撑交底提要*站附属结构Ⅱ、Ⅲ、Ⅳ号出入口钢支撑施工技术交底交底内容:审核人交底人接受交底人1.本表由施工单位填写,交底单位与接受交底单位各保存一份。2.当做分项工程施工交底时,应填写“分项工程名称”栏,其他技术交底可不填写。Ⅳ号出入口第一道钢支撑平面布置图(共13根)Ⅳ号出入口第二道钢支撑平面布置图(共12根)技术交底记录表C2-1编号工程名称南宁市轨道交通*号线工程(玉洞~西津)*站交底日期2016年07月02日施工单位*有限公司南宁市轨道交通*号线土建施工*标项目经理部分项工程名称钢支撑交底提要*站附属结构Ⅱ、Ⅲ、Ⅳ号出入口钢支撑施工技术交底交底内容:审核人交底人接受交底人1.本表由施工单位填写,交底单位与接受交底单位各保存一份。2.当做分项工程施工交底时,应填写“分项工程名称”栏,其他技术交底可不填写。Ⅱ号出入口第二道钢支撑平面布置图(共14根)技术交底记录表C2-1编号工程名称南宁市轨道交通*号线工程(玉洞~西津)*站交底日期2016年07月02日施工单位*有限公司南宁市轨道交通*号线土建施工*标项目经理部分项工程名称钢支撑交底提要*站附属结构Ⅱ、Ⅲ、Ⅳ号出入口钢支撑施工技术交底交底内容:审核人交底人接受交底人1.本表由施工单位填写,交底单位与接受交底单位各保存一份。2.当做分项工程施工交底时,应填写“分项工程名称”栏,其他技术交底可不填写。二、总体开挖方案**站附属结构Ⅱ、Ⅲ、Ⅳ号出入口采用明挖法施工,局部第一、二道支撑为钢支撑。钢支撑架设采用汽车吊整体吊装。钢支撑在工厂预制成标准节段,运至现场后拼装,管节间采用法兰连接,连接完成后进行验收,合格后编号并标明尺寸及使用部位,分类堆放,防止错用。支撑架设顺序为:随土方开挖,自上而下施作。钢管支撑依据计算逐级施加预加力,并根据监测情况适时调整预加力,以确保基坑周边环境稳定。钢支撑施工流程:钢支撑及围檩的加工制作→三角托架的架设→环向钢围檩的安装→焊接支撑托架→钢支撑架设→施加预应力。钢支撑及钢围檩加工制作钢支撑、钢围檩的制作将采取场外加工制作的方式进行,应在施工准备期间,尽快完成钢支撑和钢围檩的放样及加工工作,为土方工程施工创造条件。钢围檩采用分段加工,分段之间采用上、下及内侧附加钢板连接牢固,保证围檩的整体稳定性能。第一、二道钢支撑和换撑采用Φ609mm、t=16mm钢管,分段制作,分段之间采用法兰盘与螺栓连接,每一分段对接拼接采用焊接时应采用加肋板或外包加强管箍的形式,并保证焊缝质量。技术交底记录表C2-1编号工程名称南宁市轨道交通*号线工程(玉洞~西津)*站交底日期2016年07月02日施工单位*有限公司南宁市轨道交通*号线土建施工*标项目经理部分项工程名称钢支撑交底提要*站附属结构Ⅱ、Ⅲ、Ⅳ号出入口钢支撑施工技术交底交底内容:审核人交底人接受交底人1.本表由施工单位填写,交底单位与接受交底单位各保存一份。2.当做分项工程施工交底时,应填写“分项工程名称”栏,其他技术交底可不填写。图2-1钢支撑接头断面示意图钢围檩体系安装1、钢围檩安装前先安装三角支架和支架端部水平通长角钢,以M20(L=285mm)胀管螺栓紧固,然后吊装钢围檩;钢围檩采取现场分段连接,分段之间采用上、下及内侧附加钢板连接牢固,保证围檩的整体稳...

1、当您付费下载文档后,您只拥有了使用权限,并不意味着购买了版权,文档只能用于自身使用,不得用于其他商业用途(如 [转卖]进行直接盈利或[编辑后售卖]进行间接盈利)。
2、本站所有内容均由合作方或网友上传,本站不对文档的完整性、权威性及其观点立场正确性做任何保证或承诺!文档内容仅供研究参考,付费前请自行鉴别。
3、如文档内容存在违规,或者侵犯商业秘密、侵犯著作权等,请点击“违规举报”。

碎片内容

地铁钢支撑技术交底

文章天下+ 关注
实名认证
内容提供者

各种文档应有尽有

确认删除?
VIP
微信客服
  • 扫码咨询
会员Q群
  • 会员专属群点击这里加入QQ群
客服邮箱
回到顶部