电脑桌面
添加小米粒文库到电脑桌面
安装后可以在桌面快捷访问

堤身土方填筑碾压试验方案VIP免费

堤身土方填筑碾压试验方案_第1页
1/4
堤身土方填筑碾压试验方案_第2页
2/4
堤身土方填筑碾压试验方案_第3页
3/4
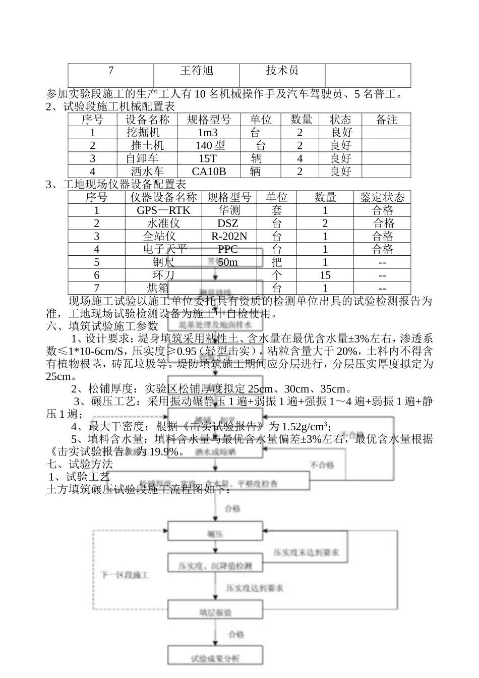
1堤身土方填筑碾压试验方案一、编制依据1、《蔷薇河治理工程连云港市内工程2017年度施工Ⅱ标施工设计图纸》;2、《江苏省水利工程施工质量检验与评定规范》DB32/T2334.1—2013;3、《水利水电工程施工规范》等相关国家规范;4、《堤防工程施工规范》;5、现行的国家已发布实施的有关规范、标准、规程和相关的法律、法规、规章、制度;6、我单位类似工程的施工经验、现有的资源情况和施工能力。二、工程概况蔷薇河治理工程连云港市内工程2017年度施工Ⅱ标堤防工程级别为1级。“蔷薇河治理工程连云港市内工程2017年度施工Ⅱ标段”主要内容为:桩号39+200~43+690段堤防填筑;DZ0+000~DZ8+222段堤防填筑;堤顶道路新建工程。三、试验目的1、核查土料压实后是否能够达到设计压实干密度;2、检查压实机械的性能是否满足施工要求;3、选定合理的施工压实参数;铺土厚度、含水量的适宜范围、压实方法和压实遍数;4、通过生产性试验,研究和完善土方填筑的施工工艺和措施;5、确定有关质量控制的技术要求和检测方法。四、试验段及填料来源1、试验段布置:根据现场施工情况综合考虑,堤防填筑试验段定在桩号“41+200~41+600”段。2、填料来源:填筑土料主要来源为摊面土方。已对填料土样进行试验。满足设计要求(详见土工试验报告)。五、试验段人员、施工机械配置主要施工管理人员配置表序号姓名职务/职称备注1陈娟项目经理2董波施工员3王冬冬质检员4李斌安全员5马跃忠土方施工班组6聂春发技术员27王符旭技术员参加实验段施工的生产工人有10名机械操作手及汽车驾驶员、5名普工。2、试验段施工机械配置表序号设备名称规格型号单位数量状态备注1挖掘机1m3台2良好2推土机140型台2良好3自卸车15T辆4良好4洒水车CA10B辆2良好3、工地现场仪器设备配置表序号仪器设备名称规格型号单位数量鉴定状态1GPS—RTK华测套1合格2水准仪DSZ台2合格3全站仪R-202N台1合格4电子天平PPC台1合格5钢尺50m把1--6环刀个15--7烘箱台1--现场施工试验以施工单位委托具有资质的检测单位出具的试验检测报告为准,工地现场试验检测设备为施工中自检使用。六、填筑试验施工参数1、设计要求:堤身填筑采用粘性土、含水量在最优含水量±3%左右,渗透系数≤1*10-6cm/S,压实度≥0.95(轻型击实),粘粒含量大于20%,土料内不得含有植物根茎,砖瓦垃圾等。堤防填筑施工期间应分层进行,分层压实厚度拟定为25cm。2、松铺厚度:实验区松铺厚度拟定25cm、30cm、35cm。3、碾压工艺:采用振动碾静压1遍+弱振1遍+强振1~4遍+弱振1遍+静压1遍;4、最大干密度:根据《击实试验报告》为1.52g/cm3;5、填料含水量:填料含水量与最优含水量偏差±3%左右,最优含水量根据《击实试验报告》为19.9%。七、试验方法1、试验工艺土方填筑碾压试验段施工流程图如下:32、施工方法(1)测量放线根据试验场确定范围进行施工测量放样,测量处理后的清基标高,侧放堤基边线,用白灰划出边线范围。(2)堤基处理及地面排水堤基基面清理范围包括堤身基面,其边界应在设计基面边线外50cm,清基厚度为30~80cm内,清除所有填筑基面的腐植土、草皮、树根、废渣、垃圾等;堤基范围内的坑、槽、塘、沟等按堤身填筑要求进行回填处理。堤基清理完成并报验合格后及时施工,如不能及时施工,做好基面保护,复工前再验收。在填筑前,采用18T的振动碾压。根据现场需要沿堤基轴线方向在堤身边线外侧开挖排水沟,以排出原地面水及防止外水流入(3)土方均采用自卸车运输至填筑工作面。填料土方中不得含有草皮、树根、垃圾等杂物。(4)填土根据测量放出的边线,每20m插竹片桩,按松铺厚度划线,用于控制填筑边界与松铺厚度。填土时自卸车将土方倒置老堤防内侧,由挖掘机进行土方翻运,并采用推土机进行摊平、粗平,最后使用挖掘机精平。填筑时沿横断面全宽,纵向分层;从低处往高处填土。堤基两侧超填宽度为50cm,现场设专人指挥车辆卸土。(5)摊铺于初平用推土机将填筑的土摊铺平整,厚度以实验参数松铺厚度为准,本次实验分别以25cm、30cm、35cm分别进行实验。摊铺过程中不断用钢钎检查松铺厚度;同时人工铺填边部,对凹凸处铲平,清除填料中的草皮、树根等杂物。土...

1、当您付费下载文档后,您只拥有了使用权限,并不意味着购买了版权,文档只能用于自身使用,不得用于其他商业用途(如 [转卖]进行直接盈利或[编辑后售卖]进行间接盈利)。
2、本站所有内容均由合作方或网友上传,本站不对文档的完整性、权威性及其观点立场正确性做任何保证或承诺!文档内容仅供研究参考,付费前请自行鉴别。
3、如文档内容存在违规,或者侵犯商业秘密、侵犯著作权等,请点击“违规举报”。

碎片内容

堤身土方填筑碾压试验方案

您可能关注的文档

确认删除?
VIP
微信客服
  • 扫码咨询
会员Q群
  • 会员专属群点击这里加入QQ群
客服邮箱
回到顶部