电脑桌面
添加小米粒文库到电脑桌面
安装后可以在桌面快捷访问

固定卷扬式启闭机单元工程安装质量验收评定表VIP免费

固定卷扬式启闭机单元工程安装质量验收评定表_第1页
1/4
固定卷扬式启闭机单元工程安装质量验收评定表_第2页
2/4
固定卷扬式启闭机单元工程安装质量验收评定表_第3页
3/4
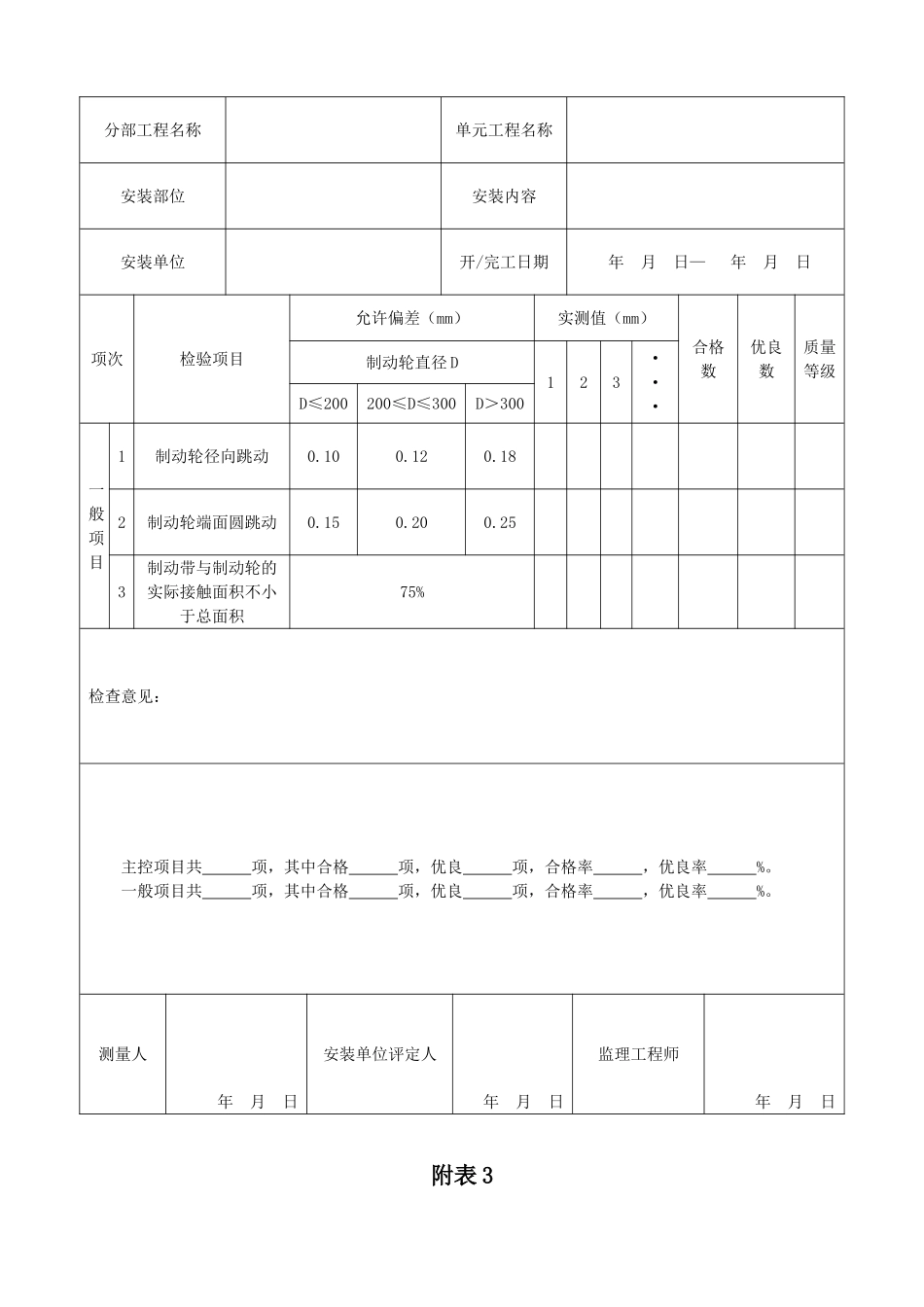
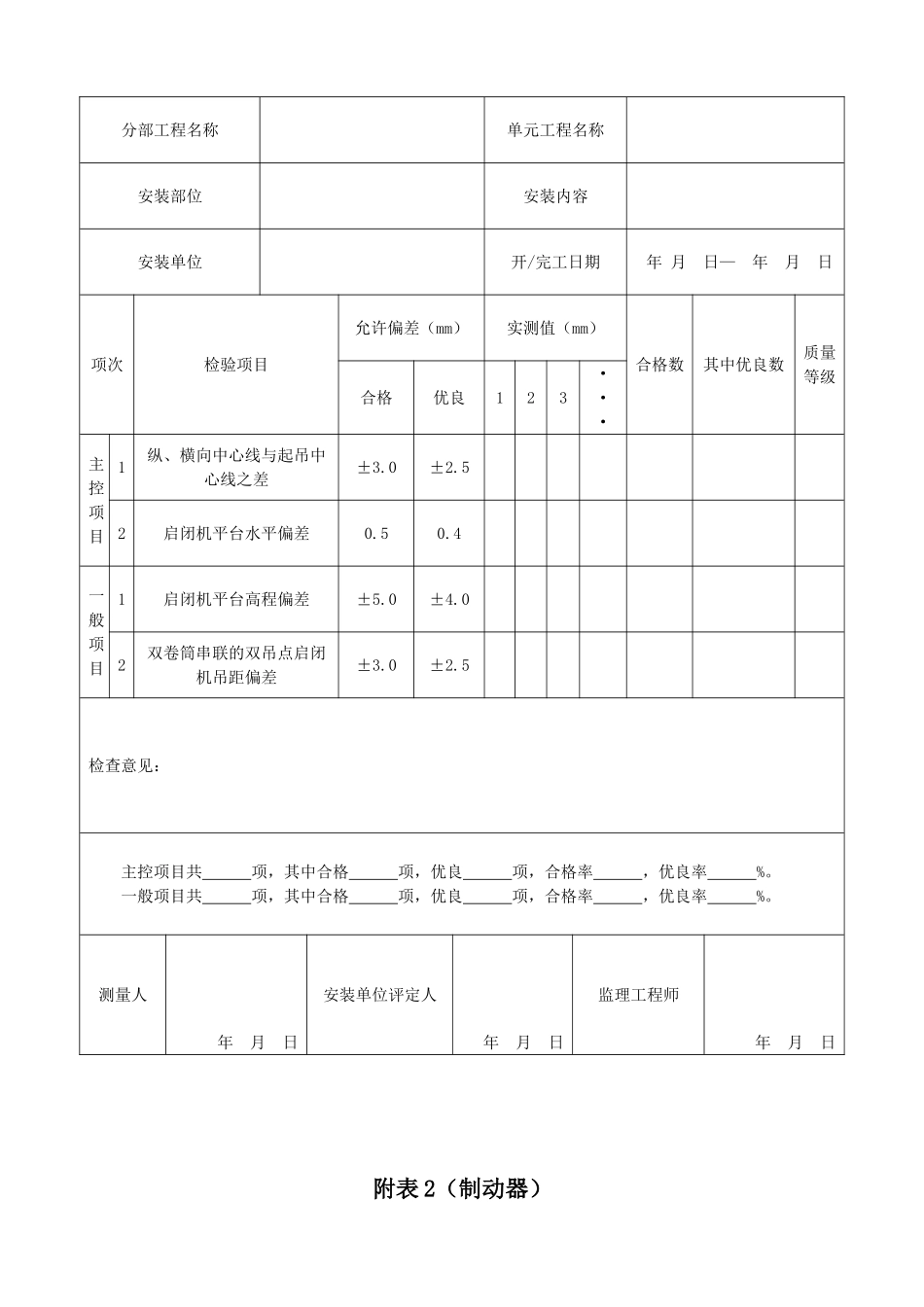
固定卷扬式启闭机单元工程安装质量验收评定表单位工程名称单元工程量分部工程名称安装单位单元工程名称、部位评定日期年月日项次项目主控项目(个)一般项目(个)合格数其中优良数合格数其中优良数1固定卷扬式启闭机安装位置(见附表1)2制动器安装(见附表2)3电气设备安装4固定卷扬式启闭机试运行(见附表3)试运行效果质量标准安装单位自评意见各项试验和单元工程试运行符合要求,各项报验资料符合规定,检验项目全部合格,检验项目优良率为,其中主控项目优良率为,单元工程安装质量验收评定等级为。(签字,加盖公章)年月日监理单位意见各项试验和单元工程试运行符合要求,各项报验资料符合规定,检验项目全部合格,检验项目优良率为,其中主控项目优良率为,单元工程安装质量验收评定等级为。(签字,加盖公章)年月日注1:主控项目和一般项目中的合格数指达到合格及以上质量标准的项目个数。注2:优良项目占全部项目百分率=(主控项目优良数+一般项目优良数)/检验项目总数×100%。附表1分部工程名称单元工程名称安装部位安装内容安装单位开/完工日期年月日—年月日项次检验项目允许偏差(mm)实测值(mm)合格数其中优良数质量等级合格优良123···主控项目1纵、横向中心线与起吊中心线之差±3.0±2.52启闭机平台水平偏差0.50.4一般项目1启闭机平台高程偏差±5.0±4.02双卷筒串联的双吊点启闭机吊距偏差±3.0±2.5检查意见:主控项目共项,其中合格项,优良项,合格率,优良率%。一般项目共项,其中合格项,优良项,合格率,优良率%。测量人年月日安装单位评定人年月日监理工程师年月日附表2(制动器)分部工程名称单元工程名称安装部位安装内容安装单位开/完工日期年月日—年月日项次检验项目允许偏差(mm)实测值(mm)合格数优良数质量等级制动轮直径D123···D≤200200≤D≤300D>300一般项目1制动轮径向跳动0.100.120.182制动轮端面圆跳动0.150.200.253制动带与制动轮的实际接触面积不小于总面积75%检查意见:主控项目共项,其中合格项,优良项,合格率,优良率%。一般项目共项,其中合格项,优良项,合格率,优良率%。测量人年月日安装单位评定人年月日监理工程师年月日附表3单元工程名称分部工程名称单元工程量单元工程名称、部位试运行日期年月日项次检验项目质量标准检测情况结论电气设备试验1全部接线符合图样规定2线路的绝缘电阻大于0.5MΩ3试验中各电动机和电器元件温升不超过各自的允许值无荷载试验(全行程往返3次)4电动机三相电流不平衡度不超过10%5电气设备无异常发热现象6主令开关启闭机运行到行程的上下极限位置,主令开关能发出信号并自动切断电源,使启闭机停止运转7机械部件无冲击声及其他异常声音,钢丝绳在任何部位不与其他部件相摩擦8制动闸瓦松闸时全部打开,闸瓦与制动轮间隙符合0.5-1.0mm的要求9快速闸门启闭机利用电流松闸时,松闸直流电流值不大于名义最大电流值,松闸持续2min时电磁线圈的温度不大于100℃10轴承和齿轮润滑良好,轴承温度不超过65℃荷载试验(带阀门在设计水头工况下运行)11电动机三相电流不平衡度不超过10%12电气设备无异常发热现象,所有保护装置和信号准确可靠13机械部件无冲击声,开式齿轮啮合状态满足要求14制动机无打滑、无焦味和冒烟现象15机构各部分无破裂、永久变形、连接松动或破坏16快速闸门启闭机快速闭门时间不超过设计值,闸门接近底槛耳朵最大速度不超过5m/min17电动机或调速器最大转速一般不超过电动机额定转速的2倍18离心式调速器的摩擦面最高温度不超过200℃检查意见:测量人年月日安装单位评定人年月日监理工程师年月日

1、当您付费下载文档后,您只拥有了使用权限,并不意味着购买了版权,文档只能用于自身使用,不得用于其他商业用途(如 [转卖]进行直接盈利或[编辑后售卖]进行间接盈利)。
2、本站所有内容均由合作方或网友上传,本站不对文档的完整性、权威性及其观点立场正确性做任何保证或承诺!文档内容仅供研究参考,付费前请自行鉴别。
3、如文档内容存在违规,或者侵犯商业秘密、侵犯著作权等,请点击“违规举报”。

碎片内容

固定卷扬式启闭机单元工程安装质量验收评定表

您可能关注的文档

文章天下+ 关注
实名认证
内容提供者

各种文档应有尽有

确认删除?
VIP
微信客服
  • 扫码咨询
会员Q群
  • 会员专属群点击这里加入QQ群
客服邮箱
回到顶部