电脑桌面
添加小米粒文库到电脑桌面
安装后可以在桌面快捷访问

企业安全生产风险评估及风险控制程序VIP免费

企业安全生产风险评估及风险控制程序_第1页
1/8
企业安全生产风险评估及风险控制程序_第2页
2/8
企业安全生产风险评估及风险控制程序_第3页
3/8
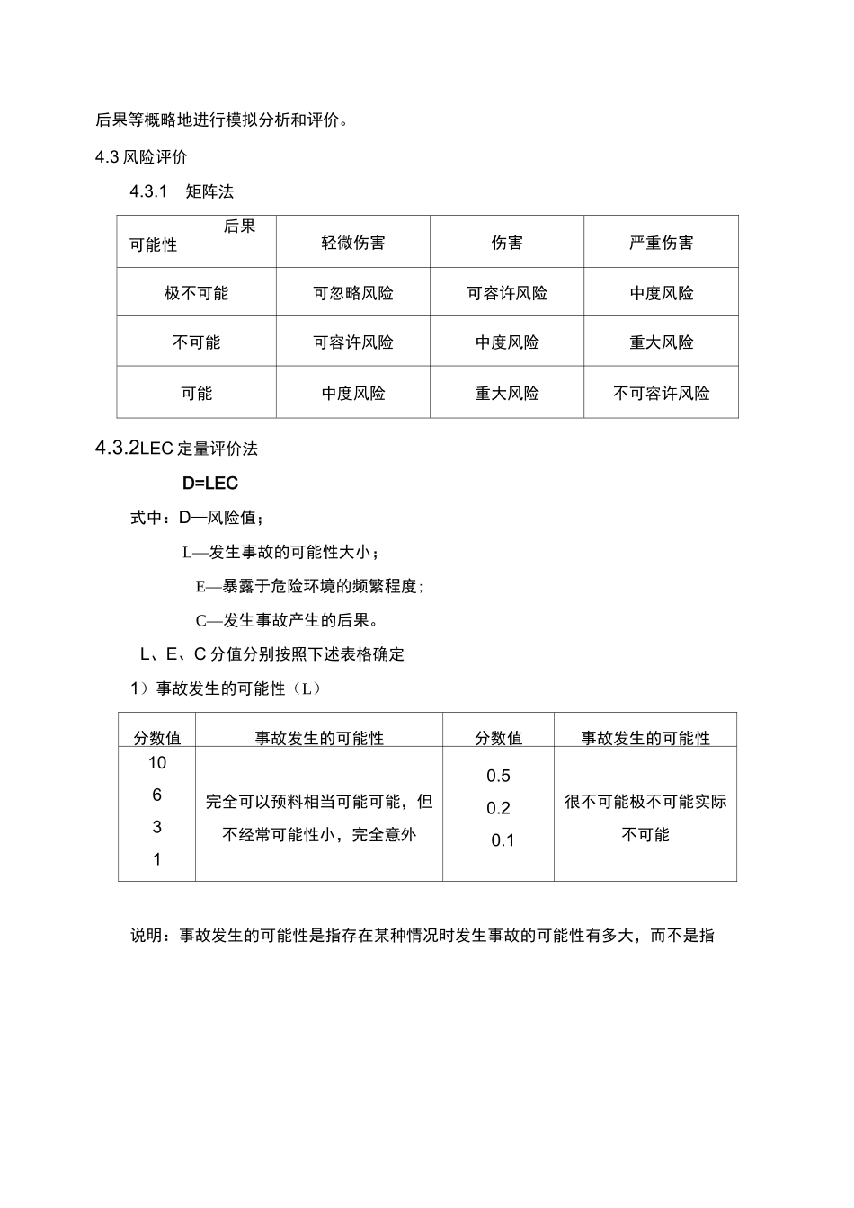
危险源辨识、风险评价和风险控制程序1目的风险评估是因那些物理、化学、微生物等对人或产品所带来的的威胁、存在的弱点、造成的影响,以及三者综合作用而带来风险的可能性而进行评估评估。作为风险管理的基础,风险评估是组织确定安全需求的一个重要途径,属于组织安全管理体系策划的过程。持续对全管理处范围内所有危险源进行辨识、风险评价和风险控制的策划,为消除事故隐患奠定基础。2适用范围适用于全管理处危险源辨识、风险评价和风险控制的策划工作。3职责3.1管理者代表负责组织管理处危险源的辨识、风险评价和风险控制的策划工作。3.2安全办公室是管理处危险源辨识、风险评价和风险控制的策划工作的归口管理部门。3.3各科室和单位负责其管辖范围内的危险源辨识工作,参加风险评价和风险控制策划工作。4工作程序4.1危险源辨识和风险评价过程确定生产作业过程-识别危险源-安全风险评价j登记重大安全风险。4.2危险源的辩识4.2.1危险源的辩识应考虑以下方面:4.2.1.1所有活动中存在的危险源。包括管理处管理和工作过程中所有人员的活动、外来人员的活动;常规活动(如正常的工作活动等)、异常情况下的活动和紧急状况下的活动(如火灾等)。4.2.1.2管理处所有工作场所的设施设备(包括外部提供的)中存在危险源,如建筑物、车辆等。4.2.1.3管理处所有采购、使用、储存、报废的物资中存在危险源,如食品、办公用品、生活物品等。4.2.1.4各种工作环境因素带来的影响,如高温、低温、照明等。4.2.1.5识别危险源时要考虑六种典型危害、三种时态和三种状态1)六种典型危害a各种有毒有害化学品的挥发、泄漏所造成的人员伤害、火灾等;b物理危害:造成人体辐射损伤、冻伤、烧伤、中毒等;c机械危害:造成人体砸伤、压伤、倒塌压埋伤、割伤、刺伤、擦伤、扭伤、冲击伤、切断伤等;d电器危害:设备设施安全装置缺乏或损坏造成的火灾、人员触电、设备损害等;e人体工程危害:不适宜的作业方式、作息时间、作业环境等引起的人体过度疲劳危害;f生物危害:病毒、有害细菌、真菌等造成的发病感染。2)三种时态a过去:作业活动或设备等过去的安全控制状态及发生过的人体伤害事故;b现在:作业活动或设备等现在的安全控制状况;c将来:作业活动发生变化、系统或设备等在发生改进、报废后将会产生的危险因素。3)三种状态a正常:作业活动或设备等按其工作任务连续长时间进行工作的状态;b异常:作业活动或设备等周期性或临时性进行工作的状态,如设备的开启、停止检修等状态;c紧急情况:发生火灾、水灾、交通事故等状态。4.2.2识别的方法1)收集国家和地方有关安全法规、标准,将其作为重要依据和线索。2)收集本单位和其它同类单位过去已发生的事件和事故信息。3)通过收集其它要求(如:顾客的要求等)和专家咨询获得的信息。4)通过现场观察、座谈和预先危害分析进行辨识:现场观察:对作业活动、设备运转进行现场观测,分析人员、过程、设备运转过程中存在的危害;座谈:召集安全管理人员、专业人员、管理人员、操作人员,讨论分析作业活动设备运转过程中存在的危害,对现场观察分析得出的危害进行补充和确认;预先危害分析:新设备或新过程采用前,预先对存在的危害类别、危害产生的条件事故后果等概略地进行模拟分析和评价。4.3风险评价4.3.1矩阵法后果可能性轻微伤害伤害严重伤害极不可能可忽略风险可容许风险中度风险不可能可容许风险中度风险重大风险可能中度风险重大风险不可容许风险4.3.2LEC定量评价法D=LEC式中:D—风险值;L—发生事故的可能性大小;E—暴露于危险环境的频繁程度;C—发生事故产生的后果。L、E、C分值分别按照下述表格确定1)事故发生的可能性(L)分数值事故发生的可能性分数值事故发生的可能性10631完全可以预料相当可能可能,但不经常可能性小,完全意外0.50.20.1很不可能极不可能实际不可能说明:事故发生的可能性是指存在某种情况时发生事故的可能性有多大,而不是指这种情况在我单位出现的可能性有多大。如:车辆带病运行时,出现事故的可能性有多大(L值应为6或10),而不是指我单位车辆带病运行的可能性有多大(此时L值为3或1)。2)暴露于危险环境的频繁程度(E)分...

1、当您付费下载文档后,您只拥有了使用权限,并不意味着购买了版权,文档只能用于自身使用,不得用于其他商业用途(如 [转卖]进行直接盈利或[编辑后售卖]进行间接盈利)。
2、本站所有内容均由合作方或网友上传,本站不对文档的完整性、权威性及其观点立场正确性做任何保证或承诺!文档内容仅供研究参考,付费前请自行鉴别。
3、如文档内容存在违规,或者侵犯商业秘密、侵犯著作权等,请点击“违规举报”。

碎片内容

企业安全生产风险评估及风险控制程序

您可能关注的文档

wxg+ 关注
实名认证
内容提供者

该用户很懒,什么也没介绍

确认删除?
VIP
微信客服
  • 扫码咨询
会员Q群
  • 会员专属群点击这里加入QQ群
客服邮箱
回到顶部