电脑桌面
添加小米粒文库到电脑桌面
安装后可以在桌面快捷访问

晶闸管直流调速系统参数和环节特性的测定VIP专享VIP免费

晶闸管直流调速系统参数和环节特性的测定_第1页
1/16
晶闸管直流调速系统参数和环节特性的测定_第2页
2/16
晶闸管直流调速系统参数和环节特性的测定_第3页
3/16
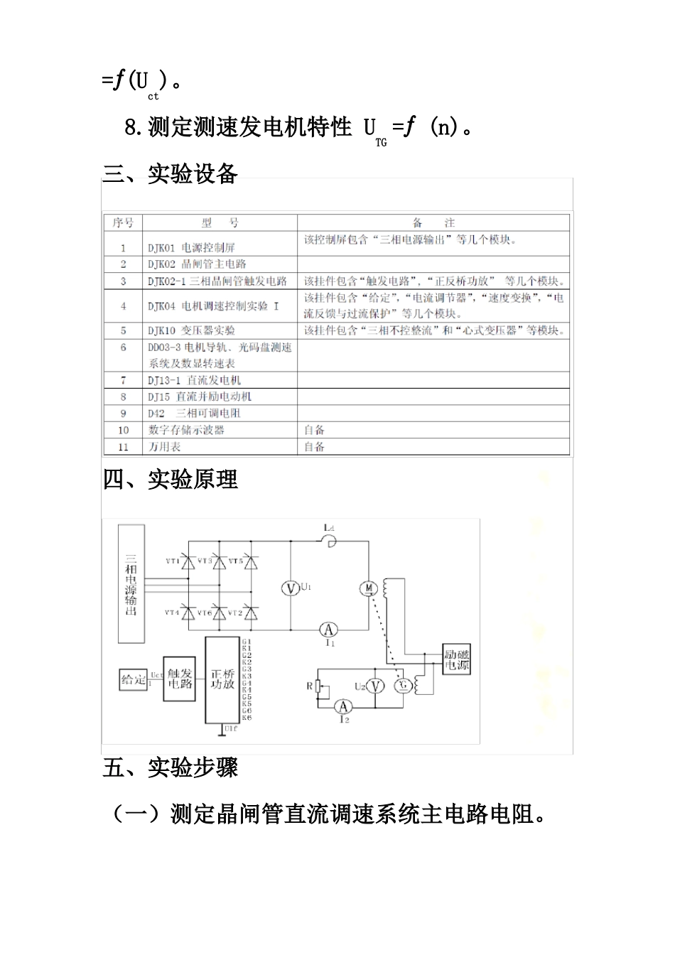
晶闸管直流调速系统参数和环节特性的测定实验报告晶闸管直流调速系统参数和环节特性的测定实验报告一、实验目的1.熟悉晶闸管直流调速系统的组成及其基本结构。2.掌握晶闸管直流调速系统的参数测试及反馈环节测定方法和测试条件。二、实验内容1.测定晶闸管直流调速系统主电路总电阻R。2.测定晶闸管直流调速系统主电路总电感L。3.测定直流电动机-发电机-测速发电机飞轮惯量GD2。4.测定晶闸管直流调速系统主电路电磁时间常数Td。5.测定直流发电机电动势常数Ce和转矩常数CT。6.测定晶闸管直流调速系统机电时间常数Tm。7.测定晶闸管触发及整流装置特性Ud=ƒ(Uct)。8.测定测速发电机特性UTG=ƒ(n)。三、实验设备四、实验原理五、实验步骤(一)测定晶闸管直流调速系统主电路电阻。伏安比较法测量1.测量电枢回路总电阻RR=Ra+RL+Rn(电枢电阻Ra、平波电抗器电阻RL、整流装置内阻Rn)(1)不加励磁、电机堵转(2)合上S1和S2,调节给定,使输出电压到30%-70%的额定电压调节电阻,使枢电流80%-90%的额定电流测定U1和I1。(3)断开S2测定U2和I2。(4)计算电枢回路总电阻R=(U2-U1)/(I1-I2)合上S1和S2测得U1=100V,I1=0.95A;断开S2测得U2=103V,I2=0.63A;R=(U2-U1)/(I1-I2)=(103V-100V)/(0.95A-0.63A)=9.375Ω2.电枢电阻Ra(1)短接电机电枢(2)不加励磁、电机堵转(3)合上S1和S2,调节给定,使输出电压到30%-70%的额定电压调节电阻,使枢电流80%-90%的额定电流测定U1’和I1’。(4)断开S2测定U2’和I2’。(5)计算平波电抗器电阻RL和整流装置内阻Rn:RL+Rn=(U2’-U1’)/(I2’-I1’)电枢电阻Ra:Ra=R-(RL+Rn)合上S1和S2测得U1’=95V,I1’=1.15A断开S2测得U2’=97V,I2’=0.80ARL.8A)=5.714ΩRa=R-(RL+Rn)=9.375Ω-5.714Ω=3.661Ω3.平波电抗器电阻RL(1)短接电抗器两端(2)不加励磁、电机堵转(3)合上S1和S2,调节给定,使输出电压到30%-70%的额定电压调节电阻,使枢电流80%-90%的额定电流测定U1’’和I1’’。(4)断开S2+Rn=(U2’-U1’)/(I2’-I1’)=(97V-95V)/(1.15A-0测定U2’’和I2’’。(5)计算电枢电阻Ra和整流装置内阻Rn:Ra+Rn=(U2’’-U1’’)/(I2’’-I1’’)平波电抗器电阻RL:RL=R-(Ra+Rn)合上S1和S2测得U1’’=97V,I1’’=1.05A断开S2测得U2’’=99V,I2’’=0.75ARa+Rn=(U2’’-U1’’)/(I2’’-I1’’)=(99V-97V)/(1.05A-0.75A)=6.667ΩRL=R-(Ra+Rn)=9.375Ω-6.667Ω=2.708Ω(二)电枢回路电感测量交流伏安法测定L=La+Ld+LB(电枢电感La、平波电抗器电感Ld、整流装置漏感内阻LB忽略)1.额定励磁,电机不转(直流机通交流电当然不转)2.变压器高压端接交流电源,低压侧接电枢3.读出电枢电压Ua、电抗器电压UL和I。4.计算Za=Ua/IZL=UL/ILa=Ld=L=La+Ld测出Ua=14.10V,UL=53.18V,I=0.18A。Za=Ua/I=216.28ΩZL=UL/I=593.02ΩLa==690mHLd==1.79HL=La+Ld=2.48H三)测定直流电动机-发电机-测速发电机飞轮惯量GDGD=375TK/|dn/dt|TK电机空载时的转矩221.电机加额定励磁,电机空载启动至稳定转速,测量Ua和Ia0。2.计算空载功率PK=UaIa0-Ia0Ra3.计算空载转矩TK=9.55PK/n4.切断给定电压Un*,自由停车,用示波器记录n=f(t)曲线。5.以转速n为基准选若干个点,多测几组,取平均值2测量得Ua=216V,Ia0=0.13APK=UaIa0-Ia0Ra=28.02Wn=1469TK=9.55PK/n=0.182N·m右图为示波器显示电压随时间下降图线U1=2.6V,n=1469U2=0V,n=0t=2.5s图1.Ud=f(t)GD=375TK/|dn/dt|=0.116(四)测定晶闸管直流调速系统主电路电磁时间常数Td。用电流波形法测定Td。221.电机不加励磁(或加额定励磁,电机人为堵转)2.调节给定电压使电枢电流为50%-90%额定电流3.保持Ug不变,把S拨到接地位置4.拨S给出Ug阶跃信号,用示波器记录id=f(t)曲线,电流稳定值的63.2%的时间为主电路电磁时间常数Td。R=1.5ΩId=ud/RT=0,ud=0T=25ms*4=0.1s,ud=20mV*7.5=0.15V则Td=0.1s(五)测定直流发电机电动势常数Ce和转矩常数CT。1.电机加额定励磁2.空载运行3.改变电枢电压Ud,测电枢电压Ud和转速n4.计算电势常数Ce=Ke=(Ud2-Ud1)/(n2-n1)5.计算转矩常数CM=9.55CeUd1=100V,Ud2=120Vn1=619.1,n2=740.6Ce=Ke=(Ud2-Ud1)/(n2-n1)=(120-...

1、当您付费下载文档后,您只拥有了使用权限,并不意味着购买了版权,文档只能用于自身使用,不得用于其他商业用途(如 [转卖]进行直接盈利或[编辑后售卖]进行间接盈利)。
2、本站所有内容均由合作方或网友上传,本站不对文档的完整性、权威性及其观点立场正确性做任何保证或承诺!文档内容仅供研究参考,付费前请自行鉴别。
3、如文档内容存在违规,或者侵犯商业秘密、侵犯著作权等,请点击“违规举报”。

碎片内容

晶闸管直流调速系统参数和环节特性的测定

确认删除?
VIP
微信客服
  • 扫码咨询
会员Q群
  • 会员专属群点击这里加入QQ群
客服邮箱
回到顶部