电脑桌面
添加小米粒文库到电脑桌面
安装后可以在桌面快捷访问

室外电气管线技术交底VIP免费

室外电气管线技术交底_第1页
1/6
室外电气管线技术交底_第2页
2/6
室外电气管线技术交底_第3页
3/6
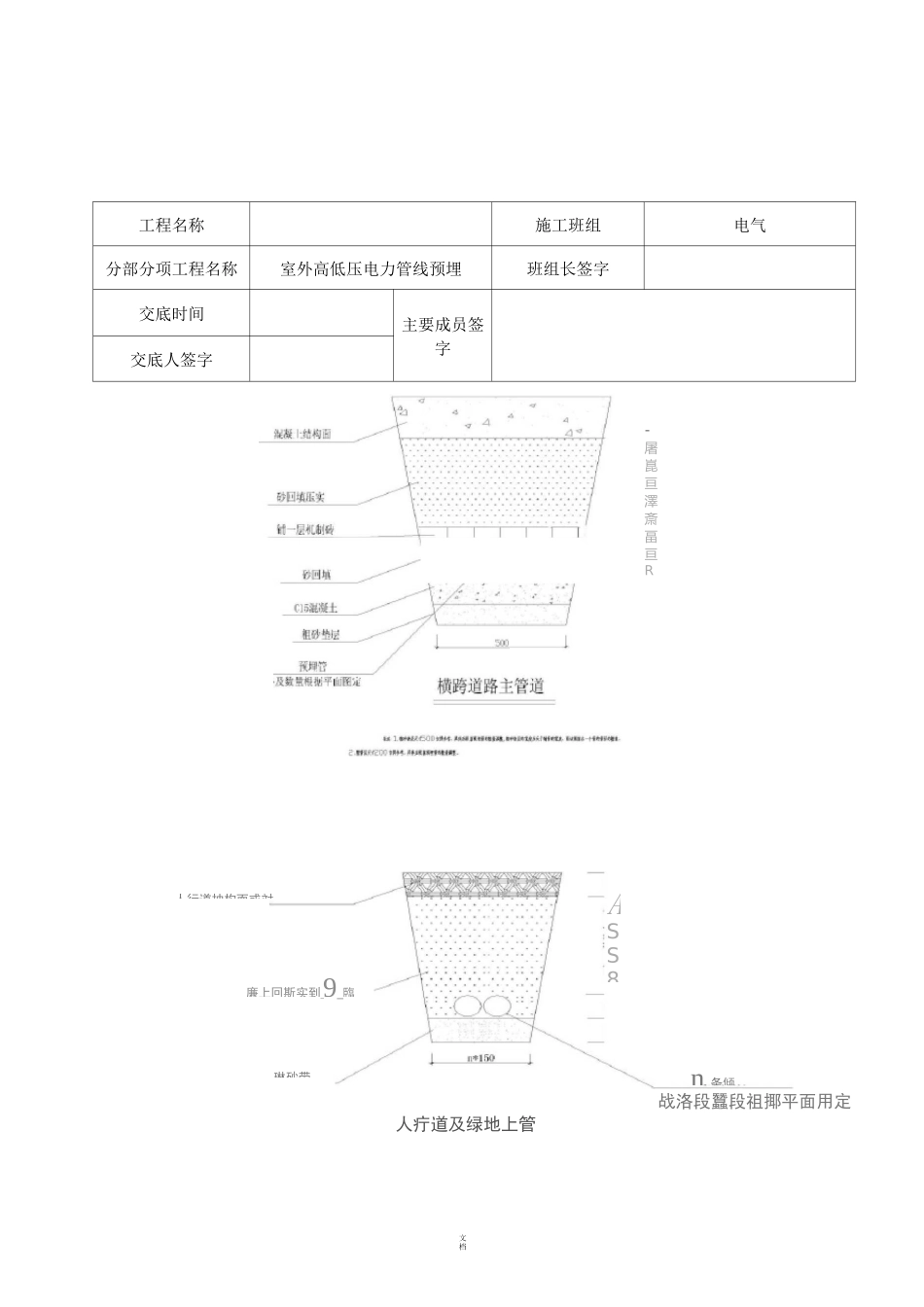
文档交底时交底人签交底主要成员签字一、施工准备1、材料准备工程中所需的管材、碎石、海砂、钢筋、等原材料按照进度要求在施工前运至施工现场。并应要求材料供应厂家出具产品合格证。经监理检验合格后方可使用。施工中所需的混凝土采用商品混凝土。施工所需要的砂浆现场用砂浆搅拌机搅拌。2、作业条件沟槽开挖已经完成,做好基坑排水,处理好沟槽底部基层处理后,方可进行管线施工。二、质量标准质量要求符合《电气装置安装工程电缆线路施工及验收规范》(GB50168-92)的规定。三、施工工艺(一)、施工工艺流程1、电力管道施工准备f测量定位f管槽开挖f验槽f基础处理f垫层浇筑f排管安装f管道包封f隐蔽验收-管槽回填土-工程验收2、电缆井施工准备f测量定位f沟槽开挖f验槽f基础处理f垫层浇筑f电缆沟(井)浇筑f电缆井排水管施工f水泥砂浆抹灰f隐蔽验收f沟(井)顶盖板口预留f沟槽回填f工程验收(二)施工方案1、管沟开挖(1)、设计要求管线埋地深度穿越主道路部分大于0.8m,人行道及绿地埋设深度大于0.6m,开槽采用放坡开挖,深度高于人体身高时,必须在两侧用挡板加固,以确保施工安全。(2)、沟槽开挖根据现场地形、地质条件及工期要求,采用挖掘机配合人工的方法,机械挖至高于设计底标高20cm左右预留底层土,人工清挖底20cm之前,由施工员用水准仪随时抄平出距坑底20cm的水平桩,每隔2.5米打一个小木橛或钢筋头,人工再根据水平桩铲平设计底标高,修整槽底,清挖的土随挖机挖出,以确保槽底土壤不被扰动或破坏。(3)、挖出的土应及时运走,无法运走应堆放在离基坑3米以外堆放,并确保沟槽坡顶无静载,及重车碾压等动荷载。基底每边加30cm的施工工作面进行开挖,按照施工进度合理安排开槽长度。基坑验收后,具体做法见1,过马路部分施工工艺与绿化带区域不一样,具体做法见图2,超挖的部分严禁用浮土回填,经设计、监理认可后,进行处理。工程名称施工班组电气分部分项工程名称室外高低压电力管线预埋班组长签字文档■5it?z^:S:EEiix./?::E飞:冷工程名称施工班组电气分部分项工程名称室外高低压电力管线预埋班组长签字交底时间主要成员签字交底人签字战洛段蠶段祖揶平面用定人疔道及绿地上管-屠崑亘澤斎畐亘R人行道抽构而或対廉上冋斯实到9臨琳砂带n条倾ASS8文档2、井施工管沟开挖完毕,扰动土,不留积水,密实,表面工程名称施工班组电气分部分项工程名称室外高低压电力管线预埋班组长签字交底时间主要成员签字交底人签字图2按规定对基底整平夯实,并清除沟底杂物。地基验槽完成后,清除表层浮土和立即进行放线、垫层混凝土施工,具体做法见图3图4,垫层混凝土必须振捣fO.'.wJ.-戒熬喊TO;/謙張选畀乔、-七工程施工班电分部分项工程名称室外高低压电力管线预埋班组长签交底时交底人签主要成员干N■应~/A获用电跪餓井「I剖曲文档图43、排管安装(1)、管材及附件验收由于经过长途运输和多次搬动,必须仔细检查管身有无裂纹或损伤、防腐是否完整,决不使用任何一个不合格管材。(2)、排管安装根据管径大小和现场情况,采用人工安装。下管前,须对槽底的尺寸、高程、坡度、地基和基础的质量进行检查,并报请监理工程师进行检验核定。下管时应将排管排好,然后对线校正,严格控制中线和标高,自下由上进行下管,并用中心线法或边线法控制排管的中线和高程。管道就位后,随时检查管道的高程和平直度,发生偏差随时纠正,确保管道排列整齐平顺,接口密闭良好。4、接口处理PVC管口应进行刨口处理,以防刮伤电缆,插接前应清理干净管口,位于管井处应该包扎好,低用电護融线井平WW0HID*迢冷"、^n.i1QQQ]GO门%(USE创吐皿14、7凝轴脏粗伸能nI施工技术交底单文档DQ1_9本交底单共6页第5页施工单位:工程名称施工班组电气分部分项工程名称室外高低压电力管线预埋班组长签字交底时间主要成员签字交底人签字施工技术交底单文档以防泥土堵塞管道。5、沟槽回填(1)、待管道安装完成并经验收合格后,方可进行海砂回填。(2)、回填材料选用经试验合格的外运材料。回填前,确保沟槽内无积水。不得回填淤泥、腐植土及有机物质。(3)、海砂回填米用分层对称回填分层夯实的方法,每层回填厚度不大于500mm。(4)、回填管道两侧土方...

1、当您付费下载文档后,您只拥有了使用权限,并不意味着购买了版权,文档只能用于自身使用,不得用于其他商业用途(如 [转卖]进行直接盈利或[编辑后售卖]进行间接盈利)。
2、本站所有内容均由合作方或网友上传,本站不对文档的完整性、权威性及其观点立场正确性做任何保证或承诺!文档内容仅供研究参考,付费前请自行鉴别。
3、如文档内容存在违规,或者侵犯商业秘密、侵犯著作权等,请点击“违规举报”。

碎片内容

室外电气管线技术交底

您可能关注的文档

wxg+ 关注
实名认证
内容提供者

该用户很懒,什么也没介绍

确认删除?
VIP
微信客服
  • 扫码咨询
会员Q群
  • 会员专属群点击这里加入QQ群
客服邮箱
回到顶部