电脑桌面
添加小米粒文库到电脑桌面
安装后可以在桌面快捷访问

施工单位项目施工管理负责人质量责任书VIP免费

施工单位项目施工管理负责人质量责任书_第1页
1/6
施工单位项目施工管理负责人质量责任书_第2页
2/6
施工单位项目施工管理负责人质量责任书_第3页
3/6
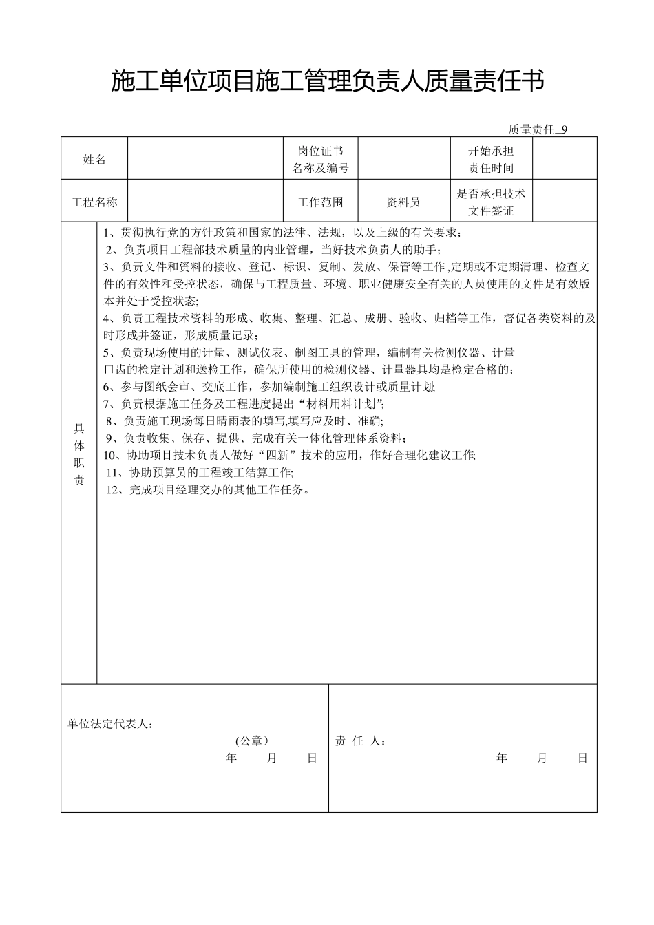
施工单位项目施工管理负责人质量责任书质量责任—9姓名岗位证书名称及编号工作范围开始承担责任时间是否承担技术文件签证工程名称资料员具体职责1、贯彻执行党的方针政策和国家的法律、法规,以及上级的有关要求;2、负责项目工程部技术质量的内业管理,当好技术负责人的助手;3、负责文件和资料的接收、登记、标识、复制、发放、保管等工作,定期或不定期清理、检查文件的有效性和受控状态,确保与工程质量、环境、职业健康安全有关的人员使用的文件是有效版本并处于受控状态;4、负责工程技术资料的形成、收集、整理、汇总、成册、验收、归档等工作,督促各类资料的及时形成并签证,形成质量记录;5、负责现场使用的计量、测试仪表、制图工具的管理,编制有关检测仪器、计量口齿的检定计划和送检工作,确保所使用的检测仪器、计量器具均是检定合格的;6、参与图纸会审、交底工作,参加编制施工组织设计或质量计划;7、负责根据施工任务及工程进度提出“材料用料计划”;8、负责施工现场每日晴雨表的填写,填写应及时、准确;9、负责收集、保存、提供、完成有关一体化管理体系资料;10、协助项目技术负责人做好“四新”技术的应用,作好合理化建议工作;11、协助预算员的工程竣工结算工作;12、完成项目经理交办的其他工作任务。单位法定代表人:(公章)年月日责任人:年月日施工单位项目施工管理负责人质量责任书质量责任-9姓名岗位证书名称及编号工作范围开始承担责任时间是否承担技术文件签证工程名称材料员具体职责1、贯彻执行党的方针政策和国家的法律、法规,以及上级的有关要求;2、负责项目施工中所需物资的供应、入库、验收、保管、发放工作,并合理配置施工设备和持证操作维修人员,确保生产正常进行。3、根据施工需要,制定材料、设备计划,并作好原始记录,办理完善手续。4、负责对建材市场进行调研,收集建材及半成品、产品有关市场价格的信息,并进行记录,传递给领导及预算员。5、按计划进料,联系供应要及时,避免过失性停工待料,做到工完料清,余料及时5退帐,周转材料及时清理归还。;6、收发退料要明细,及时准确向项目工程部技术内业提供各种单据、记录和材料、设备明细台帐.7、对施工现场的材料,设备堆场清洁卫生,整齐负责,要符合文明施工要求,按有关程序规定,搞好物资的检验、标识、贮存,保证施工中使用质量合格的物资,做到账、卡、物三相符;8、实行限额领料,督促工程材料的合理使用,按照物资收、发、保、退规定,建立物资成本账册,严格保管;9、收集、保管好各种物资的质量证明资料及其他质量记录,并及时向有关部门和人员输送资料;10、负责对本项目施工设备的使用、检查、维护、保养和中小型设备的修理并作好相应质量记录;11、认真执行一体化管理体系,及时准确统计设备、材料方面的各种报表和有关质量记录,做到按规定报送;12、负责对设备操作人员、维护人员、信号人员的经常性安全意识教育和业务技能培训工作,并做好有关质量记录;13、协助配合其它部门的工作,及时完成领导交办的其他工作。单位法定代表人:(公章)年月日责任人:年月日施工单位项目施工管理负责人质量责任书质量责任—9姓名岗位证书名称及编号工作范围开始承担责任时间是否承担技术文件签证工程名称安全员具体职责1、贯彻执行党的方针政策和国家的法律、法规,以及上级的有关要求;2、负责项目工程质量、职业健康安全的管理、检查工作,保证一体化管理体系有效运行;3、按JGJ59-2011标准及相关文件标准随时检查工程质量及安全,督促施工人员按设计图纸、施工验收规范、操作规程、施工组织设计及基它施工技术文件进行施工,全面负责项目工程质量、安全的监督、检查工作,发现不合格品,签发“整改通知单",责令限期整改,及时验证,做好相关记录,并及时向项目工程部经理汇报;4、加强工序产品的控制,认真执行隐蔽工程验收制度,严把工序交接关,防止上道不合格工序产品流入下道工序;5、对工程设备、材料、半成品、配件的质量严格检查或协助检查,禁止不合格产品进入施工现场;6、参加检验批、分项、分部和单位工程的质量验收,并负责填写相关质量验收记录;7、参对竣工工程的结构安全和使用功能...

1、当您付费下载文档后,您只拥有了使用权限,并不意味着购买了版权,文档只能用于自身使用,不得用于其他商业用途(如 [转卖]进行直接盈利或[编辑后售卖]进行间接盈利)。
2、本站所有内容均由合作方或网友上传,本站不对文档的完整性、权威性及其观点立场正确性做任何保证或承诺!文档内容仅供研究参考,付费前请自行鉴别。
3、如文档内容存在违规,或者侵犯商业秘密、侵犯著作权等,请点击“违规举报”。

碎片内容

施工单位项目施工管理负责人质量责任书

您可能关注的文档

确认删除?
VIP
微信客服
  • 扫码咨询
会员Q群
  • 会员专属群点击这里加入QQ群
客服邮箱
回到顶部