电脑桌面
添加小米粒文库到电脑桌面
安装后可以在桌面快捷访问

门窗工程施工工艺VIP专享VIP免费

门窗工程施工工艺_第1页
1/6
门窗工程施工工艺_第2页
2/6
门窗工程施工工艺_第3页
3/6
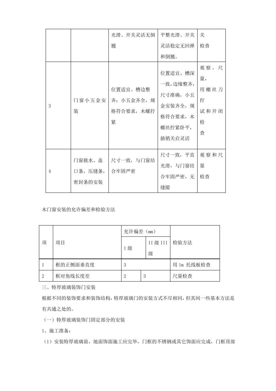
门窗工程施工工艺一、门套、窗套施工工艺流程图:施工准备2、操作要点:a.基层处理:包括弹线分格、墙与门窗套方,表面平整度处理和基层防潮等项工作,其中基层防潮处理采用满刷一遍防水涂料的方法,而表面平整度则统一采用调整龙骨断面尺寸的方法进行处理。b.砖墙、混凝土墙钉木针,先采用手持冲击钻作φ12引孔(深50mm左右),然后将用防腐防潮剂浸泡过的木针(小木楔,通称木针)打入孔内,间距@400~500,以龙骨方格网为准。c.采用气针枪在木针上直接钉装木龙骨。木龙骨要事先进行防腐处理,注意门套龙骨施工时预埋木砖,木砖作防腐处理。d.饰面板材应对木纹、颜色等进行挑选拼对,尤其是门套、窗套两侧饰面板、色泽、花纹及图案要基本一致,板块间预留0.5mm装饰品竖缝,饰面板均采用立时得胶水粘贴,收口采用45°戗边碰角,不得露出饰面板端部。e.阴、阳角线均采用实木线条,材质、颜色、花纹同饰面板、阴阳角采用45°碰角,采用气钉枪直接钉装。二、门、窗扇的安装工艺流程图:木钉防腐木龙骨防腐隐蔽验收基层处理钉木针安装龙骨安装装饰面板验收安装阴阳角装饰线条施工准备门窗套、门窗扇检查与处理安装合页验收安装门锁、把手、闭门器安装门窗扇2、主要操作要点:a.门窗扇安装前,应检查门窗框上、中、下三部分的宽度是否一致,如果偏差2㎜以上要进行修整。要明确开启方向,而后量出门窗框口的净尺寸,考虑封缝的大小,再确定扇的高度和宽度,即进行修刨。b.修刨时,在门窗扇的高度方向先刨平下冒头,以此为准再修刨上冒头;在宽度方向上应将门窗扇立于门窗框中,检查与门窗框配合的松紧度,根据留缝要求进行修刨。由于木材的干缩湿胀,而且门窗扇、框均需要油漆涂饰及打底厚度,所以安装时要留缝,包括上述的风缝。门扇与地面缝(装饰面5㎜)、门扇与门企缝(油漆前2㎜)。c.门窗扇安装,采用初安→调整→临时固定→安装固定的流程进行。修刨好的门窗扇,用木楔临时立于门窗框中,安排好缝隙后面的合页位置。合页位置距上、下边的距离宜为门窗扇高度的1/10,此位置利于合页受力,又可避开榫头。然后再把扇取下,用扁铲剔出合页槽。合页槽应外边浅,里边深,其深度应是把合页合上以后能够与框、扇平正为准。剔槽后放入合页,上下合页各拧1颗螺丝钉将扇挂上,检查缝隙是否符合要求,扇与框是否齐平,扇能否关好。在检查合格后,再将螺丝钉全部上齐。对于双扇门窗扇的安装,还需注意其错口工序,按其开启方向看,右手门是盖口,左手门是等口。d.比准锁头、锁母位置后,先安装锁母,再安装锁头,并进行各种用途的调试。e.进行门扇、门窗安装的综合检查,确认合格后即可进行下道工序施工。f.验收标准见下表。木门窗安装的质量标准和检验方法质量标准项次项目合格门窗框与墙体观察检查1之间如需塞保温材料2门窗扇安装裁口顺直、刨面平整裁口顺直、刨面观察和开基本塞满填塞饱满、均匀优良检验方法光滑、开关灵活无倒翘平整光滑、开关灵活稳定无回弹和倒翘。位置适宜、槽深关检查观察、尺量,一致,边缘整齐,位置适宜、槽边整尺寸准确,小五门窗小五金安3装格符合要求,木螺拧格符合要求,木紧螺丝拧紧卧平,查插销关启灵活尺寸一致,平直门窗披水、盖4尺寸一致,与门窗结光滑,与门窗结口条,压缝条,合牢固严密合牢固严密,无密封条的安装木门窗安装的允许偏差和检验方法允许偏差(mm)项项目I级级12框的正侧面垂直度框对角线长度差323用1m托线板检查尺量检查II级III检验方法缝隙检查量观察和尺检齐;小五金齐全,规金安装齐全,规试和开闭拧用螺丝刀三、特厚玻璃装饰门安装根据不同的装饰要求和装饰结构,特厚玻璃门的安装方式不尽相同,但其间一些基本方法是有共通之处的。(一)特厚玻璃装饰门固定部分的安装1、施工准备:(1)安装特厚玻璃前,地面饰面施工应完毕,门框的不锈钢或其它饰面应完成,门框顶部的特厚玻璃槽位已经留出,限位槽的宽度应大于玻璃厚度2~4mm,槽深约10~20mm;(2)不锈钢饰面的木底托,可用木楔钉的方法固定在地面上,然后用万能胶将不锈钢饰面粘卡在木方上;(3)特厚玻璃的安装尺寸,应从安装位置的底部、中部和顶部测量选择最小尺寸为玻璃板宽度...

1、当您付费下载文档后,您只拥有了使用权限,并不意味着购买了版权,文档只能用于自身使用,不得用于其他商业用途(如 [转卖]进行直接盈利或[编辑后售卖]进行间接盈利)。
2、本站所有内容均由合作方或网友上传,本站不对文档的完整性、权威性及其观点立场正确性做任何保证或承诺!文档内容仅供研究参考,付费前请自行鉴别。
3、如文档内容存在违规,或者侵犯商业秘密、侵犯著作权等,请点击“违规举报”。

碎片内容

门窗工程施工工艺

确认删除?
VIP
微信客服
  • 扫码咨询
会员Q群
  • 会员专属群点击这里加入QQ群
客服邮箱
回到顶部