电脑桌面
添加小米粒文库到电脑桌面
安装后可以在桌面快捷访问

风力发电机巡检项目VIP免费

风力发电机巡检项目_第1页
1/8
风力发电机巡检项目_第2页
2/8
风力发电机巡检项目_第3页
3/8
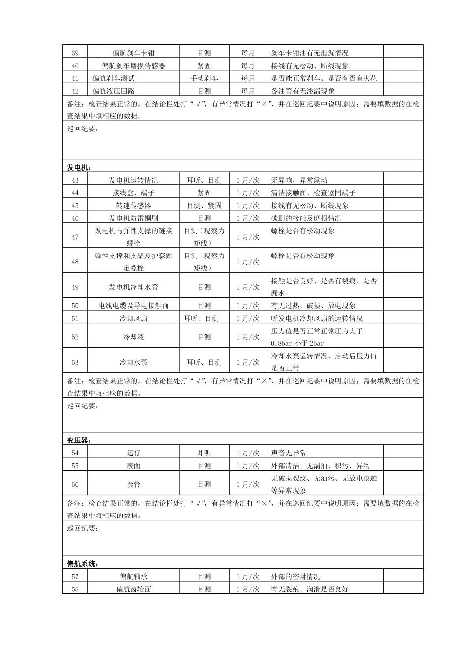
大唐桂冠盘县四格风电有限公司银河风机巡回检查记录号风机序号检查项目(内容)检查方法周期标准要求、参数检查结果叶片部分123叶片螺栓:4螺栓目测(观察力矩线)每月与轮毂连接是否有松动叶片表面、叶尖、接收器目测(用望远雷电接收避雷针镜)每月每月每月检查是否有积垢、碎片、腐蚀、裂纹有无污物、附着物是否有断裂和腐蚀现象备注:检查结果正常的,在结论栏处打“√”,有异常情况打“×”,并在巡回纪要中说明原因;需要填数据的在检查结果中填相应的数据。巡回纪要:变浆系统:56789变桨控制柜的表面情况变桨控制柜内继电器、开关等控制柜冷却通风装置控制柜加热装置蓄电池柜目测目测、紧固目测目测目测每月每月每月每月每月有无油迹污染检查继电器和开关是否有损坏、接线是否牢固是否正常运行是否正常运行内部是否清洁、接线是否牢固、加热系统是否正常目测蓄电池外观是否有膨胀现象、测量电压是否正常(230V)表面是否清洁、有无裂痕、是否缺油有无被雷击现象,安装是否牢固是否缺油有无松动、断裂现象表面清洁、无裂纹、无污染表面清洁、无裂纹、无污染、接线无松动是否缺油、表面清洁、无裂纹、无污染10蓄电池万用表每月111213141516叶片齿轮防雷铜刷变桨电机齿轮箱油位变桨轴承与螺栓与轮毂连接情况油轮编码器目测目测目测目测目测目测每月每月每月每月每月每月17变桨电机齿面目测每月18192021变桨轴承外部清洁情况轴承润滑测试比例阀电缆目测目测目测红外测温仪每月每月每月每月密封是否严密,是否存在油迹是否缺油各叶片角度是否一致(89°-91°)是否过热、是否有放电痕迹备注:检查结果正常的,在结论栏处打“√”,有异常情况打“×”,并在巡回纪要中说明原因;需要填数据的在检查结果中填相应的数据。巡回纪要:轮毂:222324252627滑环:282+30滑环滑环插座拉杆目测目测目测每月每月每月检查滑环内部有无污物接触是否良好检查拉杆有无损坏、变形照明变桨轴承与轮毂的连接螺栓轮毂零部件导流罩与轮毂的连接螺栓分配器接线情况油泵目测目测(观察力矩线)目测紧固目测目测每月每月每月每月每月每月是否有异常螺栓有无松动、脱落现象轮毂零部件有无松动现象用扳手检查连接螺栓是否存在松动现象有无松动、脱落、漏油现象是否缺油备注:检查结果正常的,在结论栏处打“√”,有异常情况打“×”,并在巡回纪要中说明原因;需要填数据的在检查结果中填相应的数据。巡回纪要:刹车系统:刹车片厚度及其表面有无裂痕,刹31主轴刹车片目测每月车盘间隙是否正常。间隙为:0.3mm-0.5mm刹车片磨损:﹤19mm3233343536主轴刹车盘表面主轴刹车卡钳主轴刹车磨损传感器主轴刹车测试主轴刹车液压回路目测目测紧固手动刹车目测每月每月每月每月每月是否清洁,无油、油脂刹车卡钳油有无泄漏情况接线有无松动、断线现象是否能正常刹车、是否有否有火花各油管有无渗漏现象刹车片厚度及其表面有无裂痕,刹37偏航刹车片目测每月车盘间隙是否正常。间隙为:0.3mm-0.5mm刹车片磨损:﹤19mm38偏航刹车盘表面目测每月是否清洁,无油、油脂39404142偏航刹车卡钳偏航刹车磨损传感器偏航刹车测试偏航液压回路目测紧固手动刹车目测每月每月每月每月刹车卡钳油有无泄漏情况接线有无松动、断线现象是否能正常刹车、是否有否有火花各油管有无渗漏现象备注:检查结果正常的,在结论栏处打“√”,有异常情况打“×”,并在巡回纪要中说明原因;需要填数据的在检查结果中填相应的数据。巡回纪要:发电机:4344454647发电机运转情况接线盒、端子转速传感器发电机防雷铜刷发电机与弹性支撑的链接螺栓弹性支撑和支架及护套固定螺栓发电机冷却水管电线电缆及导电接触面冷却风扇冷却液耳听、目测紧固目测、紧固目测目测(观察力矩线)目测(观察力矩线)目测目测耳听、目测目测1月/次1月/次1月/次1月/次1月/次无异响,异常震动清洁接触面、检查紧固端子接线有无松动、断线现象碳刷的接触及磨损情况螺栓是否有松动现象481月/次螺栓是否有松动现象495051521月/次1月/次1月/次1月/次接触是否良好、是否有裂痕、是否漏水有无过热、破损、放电现象听发电机冷却风扇的运转情况压力值是否正常正常压力大于0.8bar...

1、当您付费下载文档后,您只拥有了使用权限,并不意味着购买了版权,文档只能用于自身使用,不得用于其他商业用途(如 [转卖]进行直接盈利或[编辑后售卖]进行间接盈利)。
2、本站所有内容均由合作方或网友上传,本站不对文档的完整性、权威性及其观点立场正确性做任何保证或承诺!文档内容仅供研究参考,付费前请自行鉴别。
3、如文档内容存在违规,或者侵犯商业秘密、侵犯著作权等,请点击“违规举报”。

碎片内容

风力发电机巡检项目

您可能关注的文档

确认删除?
VIP
微信客服
  • 扫码咨询
会员Q群
  • 会员专属群点击这里加入QQ群
客服邮箱
回到顶部