电脑桌面
添加小米粒文库到电脑桌面
安装后可以在桌面快捷访问

管道防腐保温投标书VIP免费

管道防腐保温投标书_第1页
1/26
管道防腐保温投标书_第2页
2/26
管道防腐保温投标书_第3页
3/26
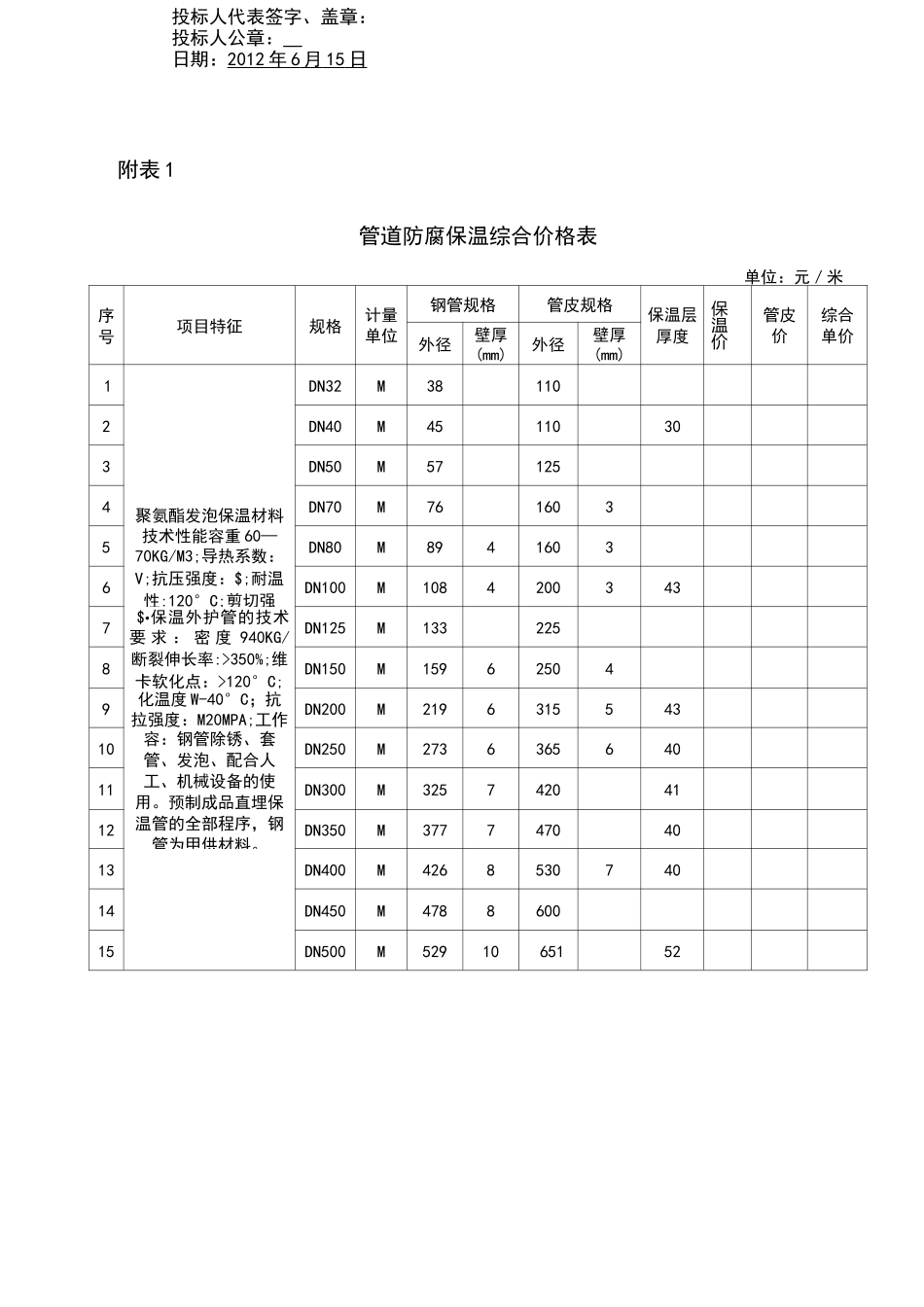
开标一览表招标编号:XHCG/RL-2012-5-29分包号:无分包项目名称:XXXXX新建小区及已建小区二级网管道防腐保温投标人名称投标单价(元人民币)投标声明XXXXX省中亿化工设备安装有限公司附表:投标报价表无注:投标声明如无,则填“无”。投标人代表签字、盖章:投标人公章:XXXXX日期:2012年6月15日投标人代表签字、盖章:投标人公章:__日期:2012年6月15日附表1管道防腐保温综合价格表单位:元/米序号项目特征规格计量单位钢管规格管皮规格保温层厚度保温价管皮价综合单价外径壁厚(mm)外径壁厚(mm)1DN32M381102DN40M45110303DN50M571254聚氨酯发泡保温材料技术性能容重60—70KG/M3;导热系数:DN70M7616035DN80M89416036V;抗压强度:$;耐温性:120°C;剪切强DN100M10842003437$•保温外护管的技术要求:密度940KG/DN125M1332258断裂伸长率:>350%;维卡软化点:>120°C;DN150M159625049化温度W-40°C;抗拉强度:M20MPA;工作DN200M219631554310容:钢管除锈、套管、发泡、配合人工、机械设备的使用。预制成品直埋保温管的全部程序,钢管为甲供材料。DN250M273636564011DN300M32574204112DN350M37774704013DN400M426853074014DN450M478860015DN500M5291065152投标人代表签字、盖章:投标人公章:__日期:2012年6月15日附表2接头防腐保温综合价格表单位:元/米序号项目特征规格计量单位钢管规格管皮规格保温层厚度保温价管皮价综合单价外径壁厚(mm)外径壁厚(mm)1DN32M381102DN40M45110303DN50M571254聚氨酯发泡保温材料技术性能容重60—70KG/M3;导热系数:DN70M7616035DN80M89416036V;抗压强度:$;耐温性:120°C;剪切强DN100M10842003437$•保温外护管的技术要求:密度940KG/DN125M1332258断裂伸长率:>350%;维卡软化点:>120°C;DN150M159625049化温度W-40°C;抗拉强度:M20MPA;工作DN200M219631554310容:钢管除锈、套管、发泡、配合人工、机械设备的使用。预制成品直埋保温管的全部程序,钢管为甲供材料。DN250M273636564011DN300M32574204112DN350M37774704013DN400M426853074014DN450M478860015DN500M5291065152投标人代表签字、盖章:投标人公章:__日期:2012年6月15日附表3弯头防腐保温综合价格表单位:元/米序号项目特征规格计量单位钢管规格管皮规格保温层厚度保温价管皮价综合单价外径壁厚(mm)外径壁厚(mm)1DN32M381102DN40M45110303DN50M571254聚氨酯发泡保温材料技术性能容重60—70KG/M3;导热系数:DN70M7616035DN80M89416036V;抗压强度:$;耐温性:120°C;剪切强DN100M10842003437$•保温外护管的技术要求:密度940KG/DN125M1332258断裂伸长率:>350%;维卡软化点:>120°C;DN150M159625049化温度W-40°C;抗拉强度:M20MPA;工作DN200M219631554310容:钢管除锈、套管、发泡、配合人DN250M273636564011设备的使用。预制成品直埋保温管的全部程序,钢管为甲供材料。DN300M32574204112DN350M37774704013DN400M426853074014DN450M478860015DN500M5291065152投标人代表签字、盖章:投标人公章:__日期:2012年6月15日项目名称:XXXXX新建小区及已建小区—级网官道防腐保温工程致:XXXXXXXXXX(集团)有限公司物资采购管理部我公司愿意针对上述项目XXXXX新建小区及已建小区二级网管道防腐保温工程进行投标,签字代表XXXXX代表投标人XXXXX(地址:XXXXX黄河路西段路北)递交投标文件正本一份,副本三份,投标文件中所有关于投标人资格的文件、证明、陈述均是真实的、准确的。若有违背,我公司承担由此而产生的一切后果。我代表XXXXX,在此宣布并同意如下:投标人已经详细审查全部招标文件,我们完全理解和接受招标文件的一切规定和要求,同意放弃对这方面有不明及误解的权利。投标报价在投标有效期和合同有效期内,该报价固定不变。若中标,我方将按照招标文件的具体规定与招标人签订合同,并且严格履行合同责任和义务。在整个招标过程中,我方若有违规行为,贵方可按招标文件之规定处置,我方完全接受。本投标有效期为自开标日起90个日历日。投标人同意提供按照贵方可能要求的与其投标有关的一切数据或资料,完全理解贵方不一定接受最低价的投标或收到的任何投标。与本投标有关...

1、当您付费下载文档后,您只拥有了使用权限,并不意味着购买了版权,文档只能用于自身使用,不得用于其他商业用途(如 [转卖]进行直接盈利或[编辑后售卖]进行间接盈利)。
2、本站所有内容均由合作方或网友上传,本站不对文档的完整性、权威性及其观点立场正确性做任何保证或承诺!文档内容仅供研究参考,付费前请自行鉴别。
3、如文档内容存在违规,或者侵犯商业秘密、侵犯著作权等,请点击“违规举报”。

碎片内容

管道防腐保温投标书

您可能关注的文档

确认删除?
VIP
微信客服
  • 扫码咨询
会员Q群
  • 会员专属群点击这里加入QQ群
客服邮箱
回到顶部