电脑桌面
添加小米粒文库到电脑桌面
安装后可以在桌面快捷访问

风电塔筒项目制作工艺及检验标准VIP免费

风电塔筒项目制作工艺及检验标准_第1页
1/27
风电塔筒项目制作工艺及检验标准_第2页
2/27
风电塔筒项目制作工艺及检验标准_第3页
3/27
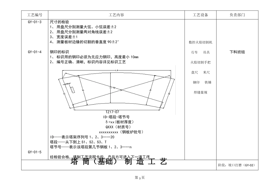
塔筒(基础)制造工艺工艺编号ZB-1ZB-2ZB-3ZB-4工艺内容合同、技术标准、图纸工艺评审1、合同、技术协议交底、填制交底记录2、进行图纸、技术标准、技术协议评审,填制评审记录按评审结果制定采购计划和工艺技术准备1、制定钢板、型材、法兰、焊材、油漆采购计划,标明型号、规格和采购技术标准2、按工艺评审结果,编制专项工艺在合格供方范围内进行材料采购1、严格按规格型号定尺采购2、严格按技术标准采购3、材料出厂标识清楚,与出厂质量证明文件内容严格相符原材料检验,按质量计划执行阶段:制造准备(ZB)工艺设备负责部门营销部技术部技术部营销部质检部塔筒(基础)制造工艺第页1阶段:数控下料(GY-01)工艺编号GY-01-1GY-01-2工艺内容原材料切割前准备1、根据生产进程确定要切割的筒节2、根据筒节编号对照下料尺寸图纸,确定要切割的原材料尺寸3、根据此尺寸,查找要切割的板材,校核该板材尺寸及厚度是否与板材明细和下料切割尺寸相符4、确认无误后用行车进行吊板将其吊运到平台(吊运过程前确保挂钩牢固、吊运过程中要谨慎慢行,避免与其它物件相碰撞,切要注意安全)5、板材吊运到平台上空时,在下落前先将板材停稳避免晃动,而后慢慢下落,避免板材边角与平台支撑板相瓜葛。且下落后要尽量让板材两端与导轨距离相近,以便切割前的校板6、板材放置完毕后,消除上面的灰尘及其它杂质7、确保每天切割前对机床的保养,包括导轨的润滑、油污的清理,以及枪头的校检等。板材的切割1、切割前先找好切割起点,机床预演一遍,看板材是否放置正确、程序运行是否正确。以及喷嘴是否通畅,气体成分组成对应该厚度板材是否最佳。2、根据预演结果做出相应调整,预热相应时间后开始切割3、切割一定距离后,用手把将起点与原始板材连接处切开,且操作过程中勿对板材造成损坏4、切割程序运行中要及时将废料成段切除,切割长度视实际情况而定,且操作过程中勿对板材造成损坏5、板材切割过程中应尽量避免板上站人及其它可能引起板材颤动的因素6、切割过程中,严禁无人看守机床7、切割完毕后,如有板材与原始板相连接的应及时处理,且操作过程中勿对板材造成损坏8、切割完毕后,将废料有序清理,集中堆放工艺设备负责部门数控火焰切割机行车吊具火焰切割手把盘尺米尺钢印铁锤焊缝量规下料班组塔筒(基础)制造工艺第2页阶段:数控下料(GY-01)工艺编号GY-01-3GY-01-4GY-01-5工艺内容尺寸的检验1、用盘尺分别测量大弦、小弦误差±22、用盘尺分别测量两对角线误差±23、宽度误差±14、测量板材边缘的切割的垂直度90±2°钢印的标识1、标识用的钢印必须为无应力钢印,高度最小10mm2、编号正确、清晰,标识内容详见标识工艺工艺设备负责部门数控火焰切割机行车吊具火焰切割手把盘尺米尺钢印铁锤焊缝量规下料班组TZ17-07ID-塔段-塔节号δ=xx(板材厚度)QXXX(材质号)xxxxxxxxxx(钢板炉批号)ID——表示塔架序列号1、2、3……20塔段——从下到上S1、S2、S3、T塔节号——表示该塔段第几节钢板1、2、3……n经检验合格,填制工艺流程卡后,产品方可进入下一道工序塔筒(基础)制造工艺第3页阶段:坡口打磨(GY-02)工艺编号GY-02-1GY-02-2GY-02-3GY-02-4工艺内容打磨前准备1、上板、落架要平稳2、打磨前要佩戴眼镜板材打磨1、坡口形式严格按照“坡口工艺图执行”检查项目1、钝边允差(0~1)2、破口角度允差±1°3、板材四周上下200mm范围内无氧化皮、焊点、毛刺、飞溅、油污等缺陷2、打磨处要完全露出金属光泽经检验合格,填制工艺流程卡后,产品方可进入下一道工序工艺设备半自动仿形切割机刚盘尺焊缝量规负责部门下料班组塔筒(基础)制造工艺工艺编号工艺内容第4页阶段:筒体卷制(GY-03)工艺设备负责部门GY-03-1GY-03-2GY-03-3GY-03-4筒体卷制前准备1、卷制前核实板材标识编号与计划卷制编号相符2、确定弧板样板尺寸无误3、确认板材正反面,注意坡口所在面(特别是基础筒体板)筒体的卷制1、根据筒体直径要求调节卷板机参数2、将钢板吊起至卷板机进料处3、进行压头、卷板工序4、采用弧板样板,在距端口200mm处检验圆度,每种筒节2件弧度样板(大口、小口)5、纵焊缝调至进料侧辊上,并使...

1、当您付费下载文档后,您只拥有了使用权限,并不意味着购买了版权,文档只能用于自身使用,不得用于其他商业用途(如 [转卖]进行直接盈利或[编辑后售卖]进行间接盈利)。
2、本站所有内容均由合作方或网友上传,本站不对文档的完整性、权威性及其观点立场正确性做任何保证或承诺!文档内容仅供研究参考,付费前请自行鉴别。
3、如文档内容存在违规,或者侵犯商业秘密、侵犯著作权等,请点击“违规举报”。

碎片内容

风电塔筒项目制作工艺及检验标准

爱的疯狂+ 关注
实名认证
内容提供者

该用户很懒,什么也没介绍

确认删除?
VIP
微信客服
  • 扫码咨询
会员Q群
  • 会员专属群点击这里加入QQ群
客服邮箱
回到顶部