电脑桌面
添加小米粒文库到电脑桌面
安装后可以在桌面快捷访问

基本运算器实验报告VIP免费

基本运算器实验报告_第1页
1/4
基本运算器实验报告_第2页
2/4
基本运算器实验报告_第3页
3/4
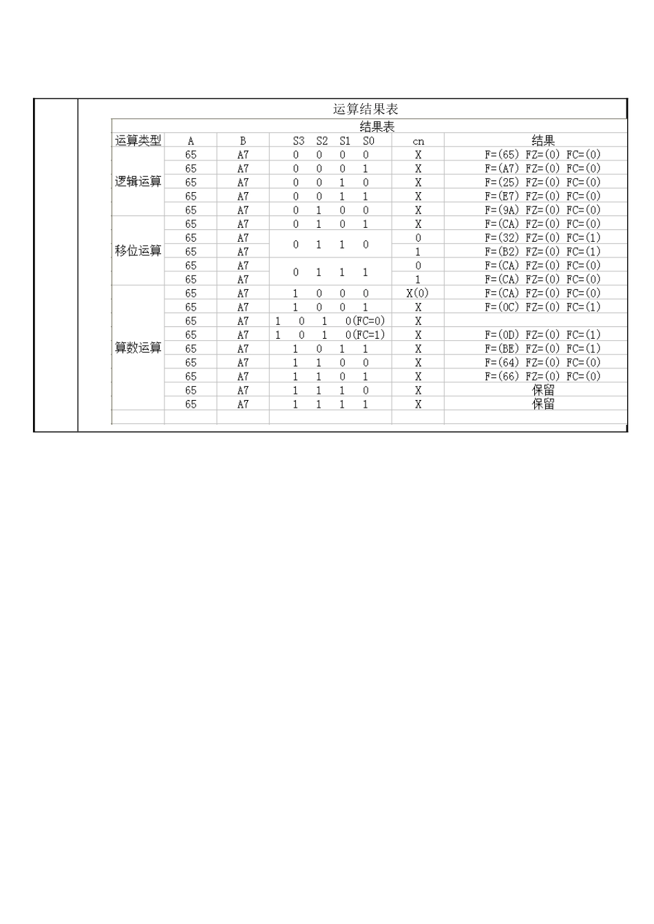
四川大学计算机学院、软件学院实验报告学号:1143041061姓名:高浩宇专业:计算机科学与技术班级:4第:11周课程名称计算机组成原理实验课时2实验项目基本运算器实验实验时间2013-11-18实验目的1.了解运算器的组成结构。2.掌握运算器的工作原理。实验环境TDN-CM++计算机组成原理教学实验系统一台,排线若干实验内容(算法、程序、步骤和方法)1.实验原理:两片74LS181芯片以并/串形式构成的8位字长的运算器。右方为低4位运算芯片,左方为高4位运算芯片。低位芯片的进位输出端Cn+4与高位芯片的进位输入端Cn相连,使低4位运算产生的进位送进高4位。低位芯片的进位输入端Cn可与外来进位相连,高位芯片的进位输出到外部。两个芯片的控制端S0~S3和M各自相连,其控制电平按表2.6-1。为进行双操作数运算,运算器的两个数据输入端分别由两个数据暂存器DR1、DR2(用锁存器74LS273实现)来锁存数据。要将内总线上的数据锁存到DR1或DR2中,则锁存器74LS273的控制端LDDR1或LDDR2须为高电平。当T4脉冲来到的时候,总线上的数据就被锁存进DR1或DR2中了。为控制运算器向内总线上输出运算结果,在其输出端连接了一个三态门(用74LS245实现)。若要将运算结果输出到总线上,则要将三态门74LS245的控制端ALU-B置低电平。否则输出高阻态。数据输入单元(实验板上印有INPUTDEVICE)用以给出参与运算的数据。其中,输入开关经过一个三态门(74LS245)和内总线相连,该三态门的控制信号为SW-B,取低电平时,开关上的数据则通过三态门而送入内总线中。总线数据显示灯(在BUSUNIT单元中)已与内总线相连,用来显示内总线上的数据。控制信号中除T4为脉冲信号,其它均为电平信号。由于实验电路中的时序信号均已连至“W/RUNIT”单元中的相应时序信号引出端,因此,需要将“W/RUNIT”单元中的T4接至“STATEUNIT”单元中的微动开关KK2的输出端。在进行实验时,按动微动开关,即可获得实验所需的单脉冲。S3、S2、S1、S0、Cn、M、LDDR1、LDDR2、ALU-B、SW-B各电平控制信号则使用“SWITCHUNIT”单元中的二进制数据开关来模拟,其中Cn、ALU-B、SW-B为低电平有效,LDDR1、LDDR2为高电平有效。对于单总线数据通路,作实验时就要分时控制总线,即当向DR1、DR2工作暂存器打入数据时,数据开关三态门打开,这时应保证运算器输出三态门关闭;同样,当运算器输出结果至总线时也应保证数据输入三态门是在关闭状态。运算结果表(接上)实验内容(算法、程序、步骤和方法)2.实验步骤:1.连接实验电路并检查无误。图中将用户需要连接的信号线用小圆圈标明(其它实验相同,不再说明)。2.KK2设置为单拍,KK1和KK3为运行。3.开电源开关。4.用输入开关向暂存器DR1置数。①拨动输入开关形成二进制数01100101(或其它数值)。(数据显示灯亮为0,灭为1)。②使SWITCHUNIT单元中的开关SW-B=0(打开数据输入三态门)、ALU-B=1(关闭ALU输出三态门)、LDDR1=1、LDDR2=0。③按动微动开关KK2,则将二进制数01100101置入DR1中。5.用输入开关向暂存器DR2置数。①拨动输入开关形成二进制数10100111(或其它数值)。②SW-B=0、ALU-B=1保持不变,改变LDDR1、LDDR2,使LDDR1=0、LDDR2=1。③按动微动开关KK2,则将二进制数10100111置入DR2中。6.该变运算器的功能设置观察输出。并将结果填入表中。结论(结果)根据实验步骤,一步一步操作,在DR1=65,DR2=A7的条件下,改变运算器的设置,使得运算器输出结果,并记录下来。运算器显示结果和手算结果一直,说明整个实验非常成功。小结通过本次实验了解运算器的组成结构(即输入逻辑、输出逻辑、算术逻辑单元),掌握运算器的工作原理(主要是加法器)。知道运算器的输出跟数据总线相连,同时两个输入端通过两个锁存器也与数据总线相连。同时,数据显示灯连接上数据总线,用来显示数据总线的内容。暂存器的作用也体现了出来(暂存中间结果),教材上的数据通路结构在此更是体现到了,各部件之间的信息传送通过内总线来完成。三态门的功能以及工作原理也比较清晰了。将这些知识组织起来,并亲手实践,在实践过程中,连线比较枯燥,刚开始连错了,造成重大失误,后来纠正后,一次成功,这也说明...

1、当您付费下载文档后,您只拥有了使用权限,并不意味着购买了版权,文档只能用于自身使用,不得用于其他商业用途(如 [转卖]进行直接盈利或[编辑后售卖]进行间接盈利)。
2、本站所有内容均由合作方或网友上传,本站不对文档的完整性、权威性及其观点立场正确性做任何保证或承诺!文档内容仅供研究参考,付费前请自行鉴别。
3、如文档内容存在违规,或者侵犯商业秘密、侵犯著作权等,请点击“违规举报”。

碎片内容

基本运算器实验报告

文章天下+ 关注
实名认证
内容提供者

各种文档应有尽有

确认删除?
VIP
微信客服
  • 扫码咨询
会员Q群
  • 会员专属群点击这里加入QQ群
客服邮箱
回到顶部