电脑桌面
添加小米粒文库到电脑桌面
安装后可以在桌面快捷访问

集中采购管理实施细则表单VIP免费

集中采购管理实施细则表单_第1页
1/19
集中采购管理实施细则表单_第2页
2/19
集中采购管理实施细则表单_第3页
3/19
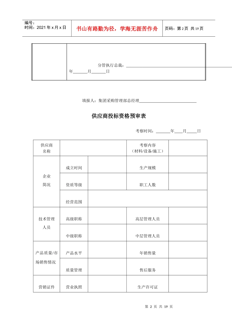
第1页共19页编号:时间:2021年x月x日书山有路勤为径,学海无涯苦作舟页码:第1页共19页集中采购工作审批表填报时间:年月日采购名称涉及地区大致数量CSO2指标招标工作计划完成招标文件时间:年月日发出招标文件时间:年月日投标截止时间:年月日时开标评标:年月日至年月日其它:招标领导小组(建议成员)集团采购管理部集团产品技术管理部集团财务管理部集团工程管理部集团律师评标委员会(建议成员)技术评标组商务评标组审查批准第2页共19页第1页共19页编号:时间:2021年x月x日书山有路勤为径,学海无涯苦作舟页码:第2页共19页分管执行总裁:年月日填报人:集团采购管理部总经理供应商投标资格预审表考察时间:年月日供应商名称考察内容(材料/设备/施工)企业简况成立时间生产规模资质等级职工人数经营范围技术管理人员高级职称高层管理人员中级职称中层管理人员产品质量/市场销售情况产品水平年销售量质量管理售后服务营销证件营业执照生产许可证第3页共19页第2页共19页编号:时间:2021年x月x日书山有路勤为径,学海无涯苦作舟页码:第3页共19页情况产品准销证产品鉴定证信誉状况合作信誉银行资信附:近三年(含目前)所承建项目清单:承包商名称建设单位项目名称产品类型建筑规模合同价款质量达标投标单位资格预审汇总表填报时间:年月日部品名称涉及地区大致数量CSO2指标响应招标单位名单单位名称资质等级注册资金所在地区其它资格预审建议以下单位参加投标:第4页共19页第3页共19页编号:时间:2021年x月x日书山有路勤为径,学海无涯苦作舟页码:第4页共19页意见主办人:年月日集团采购管理部总经理审批采购管理部总经理:年月日附:《资格预审报告》集中采购需求一览表地区项目年度部品名称:门窗项目简介:附电子文档CS02考核标杆:万元序号类型技术标准(规格/要求)数量要求合同签订时间要求产品进场时间其它说明(CS02单价)1门(铝合金/塑钢)推拉2平开3地弹第5页共19页第4页共19页编号:时间:2021年x月x日书山有路勤为径,学海无涯苦作舟页码:第5页共19页4窗(铝合金/塑钢)固定5推拉6平开78910地区总经理:产品技术部总经理:项目工程部高经:填表人:日期:集中采购需求一览表地区项目年度部品名称:电梯项目简介:附电子文档CS02考核标杆:万元序号类型技术标准(规格/要求)数量要求合同签订时间要求产品进场时间其它说明(CS02单价)第6页共19页第5页共19页编号:时间:2021年x月x日书山有路勤为径,学海无涯苦作舟页码:第6页共19页1电梯2345678910地区总经理:产品技术部总经理:项目工程部高经:填表人:日期:集中采购需求一览表地区项目年度部品名称:外墙材料项目简介:附电子文第7页共19页第6页共19页编号:时间:2021年x月x日书山有路勤为径,学海无涯苦作舟页码:第7页共19页档CS02考核标杆:万元序号类型技术标准(规格/要求)数量要求合同签订时间要求产品进场时间其它说明(CS02单价)1涂料颜色硅丙类2弹性类(中弹、高弹)3丙烯酸类4质感类5面砖颜色三色砖6仿石砖7屋面瓦颜色沥青瓦8陶瓦910地区总经理:产品技术部总经理:项目工程部高经:填表人:日期:集中采购需求一览表第8页共19页第7页共19页编号:时间:2021年x月x日书山有路勤为径,学海无涯苦作舟页码:第8页共19页地区项目年度部品名称:门业项目简介:附电子文档CS02考核标杆:万元序号类型技术标准(规格/要求)数量要求合同签订时间要求产品进场时间其它说明(CS02单价)1钢质进户门进户门2钢木门3钢质防火门甲级4乙级5防盗安全门6钢质防火、防盗门7车库门遥控车库门8910地区总经理:产品技术部总经理:项目工程部高经:填表人:第9页共19页第8页共19页编号:时间:2021年x月x日书山有路勤为径,学海无涯苦作舟页码:第9页共19页日期:集中采购需求一览表地区项目年度部品名称:开关及插座项目简介:附电子文档CS02考核标杆:万元序号类型技术标准(规格/要求)数量要求合同签订时间要求产品进场时间其它说明(CS02单价)1开关23456插座78910地区总经理:第10页共19页第9页共19页编号:时间:2021年x月x日书山有路勤为径,学海无涯苦作舟页码:第10页共19页产品技术部总经理:...

1、当您付费下载文档后,您只拥有了使用权限,并不意味着购买了版权,文档只能用于自身使用,不得用于其他商业用途(如 [转卖]进行直接盈利或[编辑后售卖]进行间接盈利)。
2、本站所有内容均由合作方或网友上传,本站不对文档的完整性、权威性及其观点立场正确性做任何保证或承诺!文档内容仅供研究参考,付费前请自行鉴别。
3、如文档内容存在违规,或者侵犯商业秘密、侵犯著作权等,请点击“违规举报”。

碎片内容

集中采购管理实施细则表单

确认删除?
VIP
微信客服
  • 扫码咨询
会员Q群
  • 会员专属群点击这里加入QQ群
客服邮箱
回到顶部