电脑桌面
添加小米粒文库到电脑桌面
安装后可以在桌面快捷访问

安全检查验收全套表格_2VIP专享VIP免费

安全检查验收全套表格_2_第1页
1/51
安全检查验收全套表格_2_第2页
2/51
安全检查验收全套表格_2_第3页
3/51
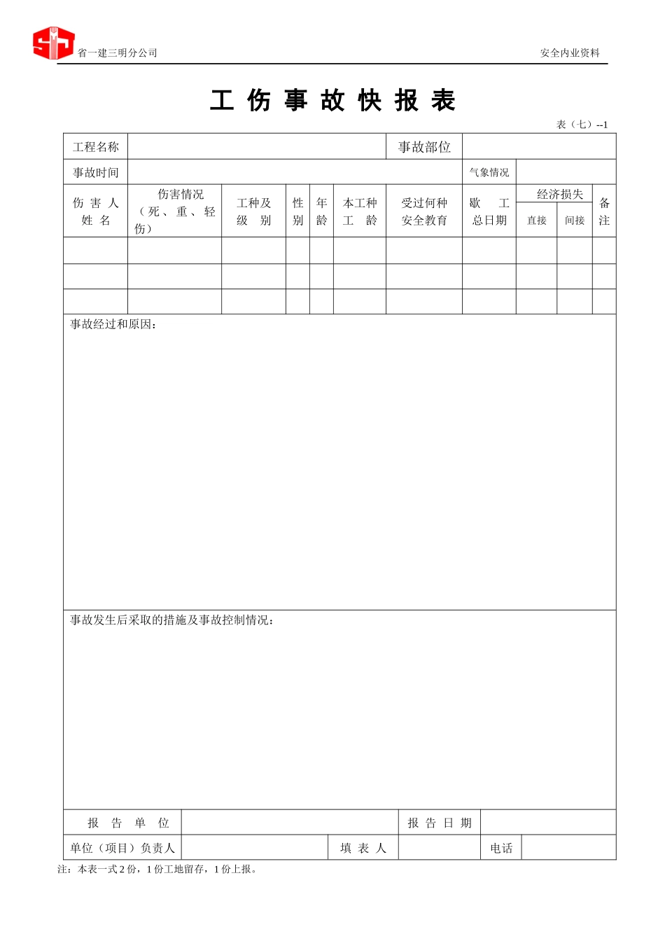
省一建三明分公司安全内业资料施工现场安全标志牌一览表工程名称:表(八)序号安全标志牌名称数量挂设位置备注项目负责人:填表人:填表时间:省一建三明分公司安全内业资料工伤事故月报表2009年2月表(七)--2单位(项目)名称(盖章):学院南区学生公寓楼项目部1、本月平均人数(人):268;其中:临时工(人):/;2、分包人员/(人):3、本月伤亡事故件数:/;其中:死亡事故(件):/;重伤事故(件):/;轻伤事故(件):4、本月伤亡人数(人):/;其中:死亡人数(人):/;重伤人数(人):/;轻伤人数(人):5、本月伤亡事故情况:姓名性别工种级别年龄事故发生时间工程名称伤害程度伤害部位经济损失(元)损失工日(元)用工形式本月无安全事故6、本月伤亡事故直接经济损失总计(元):/;本月伤亡事故损失工日总计/(日):7、本企业职工以外人员伤亡情况:死亡/(人):;重伤/(人):;轻伤/(人):注:本表一式2份,1份工地留存,1份上报。单位(项目)负责人:填表人:张森建填报日期:2009年2月26日省一建三明分公司安全内业资料工伤事故快报表表(七)--1工程名称事故部位事故时间气象情况伤害人姓名伤害情况(死、重、轻伤)工种及级别性别年龄本工种工龄受过何种安全教育歇工总日期经济损失备注直接间接事故经过和原因:事故发生后采取的措施及事故控制情况:报告单位报告日期单位(项目)负责人填表人电话注:本表一式2份,1份工地留存,1份上报。省一建三明分公司安全内业资料特种作业人员持证上岗花名册工程名称:表(六)序号姓名性别出生年月工种发证单位证件号码发证日期复审日期进场日期退场日期12345678910111213141516171819202122232425注:应附操作证书复印件。项目负责人:填表人:填表日期:第5页共51页编号:时间:2021年x月x日书山有路勤为径,学海无涯苦作舟页码:第5页共51页班组班前安全活动记录表工程名称:表(五)班组名称参加人数作业部位工作内容安全措施及注意事项班组长签字记录人活动日期工程名称:班组名称参加人数作业部位工作内容安全措施及注意事项班组长签字记录人活动日期第6页共51页第5页共51页编号:时间:2021年x月x日书山有路勤为径,学海无涯苦作舟页码:第6页共51页变换工种工人安全教育登记表表(四)--3工程名称原工种变换工种人数安全教育内容:教育人签名受教育者签名教育日期注:特种作业人员变换工种须经有关部门重新培训考核发证。第6页共51页第7页共51页编号:时间:2021年x月x日书山有路勤为径,学海无涯苦作舟页码:第7页共51页三级安全教育登记卡工程名称:表(四)---2姓名性别文化程度工种身份证号码进场日期退场日期家庭地址考试成绩三级安全教育内容公司教育教育人签名受教育人签名教育时间项目部教育教育人签名受教育人签名教育时间班组教育教育人签名受教育人签名教育时间注:本卡一式3份,公司、项目部、班组各1份。第8页共51页第7页共51页编号:时间:2021年x月x日书山有路勤为径,学海无涯苦作舟页码:第8页共51页安全教育登记表表(四)---1工程名称教育类别主讲部门主讲人教育日期受教育部门(人员)参加人数教育内容:部门(项目)负责人记录人第9页共51页第8页共51页编号:时间:2021年x月x日书山有路勤为径,学海无涯苦作舟页码:第9页共51页事故隐患整改反馈报告单第号表(三)---3:你单位签发的第号《事故隐患整改通知书》中提出的隐患和问题,我们按照规范、规定要求进行了整改,现将整改情况报告如下:报告单位(盖章):单位(项目)负责人:年月日复查情况:复查人:复查单位(盖章):年月日本报告单应在规定时间内反馈给检查单位,经检查单位派人复查认定隐患已消除后方为结束。注:本报告单一式2份,报告单位、复查单位各1份。第10页共51页第9页共51页编号:时间:2021年x月x日书山有路勤为径,学海无涯苦作舟页码:第10页共51页安全检查记录表表(三)---1工程名称检查单位检查人员记录人检查日期检查记录:检查评价:第11页共51页第10页共51页编号:时间:2021年x月x日书山有路勤为径,学海无涯苦作舟页码:第11页共51页安全技术交底表(二)工程名称施工部位或层次施工内...

1、当您付费下载文档后,您只拥有了使用权限,并不意味着购买了版权,文档只能用于自身使用,不得用于其他商业用途(如 [转卖]进行直接盈利或[编辑后售卖]进行间接盈利)。
2、本站所有内容均由合作方或网友上传,本站不对文档的完整性、权威性及其观点立场正确性做任何保证或承诺!文档内容仅供研究参考,付费前请自行鉴别。
3、如文档内容存在违规,或者侵犯商业秘密、侵犯著作权等,请点击“违规举报”。

碎片内容

安全检查验收全套表格_2

确认删除?
VIP
微信客服
  • 扫码咨询
会员Q群
  • 会员专属群点击这里加入QQ群
客服邮箱
回到顶部