电脑桌面
添加小米粒文库到电脑桌面
安装后可以在桌面快捷访问

广东省安全技术防范系统申报表VIP免费

广东省安全技术防范系统申报表_第1页
1/10
广东省安全技术防范系统申报表_第2页
2/10
广东省安全技术防范系统申报表_第3页
3/10
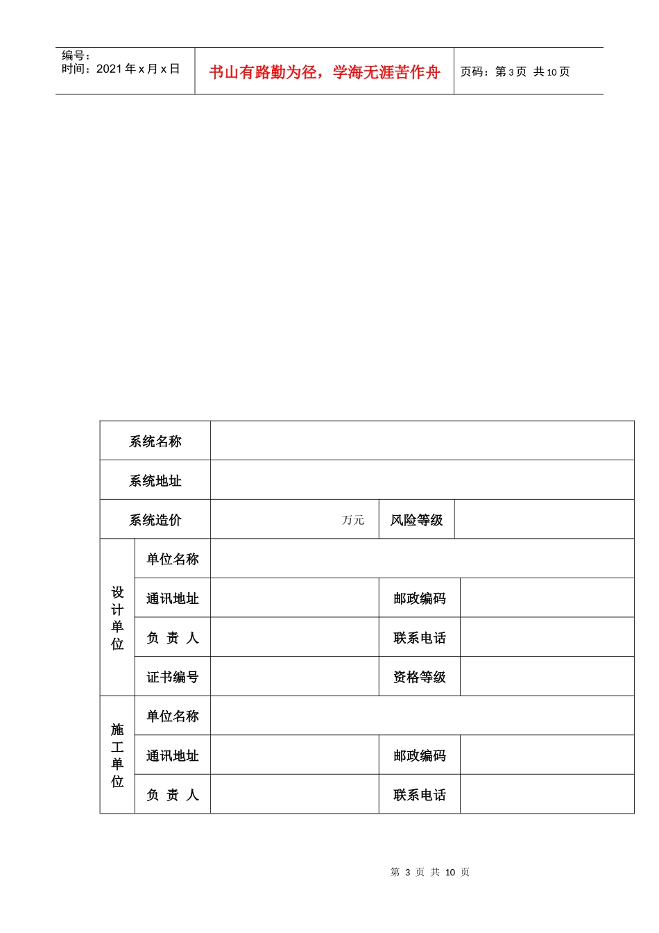
第1页共10页编号:时间:2021年x月x日书山有路勤为径,学海无涯苦作舟页码:第1页共10页广东省安全技术防范系统申报表申报单位:(盖章)办公地址:邮政编码:法人代表:(盖章)联系电话:联系人:联系手机:填报日期:受理编号:第2页共10页第1页共10页编号:时间:2021年x月x日书山有路勤为径,学海无涯苦作舟页码:第2页共10页广东省公安厅安全技术防范管理办公室制填写说明一、此表一式两份,由申报单位如实填写,内容要真实完整,字迹要清楚,表内各项如填写不下,可另加附页(A4纸规格)。二、部分栏目填写说明:(一)“系统编号”及“受理编号”由技防管理部门填写。(二)证书编号指企业所领取的《广东省安全技术防范系统设计、施工、维修资格证》编号。三、申报单位在报审系统项目时,应附以下材料(均用A4纸规格):(一)《广东省安全技术防范系统申报表》一式两份;(二)系统建设单位委托书或合同书复印件;(三)系统设计方案(系统规模、技术方案和系统组成);(四)选用器材设备的种类、型号、数量;(五)器材设备布置平面图、器材设备监控中心布置图、系统各部分联线图,管线敷设图;(六)系统费用预算报告;(七)系统周边环境及建筑图。四、填写内容不完整,申报材料不齐全或有弄虚作假行为的,不予审理。第3页共10页第2页共10页编号:时间:2021年x月x日书山有路勤为径,学海无涯苦作舟页码:第3页共10页系统名称系统地址系统造价万元风险等级设计单位单位名称通讯地址邮政编码负责人联系电话证书编号资格等级施工单位单位名称通讯地址邮政编码负责人联系电话第4页共10页第3页共10页编号:时间:2021年x月x日书山有路勤为径,学海无涯苦作舟页码:第4页共10页证书编号资格等级建设单位单位名称通讯地址邮政编码负责人联系电话意见系统概况公安技防管理部门初审意见(盖章)年月日第5页共10页第4页共10页编号:时间:2021年x月x日书山有路勤为径,学海无涯苦作舟页码:第5页共10页复核意见(盖章)年月日备注示范文本:广东省安全技术防范系统申报表申报单位:惠州市XXX有限公司(盖章)办公地址:惠州市下埔南街XX号二楼邮政编码:516000法人代表:张三(盖章)联系电话:0752-第6页共10页第5页共10页编号:时间:2021年x月x日书山有路勤为径,学海无涯苦作舟页码:第6页共10页XXXXXXX联系人:李四联系手机:1380966XXXXX填报日期:2004年04月18日受理编号:广东省公安厅安全技术防范管理办公室制填写说明一、此表一式两份,由申报单位如实填写,内容要真实完整,字迹要清楚,表内各项如填写不下,可另加附页(A4纸规格)。第7页共10页第6页共10页编号:时间:2021年x月x日书山有路勤为径,学海无涯苦作舟页码:第7页共10页二、部分栏目填写说明:(一)“系统编号”及“受理编号”由技防管理部门填写。(二)证书编号指企业所领取的《广东省安全技术防范系统设计、施工、维修资格证》编号。三、申报单位在报审系统项目时,应附以下材料(均用A4纸规格):(一)《广东省安全技术防范系统申报表》一式两份;(二)系统建设单位委托书或合同书复印件;(三)系统设计方案(系统规模、技术方案和系统组成);(四)选用器材设备的种类、型号、数量;(五)器材设备布置平面图、器材设备监控中心布置图、系统各部分联线图,管线敷设图;(六)系统费用预算报告;(七)系统周边环境及建筑图。四、填写内容不完整,申报材料不齐全或有弄虚作假行为的,不予审理。第8页共10页第7页共10页编号:时间:2021年x月x日书山有路勤为径,学海无涯苦作舟页码:第8页共10页系统名称惠州市河南岸XX小区智能楼宇对讲联网综合系统系统地址惠州市河南岸演达路XX号XX小区系统造价36万元风险等级三级设计单位单位名称惠州市XXX有限公司通讯地址惠州市下埔南街XX号二楼邮政编码516000负责人张三联系电话0752-XXXXXXX证书编号粤GLXXX号资格等级三级施工单位单位名称惠州市XXX有限公司通讯地址惠州市下埔南街XX号二楼邮政编码516000负责人张三联系电话0752-XXXXXXX证书编号粤GLXXX号资格等级三级建设单位单位名称惠州市XXX房地产开发有限公司通讯地址惠州市麦地路XX号邮政编码5160...

1、当您付费下载文档后,您只拥有了使用权限,并不意味着购买了版权,文档只能用于自身使用,不得用于其他商业用途(如 [转卖]进行直接盈利或[编辑后售卖]进行间接盈利)。
2、本站所有内容均由合作方或网友上传,本站不对文档的完整性、权威性及其观点立场正确性做任何保证或承诺!文档内容仅供研究参考,付费前请自行鉴别。
3、如文档内容存在违规,或者侵犯商业秘密、侵犯著作权等,请点击“违规举报”。

碎片内容

广东省安全技术防范系统申报表

精品中小学文档+ 关注
实名认证
内容提供者

精品资料,值得下载

确认删除?
VIP
微信客服
  • 扫码咨询
会员Q群
  • 会员专属群点击这里加入QQ群
客服邮箱
回到顶部