电脑桌面
添加小米粒文库到电脑桌面
安装后可以在桌面快捷访问

汽机安装资料验收表格大全VIP免费

汽机安装资料验收表格大全_第1页
1/74
汽机安装资料验收表格大全_第2页
2/74
汽机安装资料验收表格大全_第3页
3/74
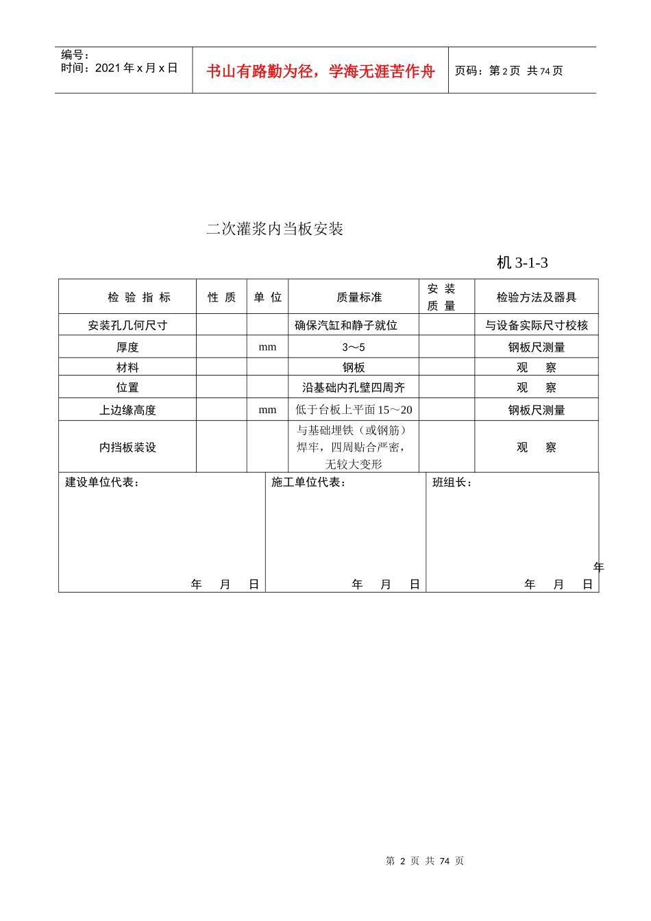
第0页共74页编号:时间:2021年x月x日书山有路勤为径,学海无涯苦作舟页码:第0页共74页分段工程质量检验评定表分段工程名称:基础检查与几何尺寸校核性质:主要第1页,共1页检验指标性质单位质量标准安装质量检验方法及器具基础外观检查表面平整,无裂纹,孔洞峰窝、麻面和露筋表面平整,无裂纹,孔洞峰窝、麻面和露筋观察基础纵向中心线与凝汽器横向中心线垂直度偏差主要mm/m<2等腰三角形法检查,钢卷尺测量mm总偏差值<5基础纵向中心线与发电机基础座的横向中心线垂直度偏差主要mm/m<2mm总偏差值<5承力面标高偏差mm应符合设计图纸要求±10以标高基准线为准,水准仪测量地埋脚螺栓孔外观检查地脚螺栓孔内,清理干净地脚螺栓孔内,清理干净观察螺栓孔中心与基础中心线偏差主要mm<10或<0.1d以基础纵横中心线为准钢卷尺测量螺栓孔壁垂直度偏差mm<L/200且<10吊线锤用钢板尺测量预埋地脚螺栓螺栓中心与基础纵横中心线偏差mm应符合图纸要求,且<2以基础纵横中心线为准钢卷尺测量螺栓标高偏差mm0~3以基准线为准,水准仪测量垂直度偏差mm≤L/450预留孔洞及沟边尺寸复核符合设计和设备的实际装需要符合设计和设备的实际装需要准钢卷尺测量基础与厂房及有关运转平台的隔震缝隙应清理干净,无杂物清理干净,无杂物观察基础沉降观测符合《规范》汽机篇第2.2.2条和第2.2.3条规定符合要求水准仪测量,与原始记录对照建设单位代表:施工单位代表:施工班组长:第1页共74页第0页共74页编号:时间:2021年x月x日书山有路勤为径,学海无涯苦作舟页码:第1页共74页年月日年月日年月日分段工程质量检验评定表分段工程名称:基础承立面凿毛性质:一般第1页,共1页检验指标性质单位质量标准安装质量检验方法及器具基础清理干净,无油漆,无污垢,油污无油漆,无污垢观察垫铁布置符合制造厂规定无设计要求是按《规范》汽机片2.3.3条规定符合要求凿毛时基础强度%>70设计强度符合要求强度试验凿毛深度凿去表面灰浆层露出混凝土层符合要求观察凿平尺寸mm超出垫铁边缘10~30符合要求钢板尺测量垫铁与混凝土接触接触密实,四角无翘动符合要求涂色观察,手试垫铁水平度水泡居中符合要求水平尺纵横方向检查安放调整小千斤或临时垫铁的部位应平整、无坑凹符合要求观察建设单位代表:年月日施工单位代表:年月日班组长:年年月日第2页共74页第1页共74页编号:时间:2021年x月x日书山有路勤为径,学海无涯苦作舟页码:第2页共74页二次灌浆内当板安装机3-1-3检验指标性质单位质量标准安装质量检验方法及器具安装孔几何尺寸确保汽缸和静子就位与设备实际尺寸校核厚度mm3~5钢板尺测量材料钢板观察位置沿基础内孔壁四周齐观察上边缘高度mm低于台板上平面15~20钢板尺测量内挡板装设与基础埋铁(或钢筋)焊牢,四周贴合严密,无较大变形观察建设单位代表:年月日施工单位代表:年月日班组长:年年月日第3页共74页第2页共74页编号:时间:2021年x月x日书山有路勤为径,学海无涯苦作舟页码:第3页共74页分段工程质量检验评定表分段工程名称:基础地脚螺栓检查性质:主要第1页,共1页检验指标性质单位质量标准安装质量检验方法及器具外观无油漆、污垢观察螺栓与螺母配合灵活、无卡涩手感检查螺栓长度、直径应符合设计要求钢卷尺检查地脚螺栓螺栓在螺栓孔内或螺栓套管内四周间隙mm>5钢卷尺检查螺栓拧紧后露出2~3扣观察托板与基础混凝土面接触托板平整无倾斜、接触密实,垫板下螺母应点焊或锁紧观察合金钢地脚螺栓材质符合制照厂规定光谱检查建设单位代表:年月日施工单位代表:年月日班组长:年年月日第4页共74页第3页共74页编号:时间:2021年x月x日书山有路勤为径,学海无涯苦作舟页码:第4页共74页分段工程质量检验评定表分段工程名称:垫铁配置性质:一般第1页,共1页检验指标性质单位质量标准安装质量检验方法及器具垫铁材质钢板或可焊铸铁观察长宽尺寸mm符合制造厂规定外观平整,无毛刺和卷边,四周边缘应有45°倒角观察薄边厚度mm>10钢板尺测量斜度1/10~1/25测量计算加工粗糙度6.3▽观察外侧边缘棱角(°)上下倒角45°×2观察建设单位代表:年月日施工单位代表:年月日班组长:年年月日第5页共74页第...

1、当您付费下载文档后,您只拥有了使用权限,并不意味着购买了版权,文档只能用于自身使用,不得用于其他商业用途(如 [转卖]进行直接盈利或[编辑后售卖]进行间接盈利)。
2、本站所有内容均由合作方或网友上传,本站不对文档的完整性、权威性及其观点立场正确性做任何保证或承诺!文档内容仅供研究参考,付费前请自行鉴别。
3、如文档内容存在违规,或者侵犯商业秘密、侵犯著作权等,请点击“违规举报”。

碎片内容

汽机安装资料验收表格大全

确认删除?
VIP
微信客服
  • 扫码咨询
会员Q群
  • 会员专属群点击这里加入QQ群
客服邮箱
回到顶部