电脑桌面
添加小米粒文库到电脑桌面
安装后可以在桌面快捷访问

散热片验收工作规范VIP免费

散热片验收工作规范_第1页
1/6
散热片验收工作规范_第2页
2/6
散热片验收工作规范_第3页
3/6
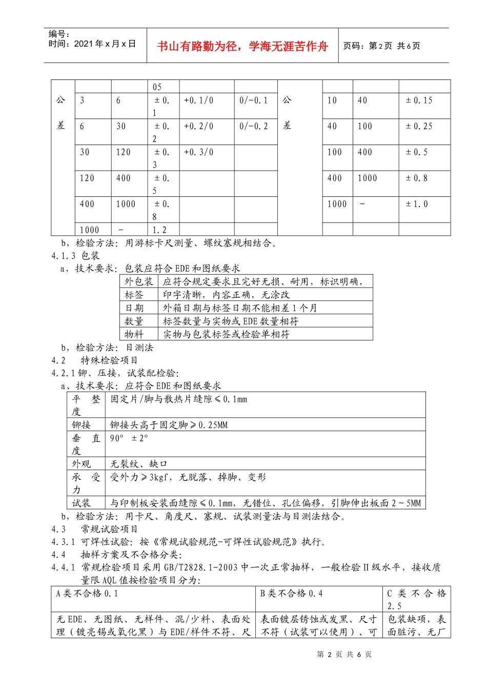
第1页共6页编号:时间:2021年x月x日书山有路勤为径,学海无涯苦作舟页码:第1页共6页散热片验收工作规范1.0目的为了确保上线使用的来料满足规定质量要求,杜绝不合格的来料上线使用;2.0适用范围普通小五金件-散热片的验收要求、项目、方法及抽样方案的规范。3.0职责3.1IQC检验员职责3.1.1负责对属于普通小五金件-散热片的检验试验项目任务,按照验收规范及检验流程进行随机抽样并实施检验试验,及时做好检验记录及标识,并保证其真实、准确;3.1.2负责按规定要求进行检验的物料返还以及适量保留不合格品;3.1.3负责按验收规范要求正确出具产品检验不合格报告;3.2IQC主管职责3.2.1负责对检验员所出具产品检验不合格报告和不合格品,按验收规范和EDE图纸、更改要求进行审核;4.0业务程序4.1常规检验项目4.1.1外观和标识a,技术要求:应符合EDE/样件所规定的要求标识清晰、正确、整洁、各厂家名及散热片号清晰(如:明科MK36,伟力士WLS36,长安CA36)表面处理镀亮锡、氧化黑外观平整不粗糙,无变形、脏污、脱漆、氧化、毛刺(孔径周边)、金属屑、裂纹、锈蚀、堵孔、孔位偏移铆、压接铆压良好,紧密,铆点对称,无偏移镀亮锡镀环保锡,镀层良好,均匀致密,镀层光泽,无发黑、氧化生锈材料AL铝、冷扎板、铁材质(板材或型材)固定片/脚镀锡铁材质,镀层光泽、均匀,无发黑、氧化生锈b,检验方法:目测法;4.1.2结构尺寸a,技术要求:结构尺寸应符合图纸或样件要求的误差范围,若未标公差的:固定脚的表面镀锡层:7~10微米。孔径/卡脚厚度/卡脚截面长宽材料厚度其它外形尺寸自攻螺孔尺寸卡脚/孔间距±0.05mm±0.1mm±0.3mm±0.05mm±0.3mm圆柱固定引脚长度固定片引脚长度压接间距铆接间距14.5±0.5mm22.5±0.5mm2.2±0.2mm4.2±0.5mm外形基本尺寸(MM)公差要求(MM)定位基本尺寸(MM)公差要求(MM)大于至长度通孔轴大于至-3±0.+0.05/00/-0.05-10±0.05第2页共6页第1页共6页编号:时间:2021年x月x日书山有路勤为径,学海无涯苦作舟页码:第2页共6页公差05公差36±0.1+0.1/00/-0.11040±0.15630±0.2+0.2/00/-0.240100±0.2530120±0.3+0.3/0100400±0.5120400±0.54001000±0.84001000±0.81000-±1.01000-1.2b,检验方法:用游标卡尺测量、螺纹塞规相结合。4.1.3包装a,技术要求:包装应符合EDE和图纸要求外包装应符合规定要求且完好无损、耐用,标识明确,标签印字清晰,内容正确,无涂改日期外箱日期与标签日期不能相差1个月数量标签数量与实物或EDE数量相符物料实物与包装标签或检验单相符b,检验方法:目测法4.2特殊检验项目4.2.1铆、压接,试装配检验:a、技术要求:应符合EDE和图纸要求平整度固定片/脚与散热片缝隙≤0.1mm铆接铆接头高于固定脚≥0.25MM垂直度90°±2°外观无裂纹、缺口承受力受外力≥3kgf,无脱落、掉脚、变形试装与印制板安装面缝隙≤0.1mm,无错位、孔位偏移,引脚伸出板面2~5MMb,检验方法:用卡尺、角度尺、塞规、试装测量法与目测法结合。4.3常规试验项目4.3.1可焊性试验:按《常规试验规范-可焊性试验规范》执行。4.4抽样方案及不合格分类:4.4.1常规检验项目采用GB/T2828.1-2003中一次正常抽样,一般检验Ⅱ级水平,接收质量限AQL值按检验项目分为:A类不合格0.1B类不合格0.4C类不合格2.5无EDE、无图纸、无样件、混/少料、表面处理(镀亮锡或氧化黑)与EDE/样件不符、尺表面镀层锈蚀或发黑、尺寸不符(试装可以使用)、可包装缺项,表面脏污、无厂第3页共6页第2页共6页编号:时间:2021年x月x日书山有路勤为径,学海无涯苦作舟页码:第3页共6页寸不符(试装不可以使用)、实物与检验单编号不符(来错料)、变形(无法使用)、可焊性不连续、孔径周边毛刺或金属屑、引脚脱落、高脚(与印制板安装面缝隙≥0.1mm)、垂直度不符(试装较紧)焊性不光滑、堵/少/多孔、检验单编号与实物编号不符(编号错)、受外力3kgf变形或脱落、垂直度不符(试装稍松)家名及散热片号、表面不平整粗糙、脱漆、裂纹放宽检验及加严检验:采用GB/T2828.1-2003中一次正常抽样,4.4.2特殊检验按自定抽样方案:放宽检验试验:无;特殊检验项目加严检验:抽样数提...

1、当您付费下载文档后,您只拥有了使用权限,并不意味着购买了版权,文档只能用于自身使用,不得用于其他商业用途(如 [转卖]进行直接盈利或[编辑后售卖]进行间接盈利)。
2、本站所有内容均由合作方或网友上传,本站不对文档的完整性、权威性及其观点立场正确性做任何保证或承诺!文档内容仅供研究参考,付费前请自行鉴别。
3、如文档内容存在违规,或者侵犯商业秘密、侵犯著作权等,请点击“违规举报”。

碎片内容

散热片验收工作规范

精品中小学文档+ 关注
实名认证
内容提供者

精品资料,值得下载

确认删除?
VIP
微信客服
  • 扫码咨询
会员Q群
  • 会员专属群点击这里加入QQ群
客服邮箱
回到顶部