电脑桌面
添加小米粒文库到电脑桌面
安装后可以在桌面快捷访问

上饶市加油站安全标准化评审标准VIP免费

上饶市加油站安全标准化评审标准_第1页
1/78
上饶市加油站安全标准化评审标准_第2页
2/78
上饶市加油站安全标准化评审标准_第3页
3/78
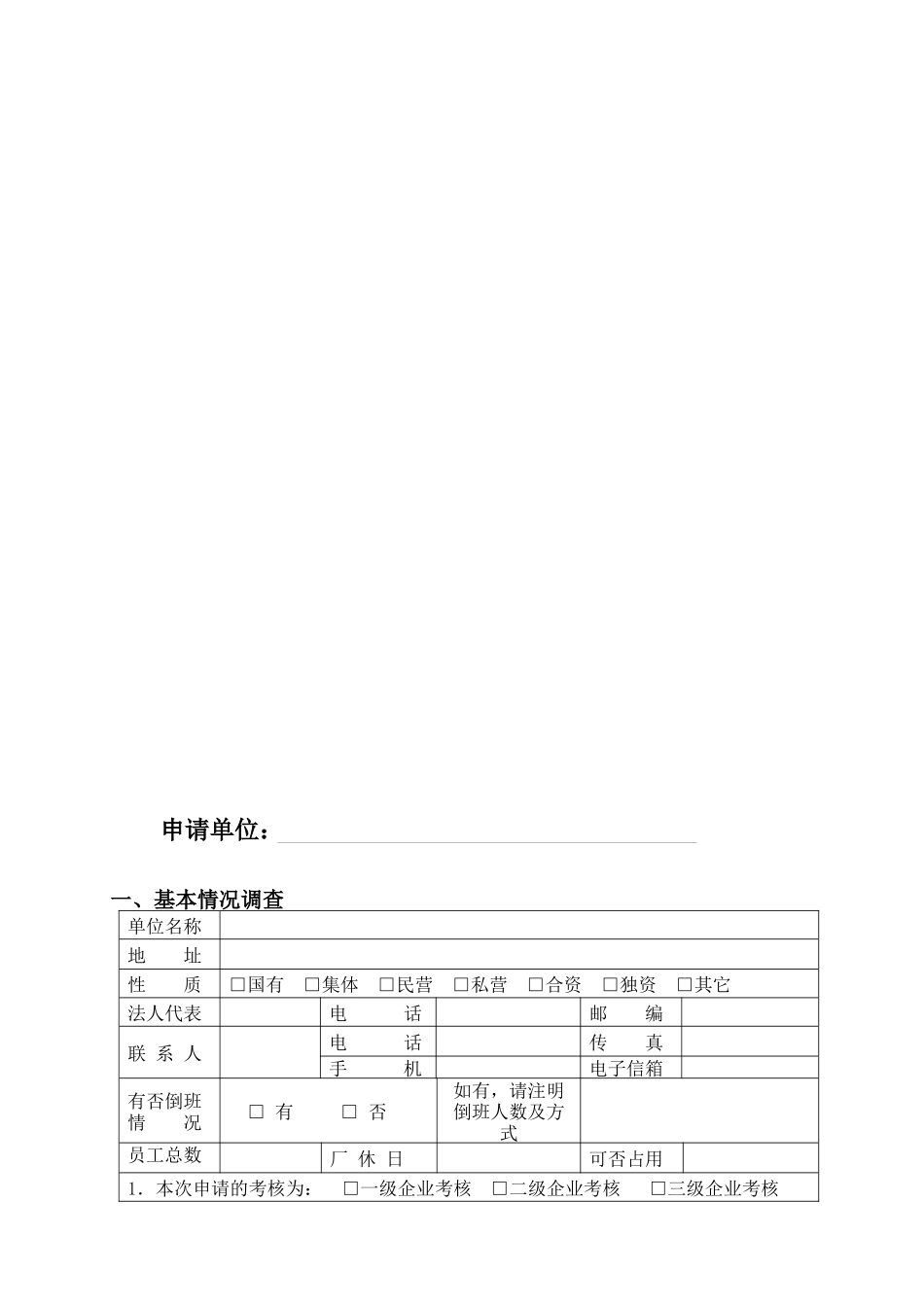
加油站安全标准化评审标准上饶市安全生产监督管理局二0一一年五月加油站安全标准化考核申请表申请单位:一、基本情况调查单位名称地址性质□国有□集体□民营□私营□合资□独资□其它法人代表电话邮编联系人电话传真手机电子信箱有否倒班情况□有□否如有,请注明倒班人数及方式员工总数厂休日可否占用1.本次申请的考核为:□一级企业考核□二级企业考核□三级企业考核2.如贵公司是某集团公司的成员,请注明其名称:3.是否已取得管理体系认证证书,如有请注明证书名称和发证机构:4.安全标准化牵头部门:5.现场考核时您希望使用何种语言?□汉语□英语□其它6.计划在什么时间考核?7.企业的相关负责人(经理/厂长、主管厂级领导、总工程师、安全标准化负责人)姓名职务姓名职务姓名职务8.申请方主要化学品名称、用途、数量:(此处不够可另附页)名称用途数量(Kg)属性9.如有分支机构或多个现场(包括临时现场),请填写如下内容名称地址联系人员工数电话/传真主要业务活动描述二、申请安全标准化达标考核尚需填写以下内容1.近一年发生死亡、重伤和职业病的情况:2.可能造成较大安全、职业健康影响的活动、产品和服务:3.安全管理状况(安全、职业危害管理机构、负责人、近几年主要业绩):4.有无特殊危险区域或限制的情况:三、其他信息1.贵单位是否同意遵守考核评级要求,并能提供考核所必需的信息?□是□否2、在提交申请书时,请同时提交如下文件:营业执照复印件,法人或委托法人资格证明行业上有强制要求的资质证书和行政许可证复印件企业简介生产/服务的主要过程的流程图或示意图地理位置图及厂区平面示意图主要生产设备和检测设备清单安全标准化管理制度清单自评报告重大风险清单重大危险源清单安全生产方针、目标适用的安全生产法律法规和其他要求清单企业自评得分:法定代表人签名:(申请单位盖章)日期:年月日四、审查意见表1.县(区)级安全生产监督管理部门审查意见:签字:(盖章)年月日2.市级安全生产监督管理部门审查意见:签字:(盖章)年月日3.考核机构考评意见:签字:(盖章)年月日4.备注加油站安全标准化考核评级审批表备注:1.申请一级考核的安全标准化企业,由企业所在地的市、省安监局批准后向国家安全生产监督管理总局化学品登记中心提交审批表。2.申请二级考核的安全标准化企业,由企业所在地的市级安监局批准后,向所在地的省级考核机构提交审批表。《加油站安全标准化考核》要素表A级要素B级要素4.1负责人与职责4.1.1负责人4.1.2方针目标4.1.3机构设置企业名称申请考评等级一级企业二级企业三级企业(单位盖章)年月日企业所在地市安监局意见(单位盖章)年月日省级考核机构意见(单位盖章)年月日4.1.4职责4.1.5安全生产投入及工伤保险4.2风险管理4.2.1范围与评价方法4.2.2风险评价4.2.3风险控制4.2.4隐患治理4.2.5重大危险源4.2.6风险信息更新4.3法律法规与管理制度4.3.1法律法规4.3.2符合性评价4.3.3安全生产规章制度4.3.4操作规程4.3.5修订4.4培训教育4.4.1培训教育管理4.4.2管理人员培训教育4.4.3从业人员培训教育4.4.4新从业人员培训教育4.4.5其他人员培训教育4.4.6日常安全教育4.5站房、设施管理与安全防火距离4.5.1站房管理4.5.2安全防火距离4.5.3消防设施4.5.4防雷防静电设施4.5.5采暖通风4.5.6照明与照明线路4.5.7检维修4.6作业安全4.6.1作业许可4.6.2警示标志4.6.3卸油作业4.6.4加油作业4.6.5油罐计量4.6.6供电、发电4.6.7清洗油罐4.6.8劳动防护用品4.6.9危险化学品档案4.7事故与应急4.7.1事故报告4.7.2抢险与救护4.7.3事故调查和处理4.7.4应急指挥系统4.7.5应急救援器材4.7.6应急救援预案与演练4.8检查与自评4.8.1安全检查4.8.2安全检查形式与内容4.8.3整改4.8.4自评加油站安全标准化□自评/□考核报告企业名称:企业地址:电话:传真:邮编:自评/考核组长(证号):成员(证号):自评/考核日期:年月日至年月日自评/考核情况概述:第11页共78页编号:时间:2021年x月x日书山有路勤为径,学海无涯苦作舟页码:第11页共78页加油站安全标准化评审标准A级要素B级要素标准化要求评审方法评审标准评审结果5...

1、当您付费下载文档后,您只拥有了使用权限,并不意味着购买了版权,文档只能用于自身使用,不得用于其他商业用途(如 [转卖]进行直接盈利或[编辑后售卖]进行间接盈利)。
2、本站所有内容均由合作方或网友上传,本站不对文档的完整性、权威性及其观点立场正确性做任何保证或承诺!文档内容仅供研究参考,付费前请自行鉴别。
3、如文档内容存在违规,或者侵犯商业秘密、侵犯著作权等,请点击“违规举报”。

碎片内容

上饶市加油站安全标准化评审标准

您可能关注的文档

确认删除?
VIP
微信客服
  • 扫码咨询
会员Q群
  • 会员专属群点击这里加入QQ群
客服邮箱
回到顶部