电脑桌面
添加小米粒文库到电脑桌面
安装后可以在桌面快捷访问

仪表安装工程用表VIP免费

仪表安装工程用表_第1页
1/54
仪表安装工程用表_第2页
2/54
仪表安装工程用表_第3页
3/54
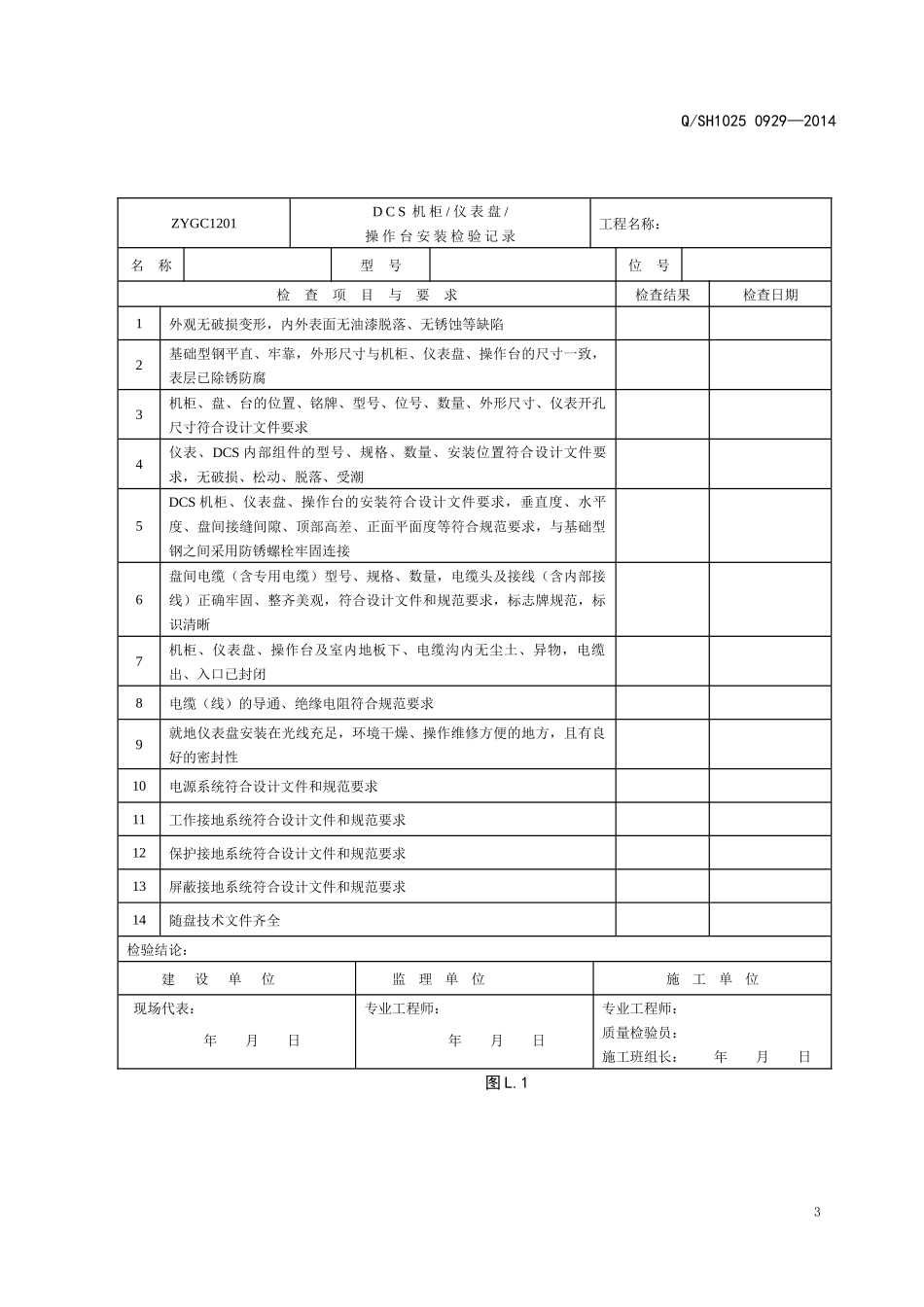
Q/SH10250929—2014AA附录L(规范性附录)施工单位交工技术文件仪表安装工程用表仪表安装工程用表目录见表L.1,格式见图L.1~图L.26(图左上角为资料编号,与表L.1中编号一致)。表L.1仪表安装工程用表目录序号名称编号备注1DCS机柜/仪表盘/操作台安装检验记录ZYGC12012综合控制系统基本功能检测记录ZYGC12023报警/联锁系统与可编程序控制系统调试记录ZYGC12034火灾自动报警系统安装检验记录ZYGC12045H2S、可燃气体报警仪检验调试记录ZYGC12056DCS/SIS送电条件确认表ZYGC12067联校试验条件确认表ZYGC12078联校调试记录ZYGC12089仪表管道耐压/严密性试验记录ZYGC120910温度仪表校验记录ZYGC121011压力仪表校验记录ZYGC121112就地指示仪表校验记录ZYGC121213物位仪表调校记录ZYGC121314变送器、指示器、记录器校验记录ZYGC121415流量节流装置检验记录ZYGC121516硫化氢、水份分析仪表检验记录ZYGC121617调节阀、执行器调校记录ZYGC121718电缆/电线敷设及绝缘电阻测量记录ZYGC121819仪表、盘柜查线记录ZYGC121920仪表系统调试记录ZYGC122021______安装检查记录ZYGC12211Q/SH10250929—2014表L.1仪表安装工程用表目录(续)22______调校记录ZYGC122223就地仪表安装检查记录ZYGC122324RTU、DCS(含现场总线)、PLCI/O卡基本功能测试记录ZYGC122425仪表盘、柜、操作台安装记录ZYGC122526接地极、接地电阻安装测定记录ZYGC12262Q/SH10250929—2014ZYGC1201DCS机柜/仪表盘/操作台安装检验记录工程名称:名称型号位号检查项目与要求检查结果检查日期1外观无破损变形,内外表面无油漆脱落、无锈蚀等缺陷2基础型钢平直、牢靠,外形尺寸与机柜、仪表盘、操作台的尺寸一致,表层已除锈防腐3机柜、盘、台的位置、铭牌、型号、位号、数量、外形尺寸、仪表开孔尺寸符合设计文件要求4仪表、DCS内部组件的型号、规格、数量、安装位置符合设计文件要求,无破损、松动、脱落、受潮5DCS机柜、仪表盘、操作台的安装符合设计文件要求,垂直度、水平度、盘间接缝间隙、顶部高差、正面平面度等符合规范要求,与基础型钢之间采用防锈螺栓牢固连接6盘间电缆(含专用电缆)型号、规格、数量,电缆头及接线(含内部接线)正确牢固、整齐美观,符合设计文件和规范要求,标志牌规范,标识清晰7机柜、仪表盘、操作台及室内地板下、电缆沟内无尘土、异物,电缆出、入口已封闭8电缆(线)的导通、绝缘电阻符合规范要求9就地仪表盘安装在光线充足,环境干燥、操作维修方便的地方,且有良好的密封性10电源系统符合设计文件和规范要求11工作接地系统符合设计文件和规范要求12保护接地系统符合设计文件和规范要求13屏蔽接地系统符合设计文件和规范要求14随盘技术文件齐全检验结论:建设单位监理单位施工单位现场代表:年月日专业工程师:年月日专业工程师:质量检验员:施工班组长:年月日图L.13Q/SH10250929—2014BB图L.24ZYGC1202综合控制系统基本功能检测记录工程名称:系统名称系统型号制造厂检测单位系统基本功能检测记录检测项目判断检测结果检测人检测项目判断检测结果检测人自诊断通讯功能程序安装报警功能画面检测冗余功能键盘操作恢复功能鼠标操作打印功能触屏操作LED状态灯按钮系统供电检测依据其他注1:在“判断”栏中画“√”表示有该项功能;画“×”表示无该项功能。注2:“检测结果”栏中填写合格或不合格。建设单位监理单位施工单位现场代表:年月日专业工程师:年月日专业工程师:质量检查员:施工班组长:年月日Q/SH10250929—2014ZYGC1203报警/联锁系统与可编程序控制系统调试记录工程名称:调试单位调试人序号联锁/回路号逻辑图号确认复位调试结果注1:“确认”、“复位”栏填写“正常”、“不正常”。注2:“调试结果”栏填写合格或不合格。备注:建设单位监理单位施工单位现场代表:年月日专业工程师:年月日专业工程师:质量检验员:施工班组长:年月日图L.35Q/SH10250929—2014ZYGC1204火灾自动报警系统安装检验记录工程名称:名称施工图号执行标准检查内容与要求检查结果1报警控制器(盘)、探测器、报警按钮、控制设备等设备等设备铭牌符合设计文件要求2导线、电缆的型号、规格符合设计文件要求...

1、当您付费下载文档后,您只拥有了使用权限,并不意味着购买了版权,文档只能用于自身使用,不得用于其他商业用途(如 [转卖]进行直接盈利或[编辑后售卖]进行间接盈利)。
2、本站所有内容均由合作方或网友上传,本站不对文档的完整性、权威性及其观点立场正确性做任何保证或承诺!文档内容仅供研究参考,付费前请自行鉴别。
3、如文档内容存在违规,或者侵犯商业秘密、侵犯著作权等,请点击“违规举报”。

碎片内容

仪表安装工程用表

确认删除?
VIP
微信客服
  • 扫码咨询
会员Q群
  • 会员专属群点击这里加入QQ群
客服邮箱
回到顶部