电脑桌面
添加小米粒文库到电脑桌面
安装后可以在桌面快捷访问

CAD制图标准化培训VIP免费

CAD制图标准化培训_第1页
1/29
CAD制图标准化培训_第2页
2/29
CAD制图标准化培训_第3页
3/29
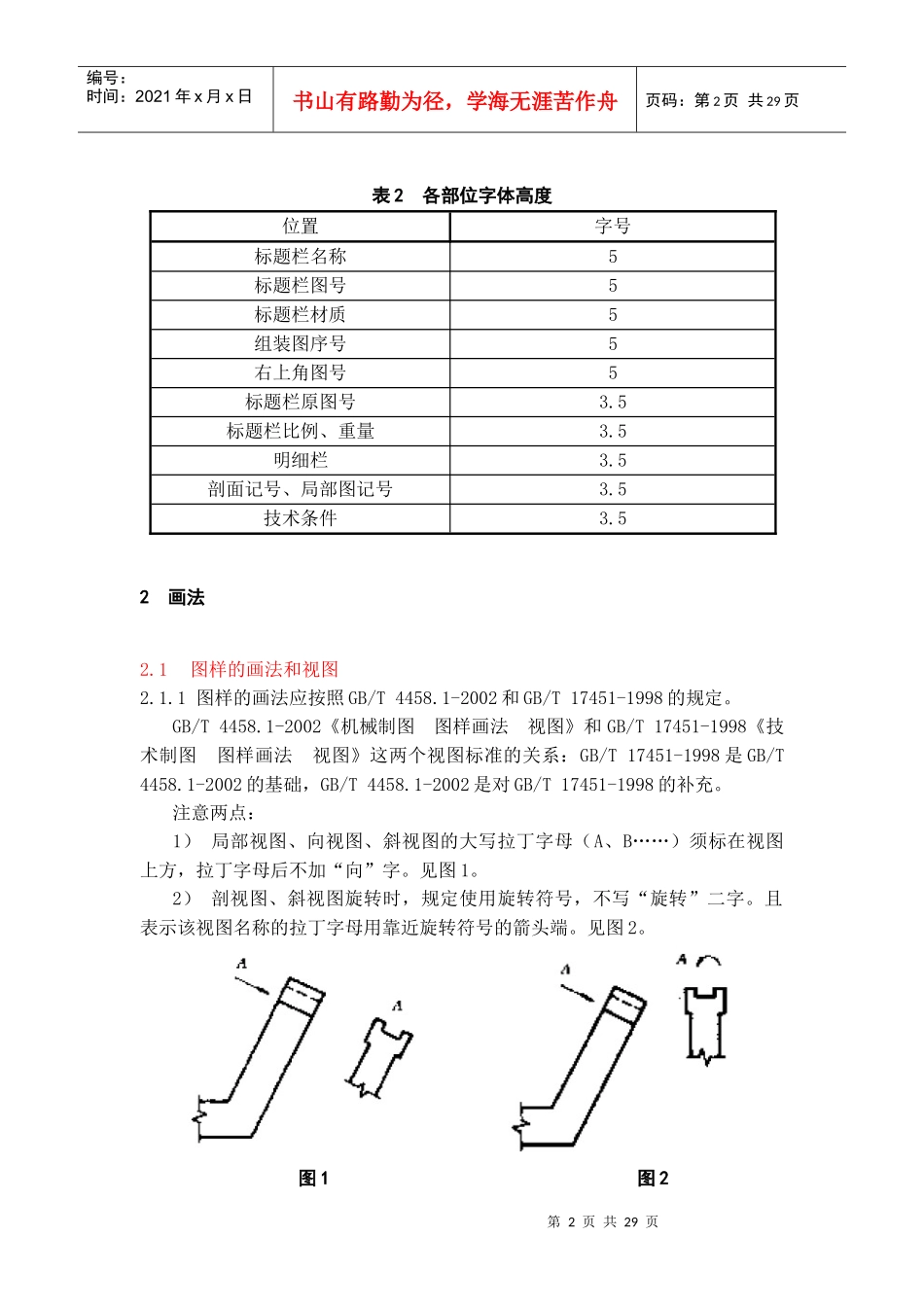
第1页共29页编号:时间:2021年x月x日书山有路勤为径,学海无涯苦作舟页码:第1页共29页CAD制图标准规定1CAD制图基本设置规定1.1图纸幅面和格式CAD制图采用GB/T14689-2008中X型有装订边的A1、A2、A3和Y型有装订边的A4图纸。1.2图样比例1.2.1原值比例1:11.2.2放大比例5:1、4:1、2:11.2.3缩小比例1:2、1:3、1:4、1:51.3图层、颜色及线型CAD制图图层、颜色及线型的设置见表1。表1图线图层名称颜色线型线宽mm粗实线层白色Continuous0.35细实线层灰色Continuous0.18尺寸线层绿色(字黄色)Continuous0.18箭头长2.5剖面线层绿色Continuous0.18虚线层黄色Hidden0.18点划线层青色Center10.18双点划线层品红Center20.181.4字体1.4.1图样所有字体均采用长仿宋体。1.4.2阿拉伯数字、字母、罗马字采用直体。1.4.3各部位字号见表2。1.4.4直径符号在图样标注时采用“%%C”,在技术要求中采用希腊小写字母“φ”。第2页共29页第1页共29页编号:时间:2021年x月x日书山有路勤为径,学海无涯苦作舟页码:第2页共29页表2各部位字体高度位置字号标题栏名称5标题栏图号5标题栏材质5组装图序号5右上角图号5标题栏原图号3.5标题栏比例、重量3.5明细栏3.5剖面记号、局部图记号3.5技术条件3.52画法2.1图样的画法和视图2.1.1图样的画法应按照GB/T4458.1-2002和GB/T17451-1998的规定。GB/T4458.1-2002《机械制图图样画法视图》和GB/T17451-1998《技术制图图样画法视图》这两个视图标准的关系:GB/T17451-1998是GB/T4458.1-2002的基础,GB/T4458.1-2002是对GB/T17451-1998的补充。注意两点:1)局部视图、向视图、斜视图的大写拉丁字母(A、B……)须标在视图上方,拉丁字母后不加“向”字。见图1。2)剖视图、斜视图旋转时,规定使用旋转符号,不写“旋转”二字。且表示该视图名称的拉丁字母用靠近旋转符号的箭头端。见图2。图1图2第3页共29页第2页共29页编号:时间:2021年x月x日书山有路勤为径,学海无涯苦作舟页码:第3页共29页3)对称中心线应超出轮廓3mm~5mm。2.1.2允许采用简化画法,简化画法应按照GB/T16675.1-1996的规定。GB/T16675.1-1996《技术制图简化表示法第1部分:图样画法》的简化原则:1)简化必须保证不致引起误解和不会产生理解的多意性。2)便于识读和绘制,注重简化的综合效果。该标准中列举了29种简化画法。例1:图3图3说明:当回转体零件上的平面在图形中不能充分报答时,可用两条相交的细实线表示这些平面。例2:第4页共29页第3页共29页编号:时间:2021年x月x日书山有路勤为径,学海无涯苦作舟页码:第4页共29页图4图4说明:对于装配图中若干相同的零、部件组,可仅详细地画出一组,其余只需用细点划线表示其位置。例3:图5图5说明:对于对称的图形,可以只画1/2或1/4,在其中心线两端部位画“=”对称符号。2.1.3要用最少数量的视图清楚地表达零件的内外形状和结构。机械图的基本原则是用最少数量的视图清楚地表达出零件的内外形状和结构。能用一个视图表达的不画两个视图,能用两个视图表达的不画三个视图。在图样能清楚表达的情况下,尽可能使用较小的图幅。比例要遵照1.2条的规定。2.1.4每个产品及零部件一般应分别绘制在单张图纸上并编写图号。强调一点:能用一张A2图纸画的图,不用两张A3图;能用一张A1图纸画的图,不用两张A2图。2.1.5结构简单的左右件,一般只绘制其中一件图样,在标题栏上方接近标题栏处可写“此件分左、右,本图为×件。”字样。编写一个图号。2.1.6用一张A1图纸不能表达组装及零部件结构时,一般不使用A0图纸,可第5页共29页第4页共29页编号:时间:2021年x月x日书山有路勤为径,学海无涯苦作舟页码:第5页共29页以用两张或三张A1图纸绘制。此时须在图样的标题栏中填写共×张、第×张。多张图样的图样名称和图号应一致。强调多张图样时,不采用日本Nebotesco图样上的1/3、2/3、3/3的方法。2.2剖视图和断面图2.2.1剖视图和断面图的画法应按照GB/T4458.6-2002和GB/T17452-1998的规定。GB/T4458.6-2002《机械制图图样画法剖视图和断面图》和GB/T17452-1998《技术制图图样画法剖视图和断面图》的关系:GB/T17452-1998是GB/T4458.6-2002基础,GB/T4458...

1、当您付费下载文档后,您只拥有了使用权限,并不意味着购买了版权,文档只能用于自身使用,不得用于其他商业用途(如 [转卖]进行直接盈利或[编辑后售卖]进行间接盈利)。
2、本站所有内容均由合作方或网友上传,本站不对文档的完整性、权威性及其观点立场正确性做任何保证或承诺!文档内容仅供研究参考,付费前请自行鉴别。
3、如文档内容存在违规,或者侵犯商业秘密、侵犯著作权等,请点击“违规举报”。

碎片内容

CAD制图标准化培训

确认删除?
VIP
微信客服
  • 扫码咨询
会员Q群
  • 会员专属群点击这里加入QQ群
客服邮箱
回到顶部