电脑桌面
添加小米粒文库到电脑桌面
安装后可以在桌面快捷访问

机动班工段员工岗位资格矩阵表VIP免费

机动班工段员工岗位资格矩阵表_第1页
1/1
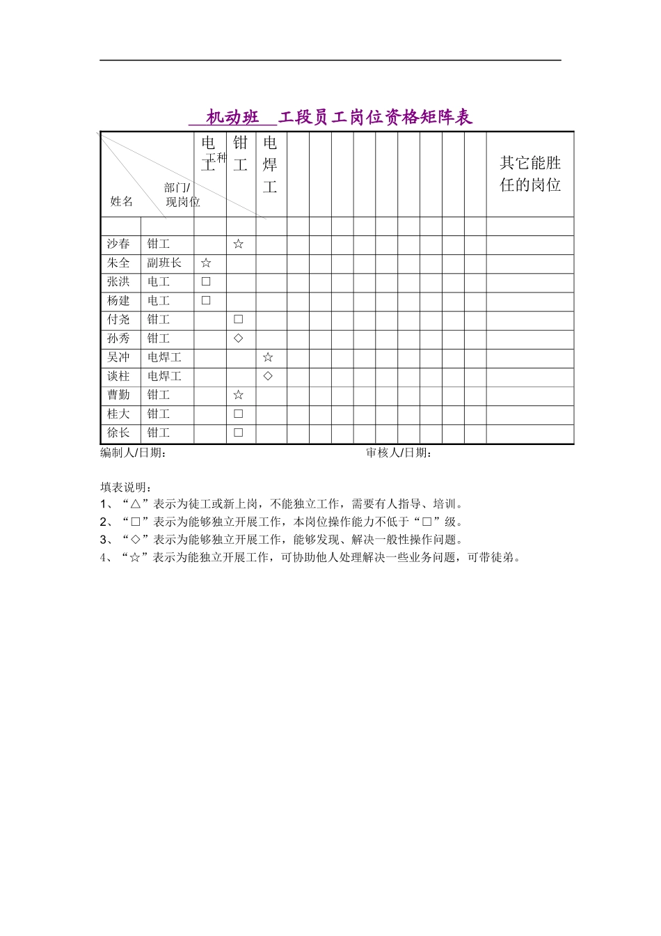
机动班工段员工岗位资格矩阵表电工钳工电焊工其它能胜任的岗位沙春琪钳工☆朱全喜副班长☆张洪泽电工□杨建刚电工□付尧华钳工□孙秀军钳工◇吴冲电焊工☆谈柱周电焊工◇曹勤明钳工☆桂大军钳工□徐长明钳工□编制人/日期:审核人/日期:填表说明:1、“△”表示为徒工或新上岗,不能独立工作,需要有人指导、培训。2、“□”表示为能够独立开展工作,本岗位操作能力不低于“□”级。3、“◇”表示为能够独立开展工作,能够发现、解决一般性操作问题。4、“☆”表示为能独立开展工作,可协助他人处理解决一些业务问题,可带徒弟。部门/现岗位工种姓名

1、当您付费下载文档后,您只拥有了使用权限,并不意味着购买了版权,文档只能用于自身使用,不得用于其他商业用途(如 [转卖]进行直接盈利或[编辑后售卖]进行间接盈利)。
2、本站所有内容均由合作方或网友上传,本站不对文档的完整性、权威性及其观点立场正确性做任何保证或承诺!文档内容仅供研究参考,付费前请自行鉴别。
3、如文档内容存在违规,或者侵犯商业秘密、侵犯著作权等,请点击“违规举报”。

碎片内容

机动班工段员工岗位资格矩阵表

您可能关注的文档

确认删除?
VIP
微信客服
  • 扫码咨询
会员Q群
  • 会员专属群点击这里加入QQ群
客服邮箱
回到顶部