电脑桌面
添加小米粒文库到电脑桌面
安装后可以在桌面快捷访问

某公司安全保卫管理执行表VIP免费

某公司安全保卫管理执行表_第1页
1/5
某公司安全保卫管理执行表_第2页
2/5
某公司安全保卫管理执行表_第3页
3/5
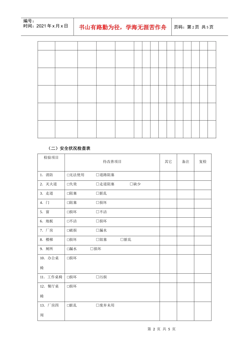
第1页共5页编号:时间:2021年x月x日书山有路勤为径,学海无涯苦作舟页码:第1页共5页当前文档修改密码:8362839某公司安全保卫管理执行工具与表件(一)安全管理计划表主题实施内容负责人核查日期123456789…星期第2页共5页第1页共5页编号:时间:2021年x月x日书山有路勤为径,学海无涯苦作舟页码:第2页共5页(二)安全状况检查表检验项目待改善项目其它备注复检1.消防□无法使用□道路阻塞2.灭火道□失效□走道阻塞□缺少3.走道□阻塞□脏乱4.门□阻塞□损坏5.窗□损坏□不洁6.地板□不洁□损坏7.厂房□破损□漏水8.楼梯□损坏□阻塞□脏乱9.厕所□漏水□损坏10.办公桌椅□损坏11.工作桌椅□损坏□污损12.餐厅桌椅□损坏13.厂房四周□脏乱□废弃未用第3页共5页第2页共5页编号:时间:2021年x月x日书山有路勤为径,学海无涯苦作舟页码:第3页共5页14.一般机器□保养不良□基础松动15高压线□基础不稳□保养不良16.插座开关□损坏□不安全17.电线□损坏18.给水□漏水□排水不良19.仓库□零乱□防水防盗不良20.废料□未处理□放置零乱21.其它主管:检查员:(三)突发事件记录表事件内容责任人见证人所属部门出事地点发生日期年月日发生时间发生原因事件经过处置方式备注处理人:审核:复核:(四)消防器械检查表编号:日期:第4页共5页第3页共5页编号:时间:2021年x月x日书山有路勤为径,学海无涯苦作舟页码:第4页共5页编号检查结果编号检查结果编号检查结果异常处理对策检查结果说明部门负责人:检查员:(五)消防设备检修表编号:年月日检修部门检修设备检修原因检修情况及结果更换品种及数量备注检修人检修人员:消防主管:(六)火灾情况报告表事故发生部门:填报日期:年月日火灾种类发生时间发生地点灾变经过伤亡情况财产损失直接费用间接费用费用合计第5页共5页第4页共5页编号:时间:2021年x月x日书山有路勤为径,学海无涯苦作舟页码:第5页共5页善后处理原因分析防止对策改善计划签报批示栏总经理(副)经理劳动安全卫生管理部门意见部门主管填表日期:年月日

1、当您付费下载文档后,您只拥有了使用权限,并不意味着购买了版权,文档只能用于自身使用,不得用于其他商业用途(如 [转卖]进行直接盈利或[编辑后售卖]进行间接盈利)。
2、本站所有内容均由合作方或网友上传,本站不对文档的完整性、权威性及其观点立场正确性做任何保证或承诺!文档内容仅供研究参考,付费前请自行鉴别。
3、如文档内容存在违规,或者侵犯商业秘密、侵犯著作权等,请点击“违规举报”。

碎片内容

某公司安全保卫管理执行表

确认删除?
VIP
微信客服
  • 扫码咨询
会员Q群
  • 会员专属群点击这里加入QQ群
客服邮箱
回到顶部