电脑桌面
添加小米粒文库到电脑桌面
安装后可以在桌面快捷访问

某建筑工程检验批用表VIP免费

某建筑工程检验批用表_第1页
1/94
某建筑工程检验批用表_第2页
2/94
某建筑工程检验批用表_第3页
3/94
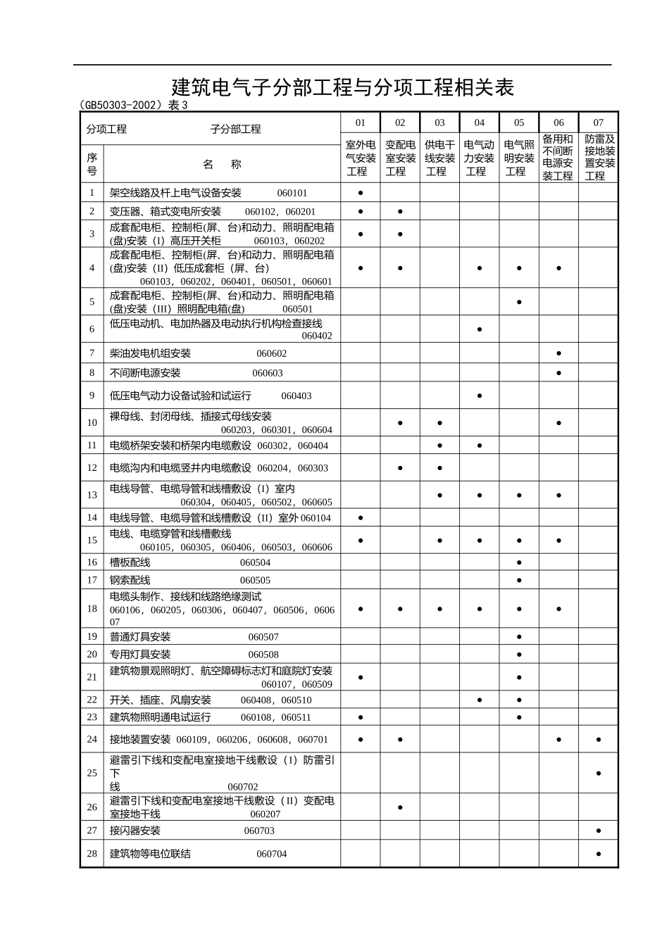
建筑电气子分部工程与分项工程相关表(GB50303-2002)表3分项工程子分部工程01020304050607室外电气安装工程变配电室安装工程供电干线安装工程电气动力安装工程电气照明安装工程备用和不间断电源安装工程防雷及接地装置安装工程序号名称1架空线路及杆上电气设备安装060101●2变压器、箱式变电所安装060102,060201●●3成套配电柜、控制柜(屏、台)和动力、照明配电箱(盘)安装(I)高压开关柜060103,060202●●4成套配电柜、控制柜(屏、台)和动力、照明配电箱(盘)安装(II)低压成套柜(屏、台)060103,060202,060401,060501,060601●●●●●5成套配电柜、控制柜(屏、台)和动力、照明配电箱(盘)安装(III)照明配电箱(盘)060501●6低压电动机、电加热器及电动执行机构检查接线060402●7柴油发电机组安装060602●8不间断电源安装060603●9低压电气动力设备试验和试运行060403●10裸母线、封闭母线、插接式母线安装060203,060301,060604●●●11电缆桥架安装和桥架内电缆敷设060302,060404●●12电缆沟内和电缆竖井内电缆敷设060204,060303●●13电线导管、电缆导管和线槽敷设(I)室内060304,060405,060502,060605●●●●14电线导管、电缆导管和线槽敷设(II)室外060104●15电线、电缆穿管和线槽敷线060105,060305,060406,060503,060606●●●●●16槽板配线060504●17钢索配线060505●18电缆头制作、接线和线路绝缘测试060106,060205,060306,060407,060506,060607●●●●●●19普通灯具安装060507●20专用灯具安装060508●21建筑物景观照明灯、航空障碍标志灯和庭院灯安装060107,060509●●22开关、插座、风扇安装060408,060510●●23建筑物照明通电试运行060108,060511●●24接地装置安装060109,060206,060608,060701●●●●25避雷引下线和变配电室接地干线敷设(I)防雷引下线060702●26避雷引下线和变配电室接地干线敷设(II)变配电室接地干线060207●27接闪器安装060703●28建筑物等电位联结060704●注:本表有●符号者为该子分部工程所含的分项工程。架空线路及杆上电气设备安装检验批质量验收记录(GB50303-2002)表4编号:060101□□□工程名称分部(子分部)工程名称验收部位施工单位专业工长(施工员)项目经理施工执行标准名称及编号分包单位分包项目经理施工班组长质量验收规范的规定施工单位自检记录监理(建设)单位验收记录主控项目1变压器中性点的接地及接地电阻值测试(4.1.3条)2杆上高压电气设备的交换试验(4.1.4条)3杆上低压配电装置和馈电线路的交接试验(4.1.5条)4电杆坑、拉线坑深度允许偏差(mm)+100505架空导线的弧垂直允许偏差±5%6水平排列的同档导线间的弧垂直允许偏差(mm)±50一般项目1拉线及其绝缘子、金具安装(4.2.1条)2电杆组立(4.2.2条)3横担安装及横担的镀锌处理(4.2.3条)4导线架设(4.2.4条)5线路安全距离电压等级6~10KV>300mm电压等级1KV及以下>150mm6杆上电气设备安装(4.2.6条)施工操作依据质量检查记录施工单位检查结果评定项目专业项目专业质量检查员:技术负责人:年月日监理(建设)单位验收结论专业监理工程师:(建设单位项目专业技术负责人)年月日060101□□□说明主控项目1、变压器中性点应与接地装置引出干线直接连接、接地装置的接地电阻值必须符合设计要求(4.1.3条)。2、杆上变压器和高压绝缘子、高压隔离开关、跌落式熔断器、避雷器等必须按规范第3.1.8条的规定交接试验合格。3、杆上低压配电箱的电气装置和馈电线路交接试验应符合下列规定:1)每路配电开关及保护装置的规格、型号,应符合设计要求;2)相间和相对地间的绝缘电阻值应大于0.5MΩ;3)电气装置的交流工频耐压试验电压为1kV,当绝缘电阻值大于10MΩ时,可采用2500V兆欧表摇测替代,试验持续时间1min,无击穿闪络现象。一般项目1、拉线的绝缘子及金具应齐全,位置正确,承力拉线应与线路中心线方向一致,转角拉线应与线路分角线方向一致。拉线应收紧,收紧程度与杆上导线数量规格及弧垂值相适配。2、电杆组立应正直,直线杆横向位移不应大于50mm,杆梢偏移不应大于梢径的1/2,转角杆紧线后不向内角倾斜,向外角倾斜不应大于一个梢径。3、直...

1、当您付费下载文档后,您只拥有了使用权限,并不意味着购买了版权,文档只能用于自身使用,不得用于其他商业用途(如 [转卖]进行直接盈利或[编辑后售卖]进行间接盈利)。
2、本站所有内容均由合作方或网友上传,本站不对文档的完整性、权威性及其观点立场正确性做任何保证或承诺!文档内容仅供研究参考,付费前请自行鉴别。
3、如文档内容存在违规,或者侵犯商业秘密、侵犯著作权等,请点击“违规举报”。

碎片内容

某建筑工程检验批用表

您可能关注的文档

确认删除?
VIP
微信客服
  • 扫码咨询
会员Q群
  • 会员专属群点击这里加入QQ群
客服邮箱
回到顶部