电脑桌面
添加小米粒文库到电脑桌面
安装后可以在桌面快捷访问

工程验收备案表VIP免费

工程验收备案表_第1页
1/40
工程验收备案表_第2页
2/40
工程验收备案表_第3页
3/40
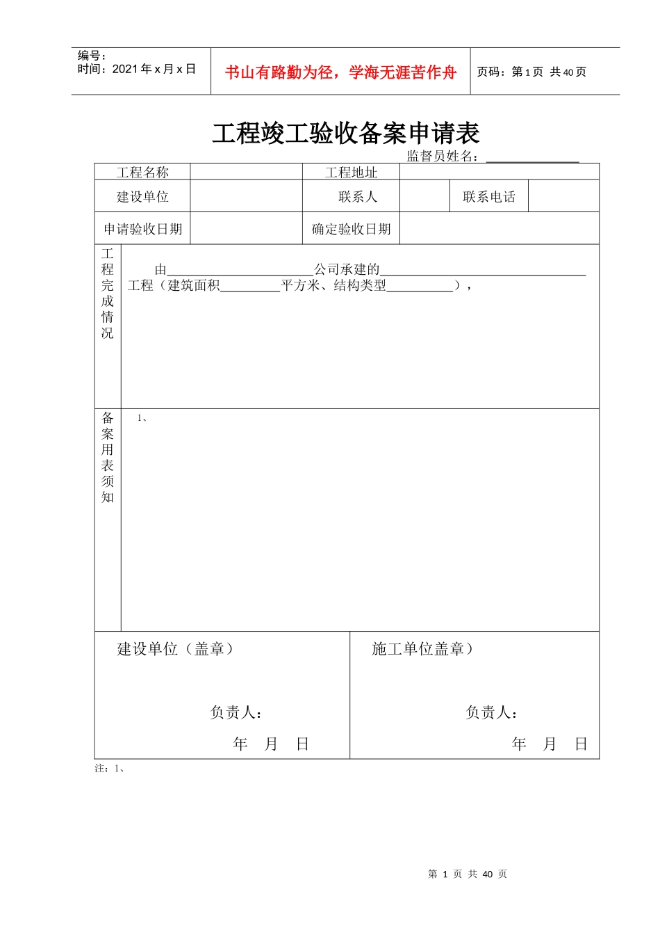
第1页共40页编号:时间:2021年x月x日书山有路勤为径,学海无涯苦作舟页码:第1页共40页工程竣工验收备案申请表监督员姓名:工程名称工程地址建设单位联系人联系电话申请验收日期确定验收日期工程完成情况由公司承建的工程(建筑面积平方米、结构类型),备案用表须知1、建设单位(盖章)负责人:年月日施工单位盖章)负责人:年月日注:1、第2页共40页第1页共40页编号:时间:2021年x月x日书山有路勤为径,学海无涯苦作舟页码:第2页共40页青海省房屋建筑工程和市政基础设施竣工验收备案表工程名称建设单位青海省建设厅制青海省房屋建筑工程和市政基础设施第3页共40页第2页共40页编号:时间:2021年x月x日书山有路勤为径,学海无涯苦作舟页码:第3页共40页竣工验收备案表建设单位名称备案日期工程名称工程地点建筑面积m2结构类型工程用途开工日期竣工验收日期施工许可证号施工图审查意见勘察单位名称资质等级设计单位名称资质等级施工单位名称资质等级监理单位名称资质等级工程质量监督机构名称第4页共40页第3页共40页编号:时间:2021年x月x日书山有路勤为径,学海无涯苦作舟页码:第4页共40页竣工验收意见勘察单位单位(项目)负责人:(公章)年月日设计单位单位(项目)负责人:(公章)年月日施工单位单位(项目)负责人:(公章)年月日监理单位单位(项目)负责人:(公章)年月日建设单位单位(项目)负责人:(公章)年月日竣工验收备案内容份数验证情况备注1、工程施工许可证或开工报告2、工程质量监督手续3、施工图、设计文件审查报告4、质量合格文件(1)勘察部门对地基及处理的验收文件(2)单位工程验收记录(3)监理部门签署的《竣工移交证书》(4)单位工程质量评定文件5、地基与基础、结构工程验收记录及检测报告6、市政基础设施的有关质量检测和功能性试验资料7、规划许可证及其它规划批复文件8、公安消防部门出具的认可文件或准许使用文件9、环保部门出具的认可文件或准许使用文件10、建设工程保修合同11、住宅质量保证书第5页共40页第4页共40页编号:时间:2021年x月x日书山有路勤为径,学海无涯苦作舟页码:第5页共40页文件12、住宅使用说明书13、工程竣工验收报告14、其他文件备案意见本工程的竣工验收备案文件于年月日收讫,经验证文件齐全有效(公章)备案管理部门负责人经办人年月日第6页共40页第5页共40页编号:时间:2021年x月x日书山有路勤为径,学海无涯苦作舟页码:第6页共40页备案管理部门处理意见:(公章)年月日第7页共40页第6页共40页编号:时间:2021年x月x日书山有路勤为径,学海无涯苦作舟页码:第7页共40页青海省房屋建筑工程和市政基础设施工程竣工验收报告工程名称建设单位第8页共40页第7页共40页编号:时间:2021年x月x日书山有路勤为径,学海无涯苦作舟页码:第8页共40页工程名称建设单位项目法人工程地点建筑面积/造价结构类型层数工程用途规划许可证号施工许可证号报建日期竣工日期设计单位勘察单位监理单位施工单位第9页共40页第8页共40页编号:时间:2021年x月x日书山有路勤为径,学海无涯苦作舟页码:第9页共40页工程概况:工程竣工验收程序:第10页共40页第9页共40页编号:时间:2021年x月x日书山有路勤为径,学海无涯苦作舟页码:第10页共40页工程竣工验收内容:工程竣工验收组织:工程竣工验收标准:第11页共40页第10页共40页编号:时间:2021年x月x日书山有路勤为径,学海无涯苦作舟页码:第11页共40页建设单位对勘察质量的评价意见:建设单位对设计质量的评价意见:建设单位对监理质量的评价意见:第12页共40页第11页共40页编号:时间:2021年x月x日书山有路勤为径,学海无涯苦作舟页码:第12页共40页建设单位对施工质量的评价意见:建设单位执行基本建设情况:遗留问题及处理意见:第13页共40页第12页共40页编号:时间:2021年x月x日书山有路勤为径,学海无涯苦作舟页码:第13页共40页工程竣工验收意见:第14页共40页第13页共40页编号:时间:2021年x月x日书山有路勤为径,学海无涯苦作舟页码:第14页共40页工程竣工验收结论:竣工验验收组职务姓名工作单位技术职称职务签字验收组组长副组长验收组成员第15页共40页第14页...

1、当您付费下载文档后,您只拥有了使用权限,并不意味着购买了版权,文档只能用于自身使用,不得用于其他商业用途(如 [转卖]进行直接盈利或[编辑后售卖]进行间接盈利)。
2、本站所有内容均由合作方或网友上传,本站不对文档的完整性、权威性及其观点立场正确性做任何保证或承诺!文档内容仅供研究参考,付费前请自行鉴别。
3、如文档内容存在违规,或者侵犯商业秘密、侵犯著作权等,请点击“违规举报”。

碎片内容

工程验收备案表

您可能关注的文档

确认删除?
VIP
微信客服
  • 扫码咨询
会员Q群
  • 会员专属群点击这里加入QQ群
客服邮箱
回到顶部