电脑桌面
添加小米粒文库到电脑桌面
安装后可以在桌面快捷访问

水电安装消防验收表格VIP免费

水电安装消防验收表格_第1页
1/10
水电安装消防验收表格_第2页
2/10
水电安装消防验收表格_第3页
3/10
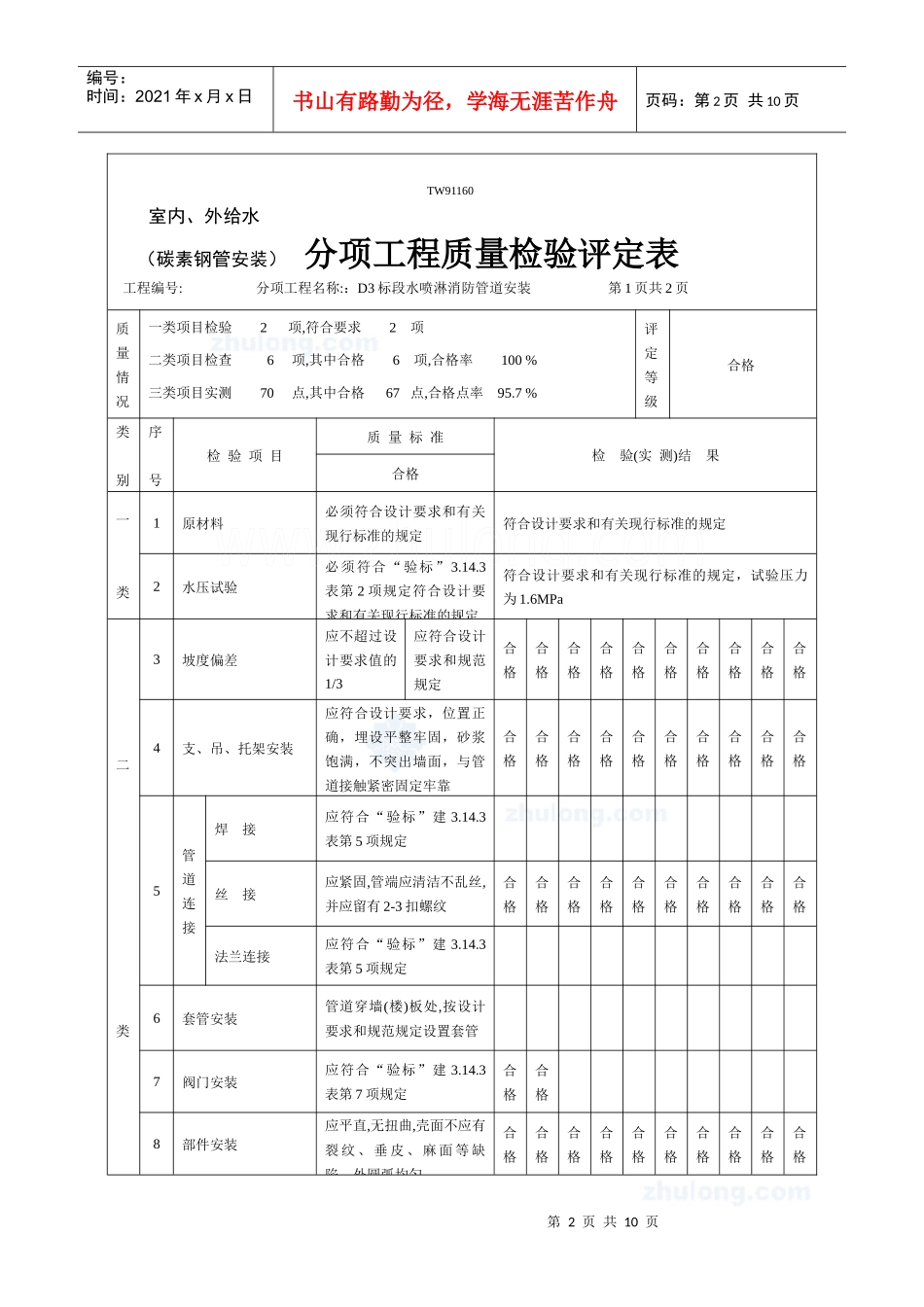
第1页共10页编号:时间:2021年x月x日书山有路勤为径,学海无涯苦作舟页码:第1页共10页工程质量报验单工程名称:嵩屿电厂二期工程D3标段编号:本表一式四份,由承包商填报,查验后连同附件交指挥部、监理部、承包商各存两份。主送长春国电嵩屿电厂二期工程项目监理部合同编号华夏Ⅱ-2006-JZ-001二期工程D3标段消防喷淋系统工程(分项)工程已完成施工任务,并按工程检验划分规定和有关标准、规范要求进行了自检,质量合格,现报请查验。附件:自检资料(质量检验评定表)水消防系统冲洗记录水消防系统试压记录2007年月日负责人经办人承包商章监理部审查意见:监理工程师项目监理部章日期年月日第2页共10页第1页共10页编号:时间:2021年x月x日书山有路勤为径,学海无涯苦作舟页码:第2页共10页TW91160室内、外给水(碳素钢管安装)分项工程质量检验评定表工程编号:分项工程名称::D3标段水喷淋消防管道安装第1页共2页质量情况一类项目检验2项,符合要求2项二类项目检查6项,其中合格6项,合格率100%三类项目实测70点,其中合格67点,合格点率95.7%评定等级合格类别序号检验项目质量标准检验(实测)结果合格一类1原材料必须符合设计要求和有关现行标准的规定符合设计要求和有关现行标准的规定2水压试验必须符合“验标”3.14.3表第2项规定符合设计要求和有关现行标准的规定符合设计要求和有关现行标准的规定,试验压力为1.6MPa二类3坡度偏差应不超过设计要求值的1/3应符合设计要求和规范规定合格合格合格合格合格合格合格合格合格合格4支、吊、托架安装应符合设计要求,位置正确,埋设平整牢固,砂浆饱满,不突出墙面,与管道接触紧密固定牢靠合格合格合格合格合格合格合格合格合格合格5管道连接焊接应符合“验标”建3.14.3表第5项规定丝接应紧固,管端应清洁不乱丝,并应留有2-3扣螺纹合格合格合格合格合格合格合格合格合格合格法兰连接应符合“验标”建3.14.3表第5项规定6套管安装管道穿墙(楼)板处,按设计要求和规范规定设置套管7阀门安装应符合“验标”建3.14.3表第7项规定合格合格8部件安装应平直,无扭曲,壳面不应有裂纹、垂皮、麻面等缺陷,外圆弧均匀合格合格合格合格合格合格合格合格合格合格第3页共10页第2页共10页编号:时间:2021年x月x日书山有路勤为径,学海无涯苦作舟页码:第3页共10页9除锈油漆铁锈、污垢应清除干净,油漆颜色和光泽应均匀,无漏涂,附着良好合格合格合格合格合格合格合格合格合格合格接续表页号TW91161室内、外给水(碳素钢管安装)分项工程质量检验评定表(续表)工程编号:分项工程名称::D3标段水喷淋消防管道安装共2页第2页类别序号检验项目质量标准单位检验(实测)结果合格三类10座标室内架空及地沟10mm4689584379埋地15室外架空及地沟15埋地4011标高室内架空及地沟10mm-499-3-894587埋地10室外架空及地沟10埋地1512水平管道弯曲室内架空地沟和埋管(每10管径100mm5mm3524426465管径100mm10全长(25米以上)25221212222213立管垂直度每米2mm3101021023全高(5米以上)10179279386414成排管道在同一线上的间距偏差5mm464543454315焊口平直度δ=10以内1/4δmmδ=10以上3焊缝加强层高度1宽度+3~-5焊缝咬肉深度0.5连续长度25总长度两侧25%焊缝长度第4页共10页第3页共10页编号:时间:2021年x月x日书山有路勤为径,学海无涯苦作舟页码:第4页共10页复(核)查核定等签署施工承包商施工队/处项目监理部施工班组日期2007年8月8日厦门中安消防安全工程有限公司调试报告2007年08月08日工程名称新增输煤栈桥消防工程(自动报警)工程地址厦门嵩屿使用单位嵩屿电厂联系人蔡健电话0592-2268515调试单位厦门中安消防安全工程有限公司联系人彭秀友电话0592-5539971设计单位福建省电力勘测设计院施工单位厦门中安消防安全工程有限公司工程主要设备设备名称型号型号数量生产厂备注湿式报警阀ZSFZ1007套四川森田水流指示器ZSJZ10017个四川森田洒水喷头K-ZSTZ15-68℃(3mm)874个四川森田雨淋报警阀ZSFM10010套四川森田消防栓(室内)SG24A6554套泉州晋源消防水带8-65-2654条福建南安施工有无遗留问题无施工单位联系厦门中安消防...

1、当您付费下载文档后,您只拥有了使用权限,并不意味着购买了版权,文档只能用于自身使用,不得用于其他商业用途(如 [转卖]进行直接盈利或[编辑后售卖]进行间接盈利)。
2、本站所有内容均由合作方或网友上传,本站不对文档的完整性、权威性及其观点立场正确性做任何保证或承诺!文档内容仅供研究参考,付费前请自行鉴别。
3、如文档内容存在违规,或者侵犯商业秘密、侵犯著作权等,请点击“违规举报”。

碎片内容

水电安装消防验收表格

确认删除?
VIP
微信客服
  • 扫码咨询
会员Q群
  • 会员专属群点击这里加入QQ群
客服邮箱
回到顶部