电脑桌面
添加小米粒文库到电脑桌面
安装后可以在桌面快捷访问

水电站安全管理分类年度检验申报表-附录3:VIP免费

水电站安全管理分类年度检验申报表-附录3:_第1页
1/4
水电站安全管理分类年度检验申报表-附录3:_第2页
2/4
水电站安全管理分类年度检验申报表-附录3:_第3页
3/4
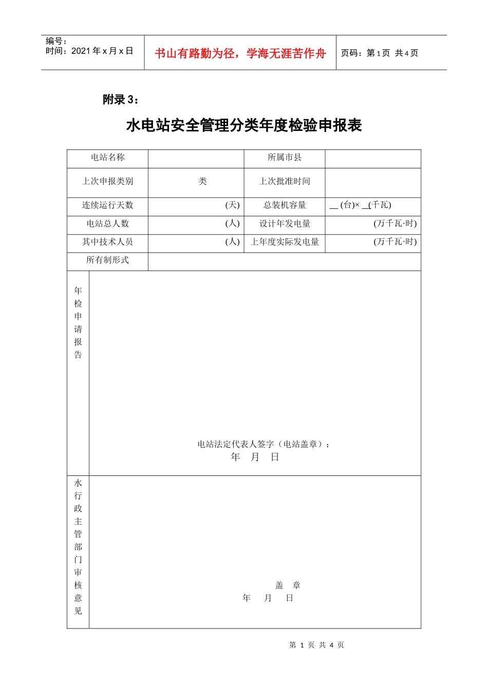
第1页共4页编号:时间:2021年x月x日书山有路勤为径,学海无涯苦作舟页码:第1页共4页附录3:水电站安全管理分类年度检验申报表电站名称所属市县上次申报类别类上次批准时间连续运行天数(天)总装机容量(台)×(千瓦)电站总人数(人)设计年发电量(万千瓦·时)其中技术人员(人)上年度实际发电量(万千瓦·时)所有制形式年检申请报告电站法定代表人签字(电站盖章):年月日水行政主管部门审核意见盖章年月日第2页共4页第1页共4页编号:时间:2021年x月x日书山有路勤为径,学海无涯苦作舟页码:第2页共4页第3页共4页第2页共4页编号:时间:2021年x月x日书山有路勤为径,学海无涯苦作舟页码:第3页共4页续表一水电站安全管理分类年度检验申报表类别标准自测结果审批结果A类达到以下全部要求。1、贯彻《农村水电技术现代化指导意见》,实现了“无人值班,少人值守”;2、生产一线职工的持证上岗率达到100%;3、考核期内安全运行,未发生人员伤亡或设备责任事故;4、水工程、机电设备及设施完好率达到100%,其中一类设备占90%;5、电站证照齐全,合法经营,经营状况良好;6、保证了生态环境用水,实现了文明生产,环境优美。B类达到以下全部要求。1、部分生产、办公环节采用了微机自动化技术;2、人员编制基本符合水利部《农村水电站岗位设置及定员标准》;3、生产一线职工的持证上岗率达到80%以上;4、考核期内安全运行,未发生人员重伤或死亡事件以及重大设备责任事故;5、“两票”执行填写合格率达到95%以上;6、水工程、机电设备及设施完好率达到100%,其中一类设备占80%;7、电站证照齐全,合法经营,经营状况正常;8、基本保证了河流生态用水,基本解决了跑冒滴漏和脏乱差,落实了文明生产和环境保护工作。C类发生下列条件之一。1、生产一线职工的持证上岗率50%以下;2、考核期内发生重大事故;3、电站存在重要安全隐患,影响发电安全和系统安全;4、电站证照不齐全,有严重的不良记录;5、管理混乱,严重跑冒滴漏和脏乱差;6、人员超编1.5倍以上。D类大坝或引水系统或发电厂设备存在严重隐患,随时可能造成危及人民生命财产安全的重大事故。第4页共4页第3页共4页编号:时间:2021年x月x日书山有路勤为径,学海无涯苦作舟页码:第4页共4页续表二水电站安全管理分类年度检验申报表县(市)水行政主管部门审核意见:盖章年月日地(市)水行政主管部门审核意见:盖章年月日省水行政主管部门审核意见:盖章年月日注:申报理由一栏可按相应分类标准逐条说明。

1、当您付费下载文档后,您只拥有了使用权限,并不意味着购买了版权,文档只能用于自身使用,不得用于其他商业用途(如 [转卖]进行直接盈利或[编辑后售卖]进行间接盈利)。
2、本站所有内容均由合作方或网友上传,本站不对文档的完整性、权威性及其观点立场正确性做任何保证或承诺!文档内容仅供研究参考,付费前请自行鉴别。
3、如文档内容存在违规,或者侵犯商业秘密、侵犯著作权等,请点击“违规举报”。

碎片内容

水电站安全管理分类年度检验申报表-附录3:

您可能关注的文档

精品中小学资料+ 关注
实名认证
内容提供者

精品文档

确认删除?
VIP
微信客服
  • 扫码咨询
会员Q群
  • 会员专属群点击这里加入QQ群
客服邮箱
回到顶部