电脑桌面
添加小米粒文库到电脑桌面
安装后可以在桌面快捷访问

标准化肉鸡养殖基地建设标准VIP免费

标准化肉鸡养殖基地建设标准_第1页
1/8
标准化肉鸡养殖基地建设标准_第2页
2/8
标准化肉鸡养殖基地建设标准_第3页
3/8
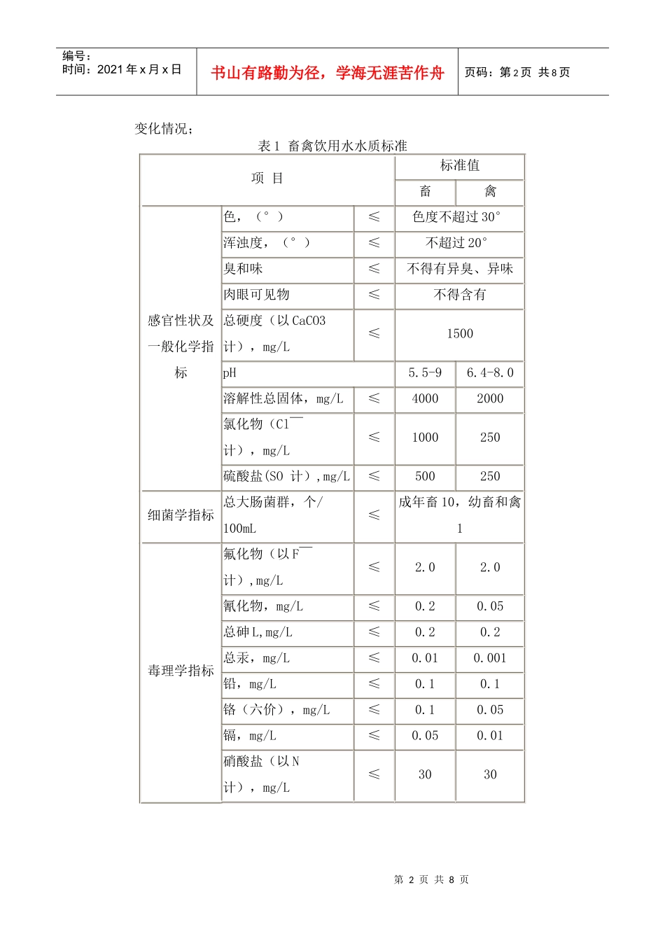
第1页共8页编号:时间:2021年x月x日书山有路勤为径,学海无涯苦作舟页码:第1页共8页标准化肉鸡养殖基地建设标准1范围为了整体提升肉鸡养殖小区的基础设施,实现商品肉鸡饲养的良性循环,保证养殖户的根本收益,特制定本标准;本标准规定了出口肉鸡养殖小区的基本条件和要求;2引用标准国质检食[2003]212号关于印发《出口禽肉及其制品检验检疫要求(试行)》的通知以及《出口肉禽饲养场备案的基本条件和要求》、《畜禽饮用水水质标准》、《畜禽饮用水中农药限量指标》;3定义3.1五统一即统一供应雏鸡,统一供应饲料,统一使用药物,统一防疫消毒,统一收购屠宰;3.2空舍期从上一批鸡只出栏彻底清洗、消毒工作完毕到下一批开始饲养的间隔时间;空舍期一般为15—21天;4养殖小区选址4.1自然条件因素4.1.1地形地势养殖小区应选择在地势较高、干燥平坦、排水良好和向阳背风的地方。平原地区建场应选择比较平坦、开阔、利于排水,地下水位应低于鸡舍地基深度0.5米以下;山区建场应选择稍平缓坡,坡面向阳,总坡度不超过25%,建筑区坡度应在25゜以内;靠近河流、湖泊地区建场应选择比当地水文资料中最高水位高1-2米处;从防疫的角度,养殖小区应充分利用自然地形地物,如利用原有林带树木、山岭、河川、河谷等作为天然屏障。土质未被有机物和病原微生物污染,没有地质化学环境性地方病,以砂壤土类地区较为理想。4.1.2水源水质水源充足,供水能力能够满足养殖小区生产、生活、消防用水需求,应具有独立的自备水源(井);养殖小区水源应具有国家有关部门出具的物理、化学和生物污染等方面的检验报告,饮用水水质必须符合国家《畜禽饮用水水质标准》(见表1)和《畜禽饮用水中农药限量指标》(见表2);4.1.3气候因素鸡舍的建筑方位、朝向、间距、排列次序等应考虑当地风向、风力、日照等情况;防暑、防寒措施以及建筑结构等应考虑当地常年平均气温、绝对最高与最低气温、土壤冻层深度、降雨量与积雪厚度(雪载)、最大风力(风载)、常年主风向和风频率等常年气象第2页共8页第1页共8页编号:时间:2021年x月x日书山有路勤为径,学海无涯苦作舟页码:第2页共8页变化情况;表1畜禽饮用水水质标准项目标准值畜禽感官性状及一般化学指标色,(°)≤色度不超过30°浑浊度,(°)≤不超过20°臭和味≤不得有异臭、异味肉眼可见物≤不得含有总硬度(以CaCO3计),mg/L≤1500pH5.5-96.4-8.0溶解性总固体,mg/L≤40002000氯化物(Cl ̄计),mg/L≤1000250硫酸盐(SO计),mg/L≤500250细菌学指标总大肠菌群,个/100mL≤成年畜10,幼畜和禽1毒理学指标氟化物(以F ̄计),mg/L≤2.02.0氰化物,mg/L≤0.20.05总砷L,mg/L≤0.20.2总汞,mg/L≤0.010.001铅,mg/L≤0.10.1铬(六价),mg/L≤0.10.05镉,mg/L≤0.050.01硝酸盐(以N计),mg/L≤3030第3页共8页第2页共8页编号:时间:2021年x月x日书山有路勤为径,学海无涯苦作舟页码:第3页共8页表2畜禽饮用水中农药限量指标(毫克/每升)项目限值马拉硫磷0.25内吸磷0.03甲基对硫磷0.02对硫磷0.003乐果0.08林丹0.004百菌清0.01甲萘威0.052,4-D0.14.2社会条件因素4.2.1地理位置为保障交通和运输方便,养殖小区场外应通有公路,但不能与主要交通线路交叉。为确保防疫卫生要求,避免噪声对鸡群健康和生产性能的影响,养殖小区与主要交通干道应保持适当距离:距国道、省际公路1000米;距市、区(县)公路500米;距乡镇公路500米;距村级及一般公路(土路或石子路)500米;4.2.2疫情环境为防止养殖小区受到周围环境污染或污染周围环境,选址时应远离村庄、居民区、家禽屠宰场、化工厂、制革厂、种禽、蛋禽饲养场、兽医站和集贸市场,如养殖小区选址在上述场所附近应至少保持2000米以上的安全距离,且不应位于上述容易产生污染企业(屠宰场、化工厂、制革厂等)的下风向;4.2.3其他养殖小区选址必须符合当地农牧业总体发展规划、土地利用开发规划和城乡建设发展规划的用地要求。以下地区或地段不宜选址建场:规定的自然保护区、生活饮用水水源保护区、风景旅游区;受洪水或山洪威胁及有泥石流、滑坡等自然灾害多发地带;自然环境污染严重的地区;5规划和布局5.1...

1、当您付费下载文档后,您只拥有了使用权限,并不意味着购买了版权,文档只能用于自身使用,不得用于其他商业用途(如 [转卖]进行直接盈利或[编辑后售卖]进行间接盈利)。
2、本站所有内容均由合作方或网友上传,本站不对文档的完整性、权威性及其观点立场正确性做任何保证或承诺!文档内容仅供研究参考,付费前请自行鉴别。
3、如文档内容存在违规,或者侵犯商业秘密、侵犯著作权等,请点击“违规举报”。

碎片内容

标准化肉鸡养殖基地建设标准

您可能关注的文档

确认删除?
VIP
微信客服
  • 扫码咨询
会员Q群
  • 会员专属群点击这里加入QQ群
客服邮箱
回到顶部