电脑桌面
添加小米粒文库到电脑桌面
安装后可以在桌面快捷访问

国家高新区内、外企业统计报表VIP免费

国家高新区内、外企业统计报表_第1页
1/27
国家高新区内、外企业统计报表_第2页
2/27
国家高新区内、外企业统计报表_第3页
3/27
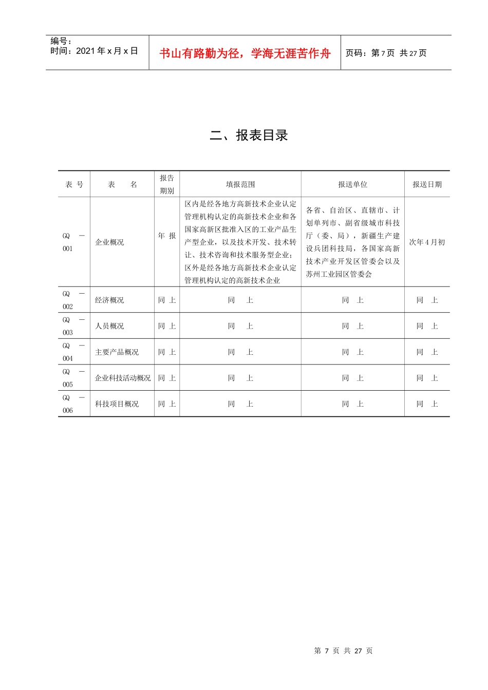
第5页共27页编号:时间:2021年x月x日书山有路勤为径,学海无涯苦作舟页码:第5页共27页国家高新技术产业开发区企业统计表(区外经省、自治区、直辖市、计划单列市科技部门认定的高新技术企业同时适用)企业(单位)法人代码(QA03):进出口企业经营单位代(QA16):企业(单位)详细名称(QA04):法人性质(QA15):企业(单位)通讯地址(QA05):邮政编码(QA06):企业(单位)注册地址(QA07):企业负责人(QA08):联系电话(QA09):传真(QA10):填报人(签章)(QA11):填报人电话(QA17)填报时间(QA12):2012年月日E-mail(QA13):网址(http://)(QA14):企业(单位)负责人签发:企业(单位)盖章:中华人民共和国科学技术部二○一一年十月制表机关:科学技术部批准机关:国家统计局批准文号:国统制[2010]129号有效期截止时间:2012年10月《中华人民共和国统计法》第七条规定:国家机关、企业事业单位和其他组织以及个体工商户和个人等统计调查对象,必须依照本法和国家有关规定,真实、准确、完整、及时地提供统计调查所需的资料,不得提供不真实或者不完整的统计资料,不得迟报、拒报统计资料。报表编号(QA01)企业所在范围(QA02)第6页共27页第5页共27页编号:时间:2021年x月x日书山有路勤为径,学海无涯苦作舟页码:第6页共27页一、总说明(一)制表目的:为加强高新技术产业化环境建设管理工作,了解和掌握国家高新区的发展状况,特制定本表。(二)统计范围:1.国家高新区:经省、自治区、直辖市、计划单列市高新技术企业认定管理机构认定并获得高新技术企业证书的企业和各国家高新技术产业开发区(以下简称高新区)批准入区的具有独立核算法人资格的从事工业产品生产型企业,以及技术开发、技术咨询、技术转让和技术服务型企业;2.地方科技部门:经省、自治区、直辖市、计划单列市高新技术企业认定管理机构认定并获得高新技术企业证书的企业。(三)报告期:每年1月1日至12月31日(四)填报要求:1.必须填写企业法人代码,没有企业法人代码的企业应先办理企业法人代码本。2.字迹清晰,符号准确,书写工整,易于辨认。所列栏目文字叙述和数据都应确切、可靠,表内栏目不得空缺,无内容时填写“无”或“/”,数据有小数时,按四舍五入取整数填写。(五)报送程序:1.高新区统计管理部门负责组织在高新区注册的企业统计;地方科技厅(委、局)负责组织区外已认定的高新技术企业统计。2.高新区内企业负责人应按所在高新区规定的上报时间(由各高新区自行规定),指定专人填表并一式二份报送所属高新区统计管理部门录入、校对、审核,无误后,由高新区统计管理部门于次年4月初将统计报表(一份)和数据软盘转报科技部火炬高技术产业开发中心,同时抄报所在地方科技厅(委、局)火炬计划统计管理部门和所在地统计局。3.高新区外高新技术企业负责人应按所在地方科技厅(委、局)规定的上报时间(由各地方自行规定),指定专人填表并一式二份报送所在地方科技厅(委、局)火炬计划统计管理部门录入、校对、审核,无误后,由地方科技厅(委、局)于次年4月初将统计报表(一份)和数据软盘转报科技部火炬高技术产业开发中心。4.统计范围内的企业有义务按照地方科技厅(委、局)或高新区每年布置的火炬计划统计工作要求,按规定时间认真完成填报。(应注明负责报表汇总单位的名称、地址、邮编和电话)第7页共27页第6页共27页编号:时间:2021年x月x日书山有路勤为径,学海无涯苦作舟页码:第7页共27页二、报表目录表号表名报告期别填报范围报送单位报送日期GQ-001企业概况年报区内是经各地方高新技术企业认定管理机构认定的高新技术企业和各国家高新区批准入区的工业产品生产型企业,以及技术开发、技术转让、技术咨询和技术服务型企业;区外是经各地方高新技术企业认定管理机构认定的高新技术企业各省、自治区、直辖市、计划单列市、副省级城市科技厅(委、局),新疆生产建设兵团科技局,各国家高新技术产业开发区管委会以及苏州工业园区管委会次年4月初GQ-002经济概况同上同上同上同上GQ-003人员概况同上同上同上同上GQ-004主要产品概况同上同上同上同上GQ-005企业科技活动概况同上同上同上同上GQ-006科技项目...

1、当您付费下载文档后,您只拥有了使用权限,并不意味着购买了版权,文档只能用于自身使用,不得用于其他商业用途(如 [转卖]进行直接盈利或[编辑后售卖]进行间接盈利)。
2、本站所有内容均由合作方或网友上传,本站不对文档的完整性、权威性及其观点立场正确性做任何保证或承诺!文档内容仅供研究参考,付费前请自行鉴别。
3、如文档内容存在违规,或者侵犯商业秘密、侵犯著作权等,请点击“违规举报”。

碎片内容

国家高新区内、外企业统计报表

您可能关注的文档

确认删除?
VIP
微信客服
  • 扫码咨询
会员Q群
  • 会员专属群点击这里加入QQ群
客服邮箱
回到顶部