电脑桌面
添加小米粒文库到电脑桌面
安装后可以在桌面快捷访问

企业供应商评价表样本VIP免费

企业供应商评价表样本_第1页
1/14
企业供应商评价表样本_第2页
2/14
企业供应商评价表样本_第3页
3/14
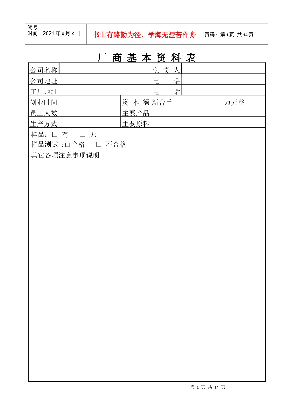
第1页共14页编号:时间:2021年x月x日书山有路勤为径,学海无涯苦作舟页码:第1页共14页厂商基本资料表公司名称负责人公司地址电话工厂地址电话创业时间资本额新台币万元整员工人数主要产品生产方式主要原料样品:□有□无样品测试:□合格□不合格其它各项注意事项说明第2页共14页第1页共14页编号:时间:2021年x月x日书山有路勤为径,学海无涯苦作舟页码:第2页共14页审查:制表:P060201第3页共14页第2页共14页编号:时间:2021年x月x日书山有路勤为径,学海无涯苦作舟页码:第3页共14页分包商样品评鉴表编号:厂商名称日期年月日品名规格规格书□有□无区分认可内容可尚可否备注采购单位外观颜色其它品管课制造课规格、尺寸材质内容其它总结:区分可不可注意事项照样品可交货,并列入合格分包商按注意事项改善后重新送样除注意事项外,可照样品交货总经理:品管:制造:承办人:第4页共14页第3页共14页编号:时间:2021年x月x日书山有路勤为径,学海无涯苦作舟页码:第4页共14页P060202第5页共14页第4页共14页编号:时间:2021年x月x日书山有路勤为径,学海无涯苦作舟页码:第5页共14页分包商评鉴表编号:供应分包商名称商主要产品类别资料员工人数连络人项评鉴项目优良可差劣权得备目54321重分注厂厂房设备状况5房位置实况(物料/工作流程)5设扩厂空间5备厂房内外环境清洁状况5生设备是否能符合本公司之要求5产设备保养状况5设设备更新计划5备是否可使用现在设备制造其它本公司零件5品作业员自我检验5管作业员是否适当训练并具成熟技术5计仪器精度、校准状况5划产品最终检验、包装5出紧急订单的处理能力5货产品出货前是否依客户要求作标示5能生产管制计划是否依出货交期安排5力零件替换/不良品交换5制承制产品的制程能力5造固定之作业流程5/产工具/制具/模具之保管5能员工数量及工作需求情况5评语及其它意见合计100※总分六十分以上方为合格厂商评鉴单位签署□列为合格分包商名录□不合格采购设计品保□改善后再确认第6页共14页第5页共14页编号:时间:2021年x月x日书山有路勤为径,学海无涯苦作舟页码:第6页共14页P060203第7页共14页第6页共14页编号:时间:2021年x月x日书山有路勤为径,学海无涯苦作舟页码:第7页共14页分包商品质成绩月统计表分包商名称交货批数合格批数批退率得分计算公式:(总合格批数/总交货批数)*50分第8页共14页第7页共14页编号:时间:2021年x月x日书山有路勤为径,学海无涯苦作舟页码:第8页共14页品管主管:制表:P060204第9页共14页第8页共14页编号:时间:2021年x月x日书山有路勤为径,学海无涯苦作舟页码:第9页共14页分包商交期成绩月统计表分包商名称交货批数合格批数误期率得分计算公式:(1-(总逾期批数/总交货批数)*50分第10页共14页第9页共14页编号:时间:2021年x月x日书山有路勤为径,学海无涯苦作舟页码:第10页共14页主管:制表:P060205第11页共14页第10页共14页编号:时间:2021年x月x日书山有路勤为径,学海无涯苦作舟页码:第11页共14页分包商应定期评核表厂商名称1-6月成绩7-12月成绩总判定010203040506判070809101112判月成绩品质交期厂商名称1-6月成绩7-12月成绩总判定010203040506判070809101112判月成绩品质交期厂商名称1-6月成绩7-12月成绩总判定010203040506判070809101112判月成绩品质交期厂商名称1-6月成绩7-12月成绩总判定010203040506判070809101112判月成绩品质交期厂商名称1-6月成绩7-12月成绩总判定010203040506判070809101112判月成绩品质交期厂商名称1-6月成绩7-12月成绩总判定010203040506判070809101112判月成绩品质交期厂商名称1-6月成绩7-12月成绩总判定010203040506判070809101112判月成绩品质交期厂商名称1-6月成绩7-12月成绩总判定010203040506判070809101112判月成绩品质交期总经理:品管:总务:制表:第12页共14页第11页共14页编号:时间:2021年x月x日书山有路勤为径,学海无涯苦作舟页码:第12页共14页P060206第13页共14页第12页共14页编号:时间:2021年x月x日书山有路勤为径,学海无涯苦作舟页码:第13页共14页合格分包商一览表项次供应商及住址电话传真联络人主要产品备注第14页共14页第13页共14页编号:时间:2021年x月x日书山有路勤为径,学海无涯苦作舟页码:第14页共14页总经理:总务:制表:P060207

1、当您付费下载文档后,您只拥有了使用权限,并不意味着购买了版权,文档只能用于自身使用,不得用于其他商业用途(如 [转卖]进行直接盈利或[编辑后售卖]进行间接盈利)。
2、本站所有内容均由合作方或网友上传,本站不对文档的完整性、权威性及其观点立场正确性做任何保证或承诺!文档内容仅供研究参考,付费前请自行鉴别。
3、如文档内容存在违规,或者侵犯商业秘密、侵犯著作权等,请点击“违规举报”。

碎片内容

企业供应商评价表样本

确认删除?
VIP
微信客服
  • 扫码咨询
会员Q群
  • 会员专属群点击这里加入QQ群
客服邮箱
回到顶部