电脑桌面
添加小米粒文库到电脑桌面
安装后可以在桌面快捷访问

安全评价表(DOC37页)VIP免费

安全评价表(DOC37页)_第1页
1/37
安全评价表(DOC37页)_第2页
2/37
安全评价表(DOC37页)_第3页
3/37
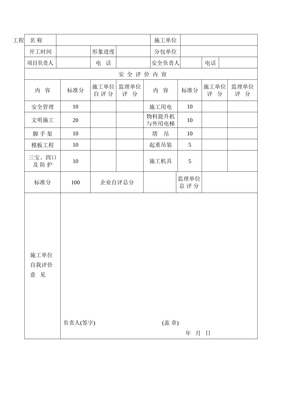
工程名称施工单位开工时间形象进度分包单位项目负责人电话安全负责人电话安全评价内容内容标准分施工单位自评分监理单位评分内容标准分施工单位评分监理单位评分安全管理10施工用电10文明施工20物料提升机与外用电梯10脚手架10塔吊10模板工程10起重吊装5三宝、四口及防护10施工机具5标准分100企业自评总分监理单位总评分施工单位自我评价意见负责人(签字)(盖章)年月日监理单位评价结论项目监理负责人(签字):(盖章)年月日建设行政主管部门或其授权的建设工程安全监督管理机构(部门)审查备案情况负责人(签字):(盖章)年月日编号:二OO年度洛阳市建设工程项目安全生产评价表(基础施工阶段)工程名称:安全报监编号:施工单位:填报日期:洛阳市建设委员会监制填表说明1、此表在建设工程结构、装饰施工时,由施工单位对施工现场安全生产情况进行自查自评填写后,报项目监理单位审查评定,并将评价情况报洛阳市建设工程安全监督站或县(市)、吉利区建设工程安全监督机构审查备案。2、各分项检查评分表均采用JGJ59-99标准,并作为附件备查。检查评分遇有缺项时,汇总表总得分按JGJ59-99评分方法进行换算;多人对同一项目检查评分时,应按加权评分方法确定分值。3、安全管理资料达不到8分,安全管理一项不得分。4、监理单位在做出评价结论时,除评定等级外,还应对本阶段工程项目安全生产状况进行概括性评述,指出主要问题,提出改进意见。5、如有建筑安全中介服务机构,可在监理单位栏中填写有关内容。6、此表一式四份,施工单位、施工单位项目部、监理单位、洛阳市建设工程安全监督站或各县(市)、吉利区建设工程安全监督机构各一份。编号:二OO年度洛阳市建设工程项目安全生产评价表(基础施工阶段)工程名称:安全报监编号:施工单位:填报日期:洛阳市建设委员会监制填表说明1、此表在建设工程基础施工时,由施工单位对施工现场安全生产情况进行自查自评后填写,报项目监理单位审查评定,并将评价情况报洛阳市建设工程安全监督站或县(市)、吉利区建设工程安全监督机构审查备案。各县(市)、吉利区建设工程安全监督机构每季度将审查备案汇总情况报市建设工程安全监督站。2、“安全管理”重点评价安全生产责任制和目标管理、规章制度建立、施工组织设计及安全技术交底、项目负责人、专职安全管理人员和特种作业人员持证上岗情况;重大事故应急救援预案等。“文明施工”重点评价现场围挡、封闭管理、生活设施、施工场地、现场食宿及办公、材料堆放、安全标志及标牌、现场防火等。3、各分项检查评分表均采用JGJ59—99标准,并作为附件备查。检查评分遇有缺项时,汇总表总得分按JGJ59—99评分方法进行换算;多人对同一项目检查评分时,应按加权评分方法确定分值。4、监理单位在做出评价结论时,除评定等级外,还应对本阶段工程项目安全生产状况进行概括性评述,指出主要问题,提出改进意见。5、如有建筑安全中介服务机构,可在监理单位栏中填写有关内容。6、此表一式四份,施工单位、施工单位项目部、监理单位、洛阳市建设工程安全监督站或各县(市)、吉利区建设工程安全监督机构各一份。第7页共37页编号:时间:2021年x月x日书山有路勤为径,学海无涯苦作舟页码:第7页共37页施工单位自我评价意见负责人(签字)(盖章)年月日监理单位评价结论项目监理负责人(签字)(盖章)年月日建设行政主管部门或其授权的建设工程安全监督管理机构(部门)审查备案情况负责人(签字)(盖章)年月日工程名称工程地址建设单位负责人电话监理单位负责人电话施工单位负责人电话分包单位负责人电话项目负责人项目负责人证书及安全考核证书号电话安全负责人安全考核证书号电话项目监理负责人电话1建筑面积结构层数开工时间计划竣工时间安全评价内容内容序号评价内容标准扣分标准施工单位自评分监理单位评分1工程报监情况101、未办理报监手续扣10分2、未办理意外伤害保险扣10分2安全管理20执行JGJ59-99扣分标准及评分办法3文明施工20执行JGJ59-99扣分标准及评分办法4施工用电20执行JGJ59-99扣分标准及评分办法5基坑支护15执行JGJ59-99扣分标准及评分办法6施工机具10执行JGJ59-99扣分标准及评分办法7...

1、当您付费下载文档后,您只拥有了使用权限,并不意味着购买了版权,文档只能用于自身使用,不得用于其他商业用途(如 [转卖]进行直接盈利或[编辑后售卖]进行间接盈利)。
2、本站所有内容均由合作方或网友上传,本站不对文档的完整性、权威性及其观点立场正确性做任何保证或承诺!文档内容仅供研究参考,付费前请自行鉴别。
3、如文档内容存在违规,或者侵犯商业秘密、侵犯著作权等,请点击“违规举报”。

碎片内容

安全评价表(DOC37页)

确认删除?
VIP
微信客服
  • 扫码咨询
会员Q群
  • 会员专属群点击这里加入QQ群
客服邮箱
回到顶部