电脑桌面
添加小米粒文库到电脑桌面
安装后可以在桌面快捷访问

绍兴县河道疏浚工程项目验收表VIP免费

绍兴县河道疏浚工程项目验收表_第1页
1/8
绍兴县河道疏浚工程项目验收表_第2页
2/8
绍兴县河道疏浚工程项目验收表_第3页
3/8
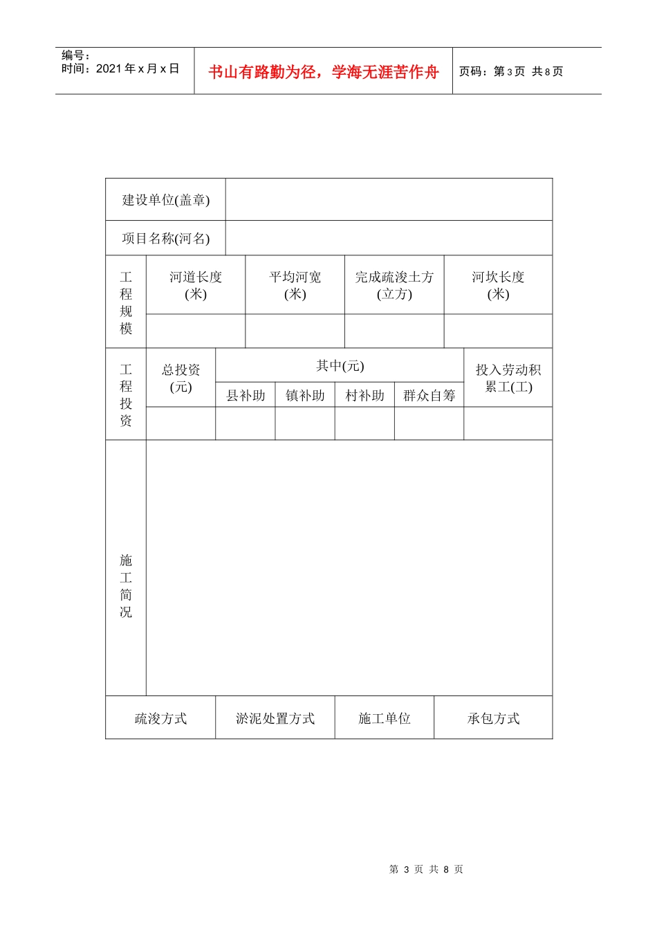
第1页共8页编号:时间:2021年x月x日书山有路勤为径,学海无涯苦作舟页码:第1页共8页编号:__________绍兴县河道疏浚工程项目验收表申请单位:______________________________(公章)负责人:______________________________(签名)申请日期:_____________年________月________日绍兴县水利水电局制第2页共8页第1页共8页编号:时间:2021年x月x日书山有路勤为径,学海无涯苦作舟页码:第2页共8页填表要求和说明一、建设单位与审请单位指河道所在的村或单位,主排河道由镇政府申请;二、表中所用高程统一采用黄海基面;三、河道验收断面测量原则与原状断面一致,一般200米长河道所测建断面不少于2个,大于200米河道每增加200米加测一个断面;四、断面测量时,宽度较大的(20米以上)每2米测一水深,河道宽度在20米以下的每1米测一水深;五、提供的万分之一图应标明河道位置,及所测断面在河道的位置;六、断面平均高程指每一断面中各测点高程的平均值,全河道平均高程为各断面平均高程的平均值;七、疏浚土方=河长×平均挖深×平均河宽;八、本表中各项内容应如实填写,如发现与实际不一致,由填写者承担相应责任;九、本表一式三份,申请单位、镇水利站、县水电局各一份.第3页共8页第2页共8页编号:时间:2021年x月x日书山有路勤为径,学海无涯苦作舟页码:第3页共8页建设单位(盖章)项目名称(河名)工程规模河道长度(米)平均河宽(米)完成疏浚土方(立方)河坎长度(米)工程投资总投资(元)其中(元)投入劳动积累工(工)县补助镇补助村补助群众自筹施工简况疏浚方式淤泥处置方式施工单位承包方式第4页共8页第3页共8页编号:时间:2021年x月x日书山有路勤为径,学海无涯苦作舟页码:第4页共8页实际开工时间年月日实际竣工时间年月日河道疏浚后验收测量成果断面号高程(米)岸距ⅠⅡⅢⅣⅤⅥ第5页共8页第4页共8页编号:时间:2021年x月x日书山有路勤为径,学海无涯苦作舟页码:第5页共8页断面平均高程河道河床最低高程米平均高程米测量人员(签名)测量日期年月日断面测量不够填写可附另页第6页共8页第5页共8页编号:时间:2021年x月x日书山有路勤为径,学海无涯苦作舟页码:第6页共8页河道平面及所测断面位置图(贴万分之一地形图复印件)第7页共8页第6页共8页编号:时间:2021年x月x日书山有路勤为径,学海无涯苦作舟页码:第7页共8页工程效益改善灌溉面积(亩)改善人`畜饮水(人`头)改善航运其他镇水利站验收意见经办人:(公章)年月日科室初审意见核定土方M3补助资金元经办人:(公章)年月日局领导审核意见领导签名:年月日备注第8页共8页第7页共8页编号:时间:2021年x月x日书山有路勤为径,学海无涯苦作舟页码:第8页共8页

1、当您付费下载文档后,您只拥有了使用权限,并不意味着购买了版权,文档只能用于自身使用,不得用于其他商业用途(如 [转卖]进行直接盈利或[编辑后售卖]进行间接盈利)。
2、本站所有内容均由合作方或网友上传,本站不对文档的完整性、权威性及其观点立场正确性做任何保证或承诺!文档内容仅供研究参考,付费前请自行鉴别。
3、如文档内容存在违规,或者侵犯商业秘密、侵犯著作权等,请点击“违规举报”。

碎片内容

绍兴县河道疏浚工程项目验收表

您可能关注的文档

确认删除?
VIP
微信客服
  • 扫码咨询
会员Q群
  • 会员专属群点击这里加入QQ群
客服邮箱
回到顶部